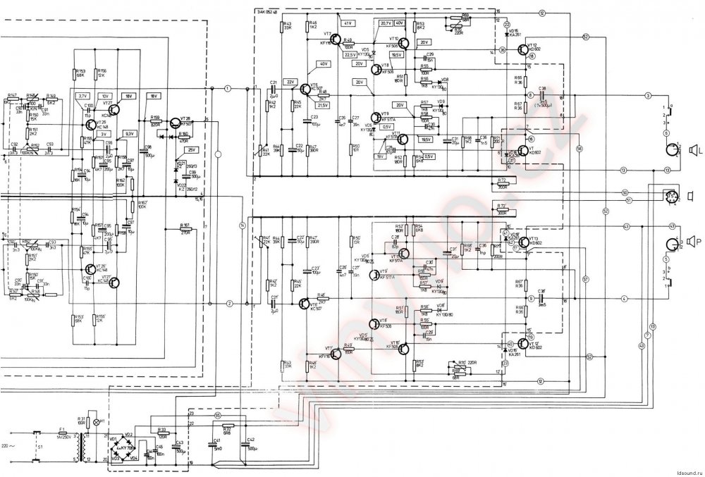
Усилители на германиевых транзисторах
-
Recently Browsing 0 members
- No registered users viewing this page.
-
Клубы
-
ROCK-N-ROLL FOREVER!
Open Club · 9 members
-
Радиорынок
Public Club
-
MASTER TUBER
Open Club · 4 members
-
Hi-end по-русски
Open Club · 57 members
-
Кружкин Дом
Open Club · 31 members
-
Излишки тумбочки
Public Club
-
Радиолюбительские технологии
Open Club · 8 members
-
Магазин Иван Иваныча
Public Club
-
Джаз от SJ
Open Club · 24 members
-
Тестовый клуб
Open Club · 19 members
-
БАЛАНС
Read Only Club · 1 member
-
-
Сообщения
-
By Евлампий 2 · Posted
Решение наверняка зачетное. Тем не менее, хочется задать несколько вопросов. 1. Уж если речь о файнал кат, расскажите, насколько выстраданным стал выбор не трансформаторного, а именно резистивного регулятора громкости? Просто элементная база претендует на отсутствие компромиссов, поэтому важно понимать: вы перебирали какие-то варианты и сделали выбор, или просто попробовали имеющееся решение, оно понравилось, а потому на нем и остановились? Хотя 10 кОм - хороший номинал с точки зрения минимизации потерь собственно в регуляторе, есть еще и вопрос совместимости с выходами источников: пробовали ли вы сравнить звучание ваших источников с нагрузкой допустим 10 и 100 кОм? Нередко даже операционник "сидюка", имеющий (из-за глубокой ООС) динамическое сопротивление в десятки ом, слышимо "мутнеет" под нагрузкой в несколько кОм по сравнению с "без нагрузки". Ну и не у всякого корректора выходному каскаду совсем уж пофиг нагрузка 10 кОм, которая у вас на входе. Вот у меня по этой причине "низкоомный" вход не прижился - но тут конечно конкретика рулит - скажем, я в цифре использую ДАК без передискретизации с повышающим трансиком, он к нагрузке капризен. Насколько я понимаю, у вас другой случай - тем не менее, возможно, вам будет полезно лишний раз посмотреть в этом направлении. 2. По какому критерию/набору критериев вы остановили выбор на 41 МХР? Просто к ее подаче нередко возникают вопросы (ну, примерно из той же сферы, что в отношении триодов класса 437 или, грубо, 6с45п, только помягче - как к почти любой другой лампе с высокой крутизной). Просто я бы на месте АД высокомерно приподнял левую бровь, особенно с учетом "технократической" специфики в подаче что NC20, что Тамуры. С наскока кажется, что можно было выбрать что-то боле, условно говоря, "певучее", особенно если учесть, что в обозначенной вами полосе частот Танго 20 легко сопрягается с лампами до 5-6 кОм внутреннего, и это делает выбор драйверов достаточно широким. И конечно, в первую очередь интуиция бросается в сторону каких-то античных кандидатур из той же эпохи, что и АД - вполне вероятно, в вашем случае тоже было нечто наподобие такого порыва. В этой связи вопрос: что остановило? Рассматривали ли вы другие драйверы? Если да, то какие? Пробовали ли сравнительно послушать? 3. 600-омное соединение с предом позволяет без проблем использовать повышающий входной транс на входе оконечного усилителя, что дополнительно расширило бы список драйверов, вплоть до прямонакалов типа 304, 604 и даже тех же Ад. Кроме того: 182 конечно тоже хорошая лампа, но в разгруженном реактивном каскаде звучит прозрачнее, чем под нагрузкой 10 кОм. Понятно, что изображенная конфигурация позволила соединить блоки по балансу и сделать (почти) неслышимыми разъемы и провода. Но вопрос остается: оно того точно стоило? Если вы пробовали другие конфигурации, пожалуйста, расскажите, что не устроило и заставило вернуться к нагруженному балансу? И кстати по поводу балансного соединения: насколько далеко оконечные усилители от преда в системе? Я тоже неспешно закладываю триодник на Ад (больше из ностальгических соображений и скорее как инструмент для изучения, чем как основной усил). Для меня это не первый наскок на тему, и он отличается от того, что было сделано годы назад, потому что опыт пополнился новыми заблуждениями. При этом предварительные макеты говорят о том, что в моем случае файнал кат отрежется заметно не так, как получилось у вас. Но вы-то сделали так, как сделали, и к тому наверняка были веские причины. Думаю, не мне одному было бы полезно их понимать, чтобы намотать на ус ваш опыт. Заранее спасибо за рассказ - о процессе поиска, от том, какие ветки пришлось отсечь и почему - порой это полезнее, чем описание окончательного выбранного пути. В частности, в любом из каскадов либо в обоих вы могли сделать фикс, но обошлись "автоматом". Да, это лучшее решение с точки зрения сохранности дефицитных ламп. Тем не менее: сравнивали ли вы по звучанию разные типы смещений? Разные схемы их формирования? Или просто убедились, что "автомат" вполне устраивает (Ад и впрямь почему-то вполне классно звучит и с автоматом), и нет смысла плодить иные сущности? Тоже интересно. 4. Если можно, несколько слов об акустике, которую вы используете. Спасибо. -
Точно... Одной проводимости... Извиняюсь... Ошибся... 😊 Но 906 отлично работают в моих ионоблокрх... 👍
-
Ну рулетка или нет, тут как пойдет. Мы недавно решили попробовать что это такое - динамики сильно напоминающие те самые Сканы или Вифы.. Взяли наугад пару 5.5" СЧ-НЧ динамиков китайского производства, но к ним приделали всё же вполне приличные европейские пищалочки с 32 мм куполом. Пришлось немного поиграться с фильтром (он там один - последовательный), но результат очень порадовал и басом и открытостью звучания и сценой и т.п. Следует заметить, что эти мидбасовички к тому же оказались на редкость ровными в отличии от настоящих Сканов. В общем товарищ, хозяин тех АС страшно доволен результатом. Я тоже, даже несколько удивлён..
-
By Colonel Burrous · Posted
Мастер барабанного боя ногами по клавишам рояля-неповторимый Джерри Ли Льюис!!! Этот альбом, состоящий из двух виниловых дисков, не зря назван -Вехи ( Milestones), ибо на нём представлены наиболее значимые работы великого мастера и короля , в конечном счёте, рок-н-ролла. Большое количество фоток, чёрно-белых, цветных, за разные годы творчества Джерри Ли. -
Электролиты после дросселя. Как сделано у Вас я не знаю. Этот усилитель лет десять работает.
-
By Stan Marsh · Posted
А разве они не одной проводимости? Нет, как и любые другие германиевые. В детстве пожарники подогнали по паре ведёр семьсот третьих и семьсот пятых. Тупик. Единственное что как-то можно приспособить, это 402/404. Да и то... -
А цепочка электролитов как же? Собственно у меня Г-образный фильтр без входной ёмкости. По идее скачка недолжно быть? Дроссель 10гН 600 мА. Что то всё равно боязно? На коленке собирал, всё работало плавно и хорошо, но без задержек анодного, то есть 6Д22-ые плавно нагревались и напряжение устаканивалось сразу 924 вольта на ГМ 70
-
А какие конкретно Вы ставили в какое место по схеме и какое напряжение было? А то Алиса мне тут нагородила огород какой то два раза ошибки явные допускала, потом после моих поправок соглашалась. Виртуальный помощник называется.
-
И каким образом пуля влияет на фазовые искажения, не влияя на АЧХ? Скажу по секрету, что человеческое ухо вообще не слышит фазовые искажения , мы слышим лишь влияние фазы на АЧХ. т.е. если есть фазовые искажения то как само собой разумеющееся будут и изменения на АЧХ, это связано. Возможно про диаграмму направленности я не совсем правильно выразился. Не диаграмма направленности, а речь именно про изменения на АЧХ при отклонениях от оси излучения. Не спроста же я предложил сравнить замеры АЧХ при отклонениях от оси с пулей и без.
-
Да конечно, "пуля" на керне крепится. Насколько я выяснил оно влияет не на ДН, а на фазовые искажения на средне высоких частотах 5...8 кГц.. То есть на том что излучается основанием диффезора, "воронкой". На ВЧ не влияет никак.
-
Ну если нет доверия, то так-то на авито можно найти к примеру и оригинальные СканСпики Ревелаторы. Правда цена... Ну так и доходы выросли в стране.
-
By Colonel Burrous · Posted
Трудно представить академический американский джаз середины прошлого века без Бена Уэбстера. С кем только не играл этот выдающийся саксофонист, просто перечислить невозможно. Но наиболее знаковые работы, с моей т.з.,это игра Бена с бэндом Герцога (Дюк Эллингтон). Несмотря на присутствие в бэнде таких махров-саксофонистов, как Пол Гонзалвес, Джонни Ходжес, Гарри Кэрни, Коулмен Хокинс, Уэбстер стоял от них обособленно, т.е. его игра моментально, с первых аккордов выделялась своей необычностью, в плане прочтения музыкального материала. Рассказать словами это явление невозможно, конечно, нужно слушать и слушать на хорошей ламповой аппаратуре. Диск записан Норманом Гранцем, талантливым звукорежем на фирме Верве. -
Точно так сделано? Накал кенотрона со средней точкой и первая емкость такая же? У меня ничего не пролетало и пролетать там ничего и не должно. И у автора никаких 400 вольт там падать не будет, нагрузка включится плавно и никаких 1390 вольт не достигнет при включенных выходных лампах.
-
Вот канал на Дзене - автор восстанавливает колонки - советские и иностранные. Также восстанавливает кейсы для усилителей и корпуса для виниловых вертушек. Очень подробно показана вся работа со шпоном - от подготовки поверхности, до подрезки и покрытия лаком. https://dzen.ru/morozworkshop?tab=longs
-
-
Forum Statistics
-
Total Topics9.9k
-
Total Posts107.1k
-

Recommended Posts
Join the conversation
You can post now and register later. If you have an account, sign in now to post with your account.