Jump to content

Recommended Posts

Posted
В 08.03.2026 в 06:12, BAA сказал:

с 20 элементами коррекции хороша только

А почему она вам плоха? Ведь вам её не разрабатывать, а всего лишь собрать. Сколько RC цепей вас не устраивает, какое пороговое число и почему?

Posted
В 08.03.2026 в 05:36, Sergio сказал:

А для чего всё это ? Докаказать, что "самые умные" и нашли священный грааль ?

Чего там доказывать? Я спроектировал ГРААЛЬ, люди спаяли, говорят - священный, благодарят.

 

.thumb.JPG.32314bc59881bb5070a4a9420589c139.JPG

  • Like (+1) 2
Posted
В 08.03.2026 в 07:24, Васек Кукунин сказал:

Другое дело, что идеальных усилителей не существует и у "нулевых" есть свои проблемы, как в плане субъективного восприятия

Какие вы знаете проблемы субъективного восприятия сверхлинейных усилителей? Перечислите усилители и их проблемы, плиз. Благодарю вас за внимание к проблемам чужих усилителей. 

 

В 08.03.2026 в 01:24, Михаил SM сказал:

Один из моих уважаемых заказчиков имеет флагманhttp://filigrane.ru/fa5000/  этого высоколинейного усиленияhttps://stereo.ru/p/2kenv-filigran-usilitel-moschnosti-filigrane-fa5000 , слушали , записывали ролики (выкладывать не имеет смысл) , сравнивали с моноблоками на 6с4с и 6ж4 с БП кенотронным ОППВ с чисто бумагомасл. конденсаторами в фильтрах .  Акустические системы -  Альтек -19 .  Отношение к высоколинейности представитель этого транзисторного усиления имеет более чем явственное .  Но интересно  другое , это буквально следующее : ""

Однако, искажения в аудиотракте имеют самую различную природу и, что очень важно, сильно различаются при восприятии на слух.

Нам удалось выявить источник искажений, которые становятся заметны при уровне тысячной доли процента и даже ниже. Эти искажения возникают, когда нелинейные участки характеристики усилителя изменяют свое местоположение в зависимости от усиливаемого сигнала. Теоретически это снижает информационную пропускную способность тракта, а практически вызывает потерю прозрачности, детальности звука и появление некоего «шумового ореола» вокруг звучащих инструментов.

Причинами таких искажений могут быть тепловой разогрев полупроводников и эффекты «памяти» в радиоэлементах. Например, фирма Lavardin использует для них термин memory distortion. Другим источником таких искажений является ток, протекающий через акустическую систему. Современный усилитель подает выходное напряжение на зажимы АС очень быстро, а ток через них устанавливается по сложному закону в течение нескольких миллисекунд в соответствии с модулем и фазой импеданса.

Искажения, возникающие во время установления этого тока, придают ту самую «зашумленность» звуковому образу."""  

От уважаемого топикстартера хотелось бы, если уместно, узнать комментарий на эти искажения . 

1. Нам удалось выявить источник искажений, которые становятся заметны при уровне тысячной доли процента и даже ниже. Эти искажения возникают, когда нелинейные участки характеристики усилителя изменяют свое местоположение в зависимости от усиливаемого сигнала.

Если можно применять слово "бред", то это именно он. 

1. Нет никаких "бродячих" нелинейных участков характеристик. Да и чего - характеристик? Есть много нелинейных характеристик: коллекторные, база-эмиттерные, какие именно имеются в виду? Что за тайны?  

Пакость заключена в том, что все нелинейности равномерно размазаны по всем характеристикам, и на любом их отрезке всё та же нелинейность. Сказать: "нелинейности переползли и скучковались в этом месте" значит: все остальные места внезапно стли ЛИНЕЙНЫМИ! Вот именно это и есть бред. 

2.   бумагомасл. конденсаторами

Мерил во времена оны искажения конденсаторов. Самые нелинейные - именно бумажные, например, МБГО. Почему? Электрическое поле стремится прижать обкладки друг к другу как можно ближе. Если диэлектрик мягкий, та же бумага, то это полю удаётся - на микрометры. Но вот тогда, вместе с этим, меняется и ёмкость конденсатора - больше на пиках напряжения меж обкладками. То есть, появляются нечётные искажения сигнала. Лучше всего конденсаторы с жёстким диэлектриком, вроде фторопласта.   

3.  Например, фирма Lavardin использует для них термин memory distortion.

Бедолаги. Вообще, надо немного понимать, что такое Запад. Вот Мицубиси, у неё фишка - внедорожники на ралли Париж-Дакар, Хонда - приспортивленная, Тойота - надёжная и т.д. Так и тут: наша фирма открыла какой-то вид искажений, а больше никто не смог. Значит, наша фирма умнее и её товар лучше. 

На самом деле, только в плохих усилителях возможны тепловые искажения. Дело в том, какой каскад задаёт уровень искажений усилителя. В сверхлинейных усилителях этот каскад - входной. Благодаря высокому общему усилению, токи входного каскада меняют рассеиваемую транзисторами мощность на уровне микроватт. Понятно, что микроватты практически не меняют баланс мощности входного транзистора в несколько милливатт. Потому входной каскад служит эталоном линейности для всего усилителя.

Другое дело обычные усилители. Чем меньше усиления в петле, тем больше девиация мощностей входных транзисторов. Возьмём, для примера, усилители Песса: в них входной транзистор и есть выходной. Понятно, что из-за  большой девиации мощности его параметры и "эталон" разные для разных рассеиваемых мощностей, а мощности зависят от амплитуды выходного сигнала. И несчастный усилитель размышляет: стоковое напряжение - 2 вольта, мощность невысока, усилю-ка я сигнал в 10 раз. Потом: стоковое напряжение - 20 вольт, транзистору жарко, характеристики изменились, в честь этого усилю сигнал в 11 раз. 

Вот это усиление сигнала с разным Ку в течение одного периода и есть искажения. Даже не удивлён, что они открыли эти искажения именно в своих усилителях: не доходит через голову, дойдёт через измеритель искажений. 

Кстати, бороться с тепловыми искажениями можно только углублением ООС, и мне интересно, как они выкрутились из ситуации. 

4. 

Современный усилитель подает выходное напряжение на зажимы АС очень быстро, а ток через них устанавливается по сложному закону в течение нескольких миллисекунд в соответствии с модулем и фазой импеданса.

Искажения, возникающие во время установления этого тока, придают ту самую «зашумленность» звуковому образу.

Давно известные искажения, возникающие, как искажённое падение напряжения от протекания нелинейного тока АС по сопротивлениям: 

проводов, в тч, внутренней разводки выход-клеммы,

переходному контактов реле,

кабелей АС,

катушки выходного фильтра. 

Лечатся установкой компенсатора сопротивления кабелей АС и охватом ООС контактов реле. Пример: ВВС-2011:

2.-2011.thumb.JPG.e184411b9504431a12c9768e50d4fc09.JPG

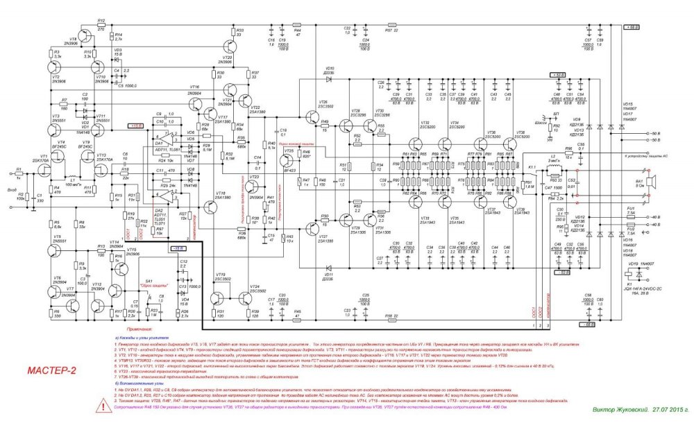
МАСТЕР:

-2.thumb.JPG.ce4363722e5d274426f38f99c9743741.JPG

этс. 

Posted
В 08.03.2026 в 04:52, BAA сказал:

структуры усилителя 70/80-х

У нас есть разные структуры. Но так как вас пугают RC-цепи, боюсь, они вам тоже не подойдут. 

Posted
В 08.03.2026 в 06:25, BAA сказал:

У вас диплом есть и научно-педагогическая практика? Нет? Вот незадача.

Вам нужен диплом препода, или знания? 

Вот незадача, я подумал, что - диплом. 

Posted
В 08.03.2026 в 06:25, BAA сказал:

А показывать через щелочку - так форум не про людские страсти. Не вводите людей в блуд.

Непонятно, как у вас сложилось впечатление, что мы вам в щёлочку будем показывать именно блуд. Наверное, мы дали вам повод так думать. Выложите пруф на пост, где вам показывали этот самый блуд. 

Posted

Усиление есть линейность.

1774103099481.png


Вот каскад с общим эмиттером. Ты видел такие тыщу раз.
Но никогда не задумывался, от чего зависит его линейность. Давай, подумаем вместе.
 

1774103147980.png


Хоба. Вот два каскада. Два идентичных элемента усилителя.
Каждый нагружен на генератор тока, не пропускающий переменную составляющую, с бесконечным сопротивлением переменному току.
Вот только один из них подгружен цепью ООС от суховского винил-корректора:

1774103328861.png


По условию ТЗ, выходное напряжение каскадов идентично.
 

1774103541554.png


Это и понятно: независимо от схемотехники корректоров, их выходное напряжение задано существующими стандартами.

Нам надо всего лишь сравнить, какой каскад линейнее, и понять, почему.
 

1774103856678.png


Первый каскад, искажений в звуковом диапазоне порядка процента
 

1774103646178.png


Второй каскад: 0,003%.

Отчего такая разница?
 

1774103987680.png


А вот от чего: для получения одного и того же выходного напряжения входное напряжение первого каскада равно два раза по 0,5 мВ, ибо генераторов два, 19 и 20к:

1774104070830.png


А второго

1774104141605.png


в 153 раза меньше.
Или на 43 дБ. Почти на столько же децибел второй каскад и линейнее первого.
А ведь никакой ООС ещё нигде нет. Второй каскад исходно линейнее до введения ООС.

И какой отсюда следовает вывод?
Для получения каскада с высокой исходной линейностью необходимо повысить его усиление.
Нехудо бы вспомнить, как оно вычисляется:

Ку = Rн / rэ
Отношению сопротивления или, лучше, импеданса нагрузки к сопротивлению эмиттера, где

rэ = 25 мВ / Iэ, мА.

Не догадался ли кто до этого повышения линейности каскада раньше нас?
Ответов всего два:
1. Да, догадался.
2. Нет, догадался.

1774104627610.png


Рассмотрим схему ОУ, профессионального усилителя.
В зоне 1 дифкаскад Т1Т2 нагружен на высокое выходное сопротивление зеркала Т3Т4 и включенное параллельно ему высокое входное сопротивление повторителя Т5. В зоне 2 каскад с ОЭ Т6 нагружен ровно так же: на генератор тока I2 (в реале - транзистор с высоким выходным сопротивлением) и включенное параллельно ему высокое входное сопротивление ВК Т7Т8.

Оказывается, весь мира знает, что нельзя нагружать каскад с высоким выходным сопротивлением на низкоимпедансные цепи ООС, как это сделали кенвуды, соблазнив неопытного наивного чукотского инженера:
 

1774105114279.png


*инженер - допустимый в приличном обществе эвфемизм, обозначающий умственно недееспособного гражданина. Если два инженера собирают усилитель вместе - жди беды и сборища фатальных ошибок в схеме.

Усиление = линейность-2.zip

  • Like (+1) 2
Posted
1 час назад, Sagittarius сказал:

инженер - допустимый в приличном обществе эвфемизм, обозначающий умственно недееспособного гражданина.

Интересное сравнение. Чтобы сравнивать что-либо нужно обеспечить равные условия. 
Давайте в первом примере указанную цепь ОС все таки замкнем правильно , на эмиттер транзистора. И соответственно получим какое-то напряжение сигнала на коллекторе. 
Затем во втором примере обеспечим на базе необходимое напряжение для такого же коллекторного как в первом случае. Но! Делитель от первоначального ( в первом примере) сделаем на резисторах ( реальных , малошумящих) . 
Тогда мы сможем равнозначно ( почти) сравнивать достигнутое. 

Posted
7 часов назад, Сергей А сказал:

Давайте

Согласитесь, что было бы логично  и правильно оформить своё предложение в виде схемы, а лучше, в виде схемного файла, привести графики, подтверждающие вашу точку зрения.

Тогда я смогу сравнить всё, что посчитаю нужным.

А если вместо схем художественное описание, то на меня же ляжет куча неблагодарной работы, так же?

Posted

Не могу согласиться. Это же ваше сравнение некорректно , с меня только замечания. 

.. все что сочтете нужным … Тут дело ваше . Что то непонятно написано ? 
Задайте транзистору например стандартное усиление 100 с помощью ОС как вы изобразили . Вставив в эмиттер резистор ветви ОС  , который от делителя на 100 . Постоянное смещение компенсируйте  в цепи базы . Оставляя ток эмиттера прежним  

Во втором случае те же 0.5 мВ входных поделите делителем , поскольку мы не можем произвольно менять входной сигнал. И этим делителем добейтесь переменки на коллекторе равной первому случаю.  
И теперь уже смотрим где какие искажения и дБ. 
 

Исходно у вас написано - транзистор нагружен на цепь ОС. Только почему-то забываете , что он не просто нагружен на нее , а охвачен ею , той самой ОС. 
 

Posted

На счёт усилителей мощности спорить не буду. Может там принцип "чем больше глубина ООС , тем лучше" работает. Но по поводу корректирующих усилителей у меня опыт совпадает с Н. Суховым.  

Есть пассивная коррекция и она при субъективном  сравнении каждый раз оказывалась лучше, чем коррекция АЧХ в цепи ООС включенная  с низкоомного выхода усилителя на инвертирующий вход.

Сравнивалось неоднократно не только в корректорах для винила, но и в усилителях записи/воспроизведения магнитофонов. Причем это не единичный случаи, а закономерность, которая повторялась каждый раз, причем мною это воспринималось так же как и использование двухкаскадных усилителей на паре транзисторов (т. н. двойки), это слушать было невозможно (может по причине недостатка глубины ООС в таких "двойках").

Коррекция из второго каскада ОУ (с постоянной, пусть и не высокой глубиной),  пусть и не так хороша, как пассивная в чистом виде, но приближается к ней (субьективно).  Она проще в исполнении, т к пассивная в чистом виде заметно сложнее в схеме. Попробуйте все же послушать, а не изменять и моделировать, это достаточно просто: переключить всего несколько деталей, да немного на пару дБ падает усиление, в том же магнитофоне в УВ, но это изменение громкости можно проигнорировать. Кстати я пробовал наши 157уд2 + биполяр на входе,  подключая  цепи коррекции ко второму каскаду,  он имеет выход для внешней коррекции самого ОУ. 

Коррекция с низкоомного выхода ОУ, которая естественно позволяет сохранить высокое петлевое усиление и глубину ООС звучит предсказуемо уныло-механистично, и я (и не только я) каждый раз это отчётливо слышу.  Это настолько ужасно, что слушать подобные устройства у меня хватает терпения только на несколько минут.

Почему не допустить, что в кенвуде решили так вот сделать по результатам слуховой экспертизы?

Кстати, корр из ямахи, кажется того же Сухова, но с классической коррекцией из низкоомного выхода, хорошо воспроизводил только музыку типа iron maiden,  почему то идеально подходил под подобные жанры, но не более. Да, отличная динамика, но очень утомляет.

Posted

Тогда и вопрос не к вам. Мне тоже впрягаться ни к чему. Один транзистор в разных условиях , что в итоге? При 3,25 мкВ на входе , он якобы лучше , чем при 500 мкВ. И? 
Откуда их будем брать? И нагрузка разная , тогда о чем сравнение? МС головку сделаем с меньшим в 153 раза числом витков? Или сколько там ? В корень из 153?

Posted
Только что, AlexKorotov сказал:

она при субъективном  сравнении каждый раз оказывалась лучше,

Сравнивалось неоднократно

это слушать было невозможно

пусть и не так хороша,

Попробуйте все же послушать, а не измерять и моделировать,

звучит предсказуемо уныло-механистично

Это настолько ужасно,

хорошо воспроизводил только музыку типа iron maiden

отличная динамика, но очень утомляет.

Это всё не имеет никакого отношения к технике,  а усилитель - техника.

Техника характеризуется не ахами и охами, а цифрами, цифрами и цифрами.

Посмотрю я, как вы полетите на самолёте, если вам объявят, что его не измеряли, не моделировали, а слушали.

 

Паршивый усилитель отличается от паршивого самолёта тяжестью последствий,

поэтому появляется соблазн проектировать ничего не понимая в проектировании,

а объективные измерения заменять очаровательными рассказами.

  • Like (+1) 2
Posted
Только что, Сергей А сказал:

Мне тоже впрягаться ни к чему.

А по другому не удастся победить Сагиттариуса. Значит не надо было и начинать.

  • Like (+1) 1
Posted
33 минуты назад, Алексей1 сказал:

 

Техника характеризуется не ахами и охами, а цифрами, цифрами и цифрами.

 

Хороший усилитель и измеряется и звучит хорошо (для АС на динамиках). А с  корректирующими усилителями оказалось все не так однозначно. Хоть на статиках (а у меня он без трансформаторный, на лампах с 1800 в анодного), хоть на динамиках (четырех полоска) УВ с коррекцией между низкоомный выходом и инв. выходом слушать не возможно.

Дело даже не в возможном возбуде УВ из за использования высоко добротной головы, звук колючий и противный и с пермалоем и со сендастом. Такие УВ, например имеют кроме колючего звука кажущуюся неравномерность АЧХ, когда например гитара на озрик тинтаклес сверлит мозг буквально! Как если бы там был узкий подъем АЧХ.  

Поэтому я выше и задавал вопрос в ветке о том, какая глубина ООС нужна для линейного усиления до уровня линейного выхода.

Тут похоже я вашим положительным опытом в области коррекции АЧХ не стану пользоваться, он мне не подходит совершенно (в отличии от УМ с глубокой ООС, которые мне удавалось запустить, и они понравились, типа видерхольда).

Может быть немного не в тему, но я неспешно последнюю неделю занимался по работе утилизацией старых приборов - осциллографов. И вспомнил, что там ни где не было ни каких глубоких ООС , обычно два каскада охвачены не глубокой ООС, затем ещё тоже самое +/-. И это понятно почему - иначе вместо исследуемого переходного процесса, в случае глубокООСного одного усилителя в котором сосредоточено все усиление мы будем наблюдать переходный процесс самого глубокООСного усилителя.

А ведь музыка скорее похожа на импульсный или шумовой сигнал.

 

  • Like (+1) 1
Posted
52 минуты назад, Алексей1 сказал:

А по другому не удастся победить Сагиттариуса. Значит не надо было и начинать.

Я собственно не против высокого усиления. Просто примеры ни о чем. А приводить свои мысли на этот счет пока рано , надо упорядочить. 

Posted
14 часов назад, Sagittarius сказал:

Чего там доказывать? Я спроектировал ГРААЛЬ, люди спаяли, говорят - священный, благодарят.

 

.thumb.JPG.32314bc59881bb5070a4a9420589c139.JPG

У меня вопросы по выходному каскаду Грааля , то что латералы использовали  три штуки в параллель понятно, термостабильность у них на высоте, отрицательный температурный коэффициент позволяет обойтись без узла термостабилизации, для чего тогда резисторы 0,2 ом в истоках?, может для ограничения максимального тока? И второй вопрос, отсутствие индивидуальный антизвонных резисторов в затворах, один общий 10 Ом , из личного ( и не только ) опыта меньше 200 Ом в затворе ставить не получалось , идёт возбуд, правда выходное сопротивление предыдущего каскада было в районе 5 кОм. 

Posted
Только что, AlexKorotov сказал:

И это понятно почему - иначе вместо исследуемого переходного процесса, в случае глубокООСного одного усилителя в котором сосредоточено все усиление мы будем наблюдать переходный процесс самого глубокООСного усилителя.

Переходная характеристика зависит вовсе не от глубины ООС.

 

Только что, AlexKorotov сказал:

 музыка скорее похожа на импульсный или шумовой сигнал.

причем составляющие этого сигнала ограничены пределом в 20 кГц,

а значит, музыкальный сигнал не может привести к сколько-нибудь заметному переходному процессу.

 

 

  • Like (+1) 1
Posted
7 часов назад, Андрей63 сказал:

для чего тогда резисторы 0,2 ом в истоках?

Там напряжение для токовой защиты должно сниматься. 

7 часов назад, Андрей63 сказал:

меньше 200 Ом в затворе ставить не получалось , идёт возбуд

Симулятор хорошо предсказывает устойчивость, паять схему можно прямо из модели, без подбора коррекции. Ну, уж если он не просчитал, всегда можно добавить вручную. 

7 часов назад, AlexKorotov сказал:

Поэтому я выше и задавал вопрос в ветке о том, какая глубина ООС нужна для линейного усиления до уровня линейного выхода.

Максимальная технически доступная. 

9 часов назад, AlexKorotov сказал:

Сравнивалось неоднократно не только в корректорах для винила, но и в усилителях записи/воспроизведения магнитофонов.

Не видя их схем, ничего сказать нельзя. Но, априори, хороших схем почти нет. 

9 часов назад, AlexKorotov сказал:

Попробуйте все же послушать, а не изменять и моделировать

Тут две вероятности: 

или искажений много и вы к ним привыкли, 

или искажений мало, то почему этого не смог бы понять симулятор? 

Он всего лишь решает уравнения, беспристрастно. 

10 часов назад, AlexKorotov сказал:

Коррекция с низкоомного выхода ОУ, которая естественно позволяет сохранить высокое петлевое усиление и глубину ООС звучит предсказуемо уныло-механистично, и я (и не только я) каждый раз это отчётливо слышу.  Это настолько ужасно, что слушать подобные устройства у меня хватает терпения только на несколько минут.

Опять же, есть две вероятности. Если в этом случае искажения меньше, а они должны быть меньше, значит, мы имеем дело с привычкой к искажениям. Это не удивительно, учитывая бэкграунд каждого из нас: я тоже начинал слушать лампы, потом германиевый "Аккорд", потом 553УД1А с Кг20к=0,15% и УМ с Кг=0,02%, так что к звуку сверхлинейного ВВС-2011 привыкал с неделю, а сначала более 15 минут слушать не мог: он меня настораживал неестественностью. Оказалось, неестественными были мои музыкальные воспоминания. 

10 часов назад, Сергей А сказал:

Исходно у вас написано - транзистор нагружен на цепь ОС. Только почему-то забываете , что он не просто нагружен на нее , а охвачен ею , той самой ОС. 

Пардоньте муа. 

1. Сравнивались искажения каскадов ДО охвата ООС - для чистоты эксперимента. Зачем мне вводить ООС, глубина которой зависит от усиления? Чтобы что? Чтобы она сгладила разницу в искажениях? 

2. Петля ООС, во-первых, нагрузка каскада: она тянет на себя те самые режимные миллиамперы от постоянного тока каскада. А уж во вторую голову цепь ООС - цепь ООС: это - вторично по отношению к исходным искажениям. Screenshot_30.thumb.jpg.0f1cb5d8f433e9f00a21f220a7d00706.jpg

Два корректора, но один - допиленный.

.thumb.JPG.9b44d18767beb6e39feabb02e97f5912.JPG

АЧХ совпадают, за исключением: у Кенвуда предвозбудный звон в виде жёлтого бугра из-за плохой коррекции. 

 Так вот, на входе ОЭ верхней схемы - 230 мкВ сигнала, а на входе кенвудской - 600 мкВ, втрое больше. 

Понятно, где ОЭ будет исходно линейнее. 

Posted
20 часов назад, Сергей А сказал:

Тогда мы сможем равнозначно ( почти) сравнивать достигнутое. 

Бесполезно.

Никогда.

Совсем никогда. 

Нагруженный каскад не станет линейнее свободно работающего на бесконечные сопротивления токовых зеркал или генераторов тока. Просто-напросто в силу больших напряжений на нелинейной ВАХ эмиттерного перехода для получения большего размаха тока на низкоомной нагрузке. 

  • Like (+1) 1
Posted
8 часов назад, AlexKorotov сказал:

Тут похоже я вашим положительным опытом в области коррекции АЧХ не стану пользоваться, он мне не подходит совершенно (в отличии от УМ с глубокой ООС, которые мне удавалось запустить, и они понравились, типа видерхольда).

Как-то противоречие наблюдаю я. В УМ ООС нравится, в корректорах - нет, а ведь физические принципы усиления едины там и там. Тем более, странно, что непонятные корректоры втёмную вы слушали, а проверенные в симуле - нет. 

  • Like (+1) 2
Posted
8 часов назад, AlexKorotov сказал:

занимался по работе утилизацией старых приборов - осциллографов. И вспомнил, что там ни где не было ни каких глубоких ООС , обычно два каскада охвачены не глубокой ООС

К осцам не предъявляются требования линейности, только полосы и быстродействия.

Posted
6 минут назад, Андрей63 сказал:

Ещё вопрос , какой ток покоя на один корпус 2SK1058?

Ставили порядка ампера, при питании 2х27 В. Это ж класс А. 

  • Recently Browsing   1 member


  • Клубы

  • Сообщения

    • Так смысл разве с том что ктото купит? Ну и просто при  невысокого уровня комплектации схема раскроется на малый  процент , а звук не особо будет отличаться от еще более дешевых конструкций  на микросхемах например. Смысл городить лампы  в этом разе, кроме понтов,  никаких. Так просто не обьяснить надо слышать результат и разницу. И по опыту моему прирост уповня звука при замене мбгч итп на более звучащие оправдывает затраты на все сто. Надо учесть конечно что все прочее в системе  тоже не копеечно помоечного пошиба. Хотя бы тыс 30- 50, лусше более,  на компонент надо положить. Не говорю про сотни тыс и миллионы. Хотя при таком хобби за десятки лет увлечения миллион птратить, не велики затраты.  Оно ж остается,  а не теряется.
    • Оттуда не осталось Если осталось что-то здесь http://community.livejournal.com/tubesound_ru/64940.html Или это
    • Соориентировал все пластины заусенцами в одну сторону, собрал трансы. Набор 45х22. Не оптимально конечно,но для малых габаритов как то индуктивность получить. Без прокладки , с прокладкой 0,08мм, 3000вит.     
    • 64. Выходной трансформатор 1 шт. Планировался под гитарный усь, невостребован лет 20. Сечение 20-22*34 мм. Ктр каждой полуобмотки- 31,4. Rа= 4,215 кОм на 4 Ом. Или Rа= 8,148 кОм на 8 Ом. В первичке угадывается провод 0,15 мм, вторичка 4 провода диаметром 0,8 мм. Вторичку можно и последовательно- параллельно. Тогда Rа другой. Не распаивал на клемник. 1000 руб.   
    • Купил метилен хлорид. Для проверки налил немного в стеклянную банку и бросил туда две крышки в толстом корявом слое лака для трансов на EI66. Через 15 мин достал и протер. Лак остался плавать на поверхности. Перелил через фильтр. На фильтре лак с крышек.      Круть! Запах совсем не напрягает, жидкость сильно летучая, мгновенно испаряется. Загрузил пластины, залил и оставил на несколько часов.  Пластины до и после. То, что не слезло протирал металлической мочалкой для мытья посуды. Ее использую для очистки жала паяльника от окалины. 140 ш-пластин и 140 и-пластин..     
    • Во не помню  Вот не помню по сети от помех стояли кбги, а в схеме лампочек всякие типа лсе и польские и другие.   Да хают, просто есть люди мягко говоря зацикленные. А к40 мне нравятся, По-моему в магнитофоне нота стоял на в ходе с припаянным корпусом на корпус МАГа.   А я голову и не ломаю. Я всю музыку делю, (и не важно классика, джас, рок, попса народная и т. д.) на нравится или нет.
    • Очень хорошо, что последнее)).  Про глину перечитайте, очень полезно будет))).
    • Не обманули и не могли! Я не говорил, это вы писали, что капитал такой капитал.... наивный народ и неграмотные инженеры))) Я внимательно читаю, а про глину и дерево, это дядя какой-то написал, которого мы не знаем))) Нефик городить, пускай всё содержимое подвала шасси все помехи ловит))) Причем тут кличко, там, где у вас 3200 постов и вы там профессор математики или ещё чего из Лугано. Давайте закончим, это было последнее сообщение для вас, извините)))
    • Это бывает. Намедни дали одному предмет стеклянный, он и предмет разбил, и руки порезал. Но вы-то знаете, как нельзя, за вас я спокоен: вы-то на картонке паячить не станете. 
    • А их и не хает особо никто, а К40-У9 ставят в импортные усилители при реставрации там, ставят зарубежные самодельщики в переход в свои кустарные усилители. Там другие были ещё интересные, импортные, булькающие и с медной фольгой, и без них лампы уже не светили. Музыкальный слух тут ни при чём, он совсем другое означает. Неплохо, значит хорошо, и голову ломать не надо!
    • А если нет технической возможности выделить от подстанции свой проводок до усилка?  Если посмотреть на нашу синусоиду в сети, это Канадский  кленовый лист. Здесь по не воли приходится извращаться. и плящуюся сеть которая по всем ГОСТам не соответствует, тут уже ни чего не поможет, да же суд  с энергоснабжающей организацией. Обидно однако.
    • Так сделайте, раз должны. Мы за вас этого делать не будем. Нет накалов и бесполезно выброшенных ватт. Но не суть: если бы лампа давала такой звук, как камень, с этим можно бы смириться. Но она только жрёт, а молока не даёт.   Это очень похвально. Схему показать, конечно, вас не затруднит. Весьма обяжете.  Мнение - оно, как дыра: есть у каждого. А чем технически оно подкрепляется? 
    • мысль лучше почитать у АМЛ+ почему лампа и что такое транзистор. Всё просто и куда проще чем наркотик 
    • Не обманули и это хорошо, а ведь говорите, что могли и обмануть)). Такое: «Корпус изготовлен из чистой меди, что гарантирует открытое и стабильное звучание.» мог сказать только профессор, а ученики записать и опубликовать))). У вас с восприятием информации всё в порядке?  Вы внимательно читайте и не коверкайте то, что я писал. У меня, там где это нужно, два медных и три пермаллоевых экрана, посмотрите на фотографии. А вот там где можно обойтись и деревянным корпусом не надо ничего лишнего городить, это же очевидно. Чтобы не ломать голову где логика, просто внимательно читайте мои посты, обдумывайте, а только потом отвечайте.  Сам не пойму))). Вы это серьезно?!  Уважаемый вы что несете?! Последнее предложение вообще шедевр, Кличко отдыхает))).
    • Вот видите: вы такой опытный. Где вы видели у нас другие ВК?  Укажите пальцем, если не затруднит. 
  • Forum Statistics

    • Total Topics
      10.4k
    • Total Posts
      111.5k
×
×
  • Create New...