-
Recently Browsing 2 members
-
Клубы
-
Радиорынок
Public Club
-
ROCK-N-ROLL FOREVER!
Open Club · 9 members
-
Кружкин Дом
Open Club · 31 members
-
MASTER TUBER
Open Club · 5 members
-
Hi-end по-русски
Open Club · 59 members
-
Излишки тумбочки
Public Club
-
Радиолюбительские технологии
Open Club · 8 members
-
Магазин Иван Иваныча
Public Club
-
Джаз от SJ
Open Club · 24 members
-
Тестовый клуб
Open Club · 19 members
-
БАЛАНС
Read Only Club · 1 member
-
-
Сообщения
-
Я знаю, чем заканчиваются "эти беседы", тема уходит в сторону и начинается обсуждение о чём угодно, только не о сути самой темы. Всем, кому толком сказать нечего, пройдите мимо, оставьте тему тем, кому она интересна и кто желает чему то научиться в ней! Форум огромный, создавайте свои новые темы, если нужно просто языком потрещать, есть гуманитарный раздел в конечном итоге! Дополнительные разделы есть, вплоть до болтологии - зачем лезть сюда, если в транзисторах не разбираешься и просто пишешь ни о чём в тему! Не заставляйте администрацию разделять форум ещё на одну часть , третью!
-
By Владимир Перепелкин · Posted
Для того чтобы понять, что же предпринимать, нужно научиться видеть ошибки. -
Усилитель Naim NAP250 Предупреждение выдал Ollleg Выдано 1 балл, которые никогда не истекут. Ограничения публикации - 1 день и 3 часа Примечание для пользователя Флейм и пустой флуд в техническом разделе запрещён!
-
Олег ну не будьте так категоричны а то тема превратится в унылый учебник .
-
By Stan Marsh · Posted
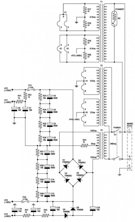
Кстати, в схеме Tim Mellow всего 1700мкФ на плечо: -
Вот и Сам Виктор Жуковский пожаловал на форум ! Приветствую тебя Мастер схемотехники !
-
И что стоит предпринять? И что стоит добавить? Ну или как с этим бороться? Рисунки Ваши познавательны Пс. Тема была бы интересна новая. Типа "косяки схемотехники и как с этим бороться" С примерами и пояснениями Если у Вас есть на это время
-
By Владимир Перепелкин · Posted
Витя, это эмоции лучше передает. Представь себе - вокал с журчаньем от пульсаций 100 Гц. -
Не зря на входе осциллографа С1-35 и С1-49 на входах лампа повторителем стоит, а дальше транзисторные каскады, УПТ однако.
-
By Sagittarius · Posted
Вот, например. Помехи, искажения с шин питания полезут на выход с усилением - через эмиттерный переход Т5 и конденсатор миллеровской коррекции, ток которого Т5 усилит в бету раз. Практически, это равносильно установке с грязной шины питания на коллектор Т5 - в сигнал - конденсатора, в 100...200 раз ёмче показанного 47 пФ, 4700...9400 пФ. -
By Sagittarius · Posted
Есть ООС, а есть её противники. И противники говорят: набирать усиление - легкотня, особенно, если они этого никогда не делали и рассказывают о ненапряжности тому, кто набирал. А вот дайте нам, говорят противники ООС, изначально линейный каскад, и мы вам покажем высший пилотаж в электронике. Но, так как сверхлинейных каскадов никто им не даёт, они имеют полное право сверхлинейных усилителей не делать, а виноваты в этом мы, кто не дал. Тогда мы сооружаем в симуляторе простую безООСную схемку о двух транзисторах: Итак, тут один транзистор нагружен на 10 кОм, другой - на генератор тока (и невидимое вами сопротивление коллектора Т2), выходное переменное напряжение у обоих одинаковое по ТЗ, а постоянное - ради честности сравнения. Самое скрупулёзное в схеме - ручной подбор идентичности режимов транзисторов по рабочему току и коллекторному напряжению, для полной сравнимости результатов, остальное вполне умопостигаемо. Каскад с резистивной нагрузкой развивает 52 дБ усиления, а с генератором тока - на 36 дБ больше, 88 дБ. Как разница в усилении сказывается на исходной линейности обоих каскадов, если ООС они не имеют вообще? Обычно я внушаю: каскаду с высоким усилением нужно меньше сигнального Убэ, рабочая точка по нелинейной ВАХ эмиттерного перехода смещается в более узких пределах, чем у каскада с меньшим усилением, потому линейность каскада с высоким усилением больше ещё до охвата ООС. Это и понятно. Но это неточное, качественное описание, судя по тому, что доходит этот факт мало лишь кому. При равных выходных напряжениях каскадов Кг первого - 1,7%, а второго - 0,18%, в 9,5 раза меньше. Это и есть тот самый всеми желаемый выигрыш в линейности ещё до охвата каскадов ООС, о котором говорили все, у кого был язык: дайте мне линейных каскадов и я вам сделаю - ух, какой! - линейный усилитель. И вот на показанных принципах снижения искажений с ростом усиления, а роста усиления - с повышением импеданса нагрузки, и зиждется здание точной, сверхлинейной аналоговой усилительной схемотехники - для всех планет и всех галактик. ㅤㅤ, [26.02.2026 12:00] На этих принципах основано применение токовых зеркал, зона 1, повторителей перед каскадами с низким входным сопротивлением, зона 2, генераторов тока как нагрузки, зона 3, выходных повторителей, зона 4, да и набор усиления в целом всем усилителем для минимизации разностного напряжения - фактора искажений входного каскада: Уразн = Увых / Кухх Для постояннотоковых задач эти решения обеспечивают точность следования заданным цепью ООС параметрам. Для задач точного звукоусиления реализация тех же принципов включает ещё и минимизацию нагрузочных импедансов каскадов от цепей коррекции, выбор наиболее высокоимпедансных величин матриц коррекции, наименьшим образом нагружающих каскады-работяги, усиливающие напряжение. И только тогда усилитель поёт. Величина переменной составляющей эмиттерных токов зависит от импеданса нагрузки ДК и требуемого напряжения на этом импедансе. Чем импеданс больше, тем переменный ток каскада меньше, ем он линейнее. Чем больше Ку последующего каскада, тем меньше ему надо входного напряжения для получения заданного напряжения на нагрузке, тем предыдущий каскад линейнее. Но чем больше импеданс нагрузки первого и Ку второго каскада, тем больше и полный Ку холостого хода, до ООС. Тогда АЧХ - это индикатор линейности ещё до охвата всяческой ООС. -
Мой друг, с хорошим слухом, уважающий только транзисторные усилители, проникшийся мурзилками, купил конструктор на Али типа аля Квод. Запаял. В начале хвалил. Потом положил на стенку под потолок. Сказал что это не то.. что он думал и читал.. Мой друг Миша, меломан, его хрен обманешь. Чинит профессионально кассетные магнитофоны, имеет свой канал на ютубе. Всегда говорит что думает и слышит. Я ему верю. Всегда ношу ему свои изделия, так как ламповые усилители, могут казнить только любители транзисторов. А мне это и надо, иметь безкомпромиссного слушателя, которому пофиг на лампу, тем паче мне интересно его "задеть" этой самой лампой..
-
-
Forum Statistics
-
Total Topics10.2k
-
Total Posts108.8k
-

Recommended Posts
Join the conversation
You can post now and register later. If you have an account, sign in now to post with your account.
Note: Your post will require moderator approval before it will be visible.