Выходные прямонакалы, 2А3, 300В AL1 и другие
-
Recently Browsing 4 members
-
Клубы
-
Сверхлинейность
Open Club · 8 members
-
Радиорынок
Public Club
-
ROCK-N-ROLL FOREVER!
Open Club · 9 members
-
Кружкин Дом
Open Club · 31 members
-
Мастерская
Open Club · 11 members
-
Hi-end по-русски
Open Club · 63 members
-
MASTER TUBER
Open Club · 7 members
-
Излишки тумбочки
Public Club
-
Радиолюбительские технологии
Open Club · 9 members
-
Магазин Иван Иваныча
Public Club
-
Джаз от SJ
Open Club · 24 members
-
Тестовый клуб
Open Club · 19 members
-
-
Сообщения
-
By Илья Александрович · Posted
Интересно, а когда лампы с надписью Telefunken выпускал филипс, рфт и может кто то еще, это был не обман? -
By Sagittarius · Posted
На Паяле vitj (Витя(?)) в теме про "симулятор - наш помощник" допилил Квод до предела. -
Но тогда бы и ценник был в разы меньше. Спекуляция на бренде , жульничество и обман в итоге.
-
У них (китайцев) , поверьте, своя вавилонская башня ..., и она уже начала разрушаться. Мы вообще живём в эпоху крушения человеческой цивилизации .... .
-
Вот не писали бы заветные буковки WE , не подписывали бы это словом Реплика, ну так и обманутых ожиданий бы не было. Все честно))))))
-
By Stan Marsh · Posted
Они таковой и являются, просто белый человек в силу своей ограниченности этого не видит. -
By Stan Marsh · Posted
Кроме того, речь не про интеллектуальную собственность, а про незаконное использование товарного знака. Впрочем, законное использование буковок WE на современных говноаппаратцах - это ещё хуже. -
Варворство от Цивилизации отличает одно - это наличие или отсутствие права (в том числе и права собственности) Офф. Сейчас в Европе идёт скандал, как китайцы купили у Аэробуса А320 ,разобрали его и путем реверс инженеринга слепили свой С919. Причём заявили что мол это новый крутой самолёт, будущий конкурент Аэрбасу и Боингу. Я думаю не стоит говорит ,как охренели французы ,намекнув Китаю ,что мол парни так дела не делаются. Но самое смешное в другом , что эту "копию" даже в Китае почему то не хотят брать ,предпочитают оригинал. Вот и задумаемся ,в чем тут китайцы правы.
-
Они себя считают высокоразвитой желтой расой , с отменой ряда важных жизненных принципов. К примеру -не делай того , чего не хочешь , чтобы сделали для тебя ... . Обман и лукавство , не знаешь, соответствует это заявленным ими же параметрам или на бумаге одно, в реальности всё хуже. В аудио от Китая это представленно просто вопиющим образом , причем на всех почти уровнях аудиопредставительства , кроме ряда исключений . Это как грибов много, а съедобных и полезных -всего два, три . Общий тренд - в аудио , параметры их ламп не гарантируются обмерами . Тот же кенотрон , к примеру, китайский клон (точная копия должон быть) W.e.274В , даташит по накалу -2 а , в реальности 3,5 а. Но звук хоть как ? А никак , звук любого усилителя с ним превратится в ""мультяшный"" по тембрам , в серьёзный проект уже мимо. Подогревают котел и российкие аудиошоумены ... , уровня .. https://dzen.ru/video/watch/653635c79b7f8029a2bff753 Но вот почему я уважаю объективистов , эти люди в аудиосказки не верят .., сначала обмеры и тест , потом спектакль субъективизма. По обмерам , был этот усилитель в моей лаборатории , реальная полоса (-3дб ) : 16000 гц. Выход - не более 25 вт . Потребовались нешуточные усилия по изменению ряда принцип. точек схемы этого мостодонта , чтобы принудить его звучать в приличной аудиопарадигме .
-
В общем "украсть" у всех примерно одинково. У других патентные войны и вымогатели. А вот типа обмануть - это точно беда: ничего не покупали оттуда напрямую? Типа 20 бабок - уже рупь. Хотя на западе клювом щелкать точно не рекомендуется.
-
By Stan Marsh · Posted
Китайцы считают абсолютно правильно: интеллектуальная собственность - чушь собачья, иначе сажать за её нарушение придётся всех, начиная с европейцев. Не говоря уже про североамериканцев. -
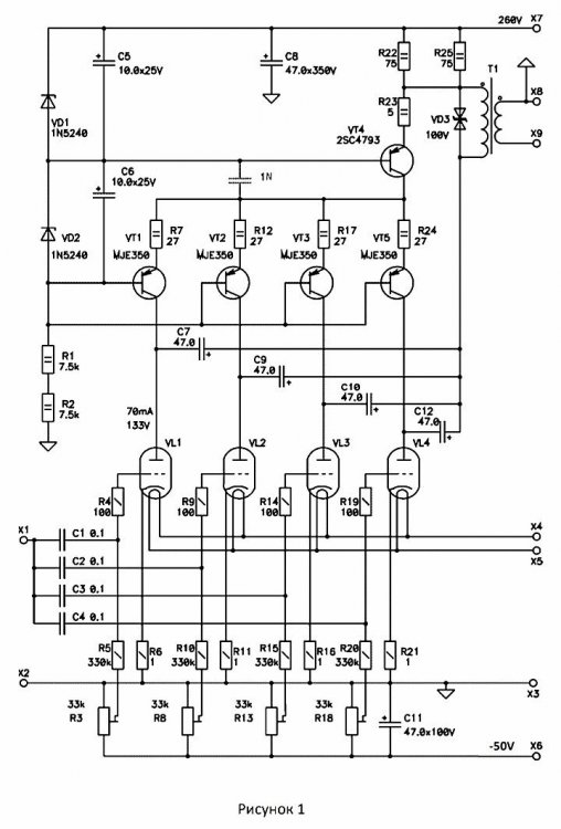
Ребята а можно здесь какую-нибудь практическую хрень выложить? Вот рисую что-то вроде упрощёного "ориентира", правда в формате Eagle 770, ну если совсем кому понравится в лэйаут по картинке могу попробовать перевести, пробовал, что-то получается, у меня похожая трассировка на "Эльбрусе" в общем сработала, псевдо двухсторонка, двухуровневое питание, выход, силовое питание, пятаки на обратную связь (FB), земля всё рядом на небольшой площади, защита присутствует, 2-е пары выходных ну и ЛУТ дома легко umcap770.zip
-
Ну да. В этом и есть весь Китай-сплошное воровство интеллектуальной собственности.Что и говорил ранее. А ещё смешнее как они занимаются обс...м своих учителей, например высмеивают западный автопром (хотя все у них именно от запада).Ну я так понимаю ,там другая культурная мораль и это типа нормально у них считается.
-
КБГ- и , мн соответствуют ( скорее в усилении ) вполне меломанским требованиям , как большинство советского , желательно до периода начала распада СССР - до начала -середины 60-х край. Понять причины т.н. субъективизма в мире конденсаторов видится просто , если принять за основу, что экспертные возможности аудиосистем и особенно АС весьма различаются . Как шутят , кто в теме, скажи на каких динамиках ты ""сидишь "" , на каких АС слушаешь , и можно относительно говорить , что тебе позволят услышать ...( просто звук или и музыку . К примеру , худший сценарий , имхо, это кроссоверные с ФИ , компрессионные АС . Они есть замечательные , те же ATC или колоночки AN , но с ними скорее становятся аудиофилами , который ценят ""дорогой ""свой звук , поэтому и в кроссоверах тех же AN могут стоять от алюминиевых конденсаторов ( весьма музыкальных и тембрально достоверных) до в топе конденсаторов с серебр. фольгой , и уже добавляется специфич. ""силвер"" подсветка микродинамики , разрешение на максимум ..., но переиграет всю эту ""аудиофильскую дичь "" -касаемо дорогих кроссоверов , ""простой"" ШП -динамик , подключенный напрямую к усилению. Но в контексте антиШП , выбор конденсаторов крайне важен , так как от них будет зависить , как в итоге зазвучит многополосная АС - достоверно и реалистично (в приближении к ШП) или сюрралистично -универсально .
-
-
Forum Statistics
-
Total Topics10.3k
-
Total Posts111.5k
-

Recommended Posts
Join the conversation
You can post now and register later. If you have an account, sign in now to post with your account.
Note: Your post will require moderator approval before it will be visible.