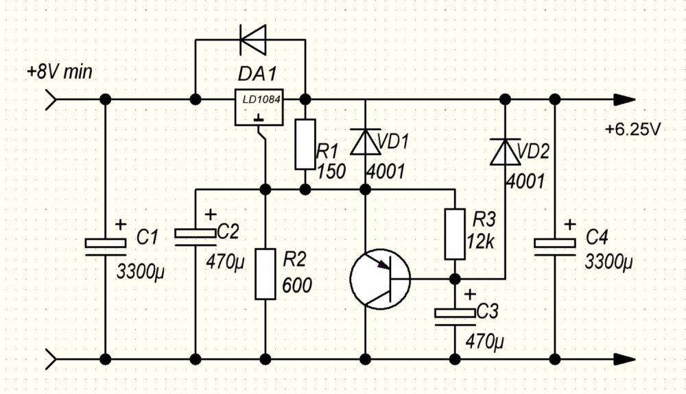
Софт-старт накала с последующей подачей анодного.
By
Meshochnik
in Power supply
Share
-
Recently Browsing 0 members
- No registered users viewing this page.
-
Клубы
-
Радиорынок
Public Club
-
ROCK-N-ROLL FOREVER!
Open Club · 9 members
-
Кружкин Дом
Open Club · 31 members
-
Излишки тумбочки
Public Club
-
Радиолюбительские технологии
Open Club · 8 members
-
Hi-end по-русски
Open Club · 56 members
-
Магазин Иван Иваныча
Public Club
-
Джаз от SJ
Open Club · 23 members
-
Тестовый клуб
Open Club · 19 members
-
БАЛАНС
Read Only Club · 1 member
-
-
Сообщения
-
Эх.. Посыл Вы не поняли. Перейдите пож. в тему юмор, там участник под ником Михаил хорошие картинки выложил.
-
Ну вот прошло время. Что можно сказать, или начать с того что до этого мой эталон на 2А3. Усилитель на 2А3 многие брали, слушали всем он нравится, последние соревнование было с маранцем транзисторным, двойное моно, модель не уточнял, вес кг 20 или более и цена на вторичном рынке как я понял 300тр. Ладно суть не в этом, 2А3 понравилась больше. Те такой усилок, весь на блэк гейтах , резисторы мощные японские безиндукционная проволока и тд. А теперь вернёмся к EL804, звук другой, чёткий, каждая нота атдельно и на своём месте, баса на слух меньше, точнее другой, быстрый и точный, голос , высокие . Первые часы хочется вернуть 2А3 на стойку, потом втягивает звук, даже Ария которую я не слушаю, не нравится, зацепила и многие жанры. Звук как бы линейно динамичный и без всякого послезвонья или как бы по другому сказать не знаю. Жена приговарила усилитель на 2А3, сказав он не такой динамичный и быстрый. Когда я включил ей для сравнения 2А3, послушала, а под ел804 начала подтанцовывать в комнате. Как смог так описал.
-
By Colonel Burrous · Posted
Это верно, не нужно сплетен. Я часто задумывался о том, почему невозможно повторить звучание старых усилителей на современной элементной базе. Стоят у приятеля Кводы на кт-66, 67 года выпуска, потёртые, страшноватые на вид, корпуса на винтах скрученные, а звучат-сказка! Просил продать, много лет просил, не продаёт. Пытались делать аналоги этих усилителей мои земляки с Ёбурга, но звучание от аналога сильно отличалось далеко не в лучшую сторону. Какая-то неведомая сила объединяет воедино аудиокомпоненты для достижения максимально лучшего звучания девайса (вспомним скрипку Страдивари). А появление Битлз ? Ведь какая-то сила свела их вместе, ответов нет на данные вопросы. -
А чем хороши эти конденсаторы? По измерениям на фото там ESR=2 ома..... Из танталовой фольги ... это понятно, но в чём весь цимес для звука?
-
Для тех, кто не понимает (не собирается разбираться) физики процесса - бесполезно. Типа будут мне разъяснения или нет!? Нет, не будет. Никого научить нельзя. Можно только научиться самому. Для всех остальных есть учебники по преобразовательной технике или обезьянничьем "силовой электронике" (англокалька) для вузов. Процессы в англолитературе были расписаны в Transactions on Power Electronics, IEEE, тематический выпуск 1994 года, если память не обманывает, под редакцией тов. Ли из MIT. Ничего "нового" с тех пор не появилось, за исключением карбида кремния, да и тому 25 годиков скоро будет. Относительно отечественного просто беда, в связи с далеко не техническими проблемами конца сами знаете чего. Школы преобразовательной техники были как минимум в Москве, Киеве, Томске, Красноярске, Комсомольске-на-Амуре и даже в Таллине. Может где еще - всего знать невозможно. Всё там (в выпрямителе) однозначно: диод на момент выключения не должен иметь обратного тока. Это очень просто реализуется в выпрямителе, работающем на емкость, например в резонансном режиме. Иначе, пока не протечет обратный ток диод не закроется. А потом закроется за наносекунды, развлекая народ кондуктивными и индуктивными помехами. При 2-х ПП выпрямлении с работой на дроссель с непрерывным током наличие коммутации индрасса требует неких мер по демфированию колебаний паразитного контура(ов), например RC цепью, в "простонародье" "снаббером". Большинство приборов на основных носителях, типа Шоттки, на самом деле имеют обычный диод в параллель, чтоб падение было поменьше, отчего заряд восстановления существует. Опять же стандартные Шоттки имеют большую емкость, что не облегчает задачу. Можно сделать активный выпрямитель к "обычному" диоду, дабы последний не успевал набрать бОльший заряд неосновных носителей и так далее и тому подобное. И, как положено, для всего остального есть какой-то там кард, как в пресловутой берестяной грамоте, а именно: "Брате, ... лёжа", что означает (это разъяснение, для тех кому требуется) делайте из того, что есть, если вы ничего из вышенаписанного не поняли. Всем удачи! Начинаем кидаться "сс...ми тряпками" и прочими аттрибутами театра 19 века. P.S. Кто ходит в ..., запрещенный на территории РФ, бывший на букву Эф, там есть хороший форум по преобразовательной технике. Можете ведущих спецов спросить чего...
-
Судя по номиналу, данные конденсаторы не для этой схемы. Для таких малосигнальных устройств существует довольно широкий выбор фольговых конденсаторов. Даже скажу крамолу)), пробовал использовать в LCR коррекции неполярные электролиты BG N 4,7х50, каких-либо противопоказаний обнаружено не было. Совершенно не в пику Вам, но ответ на вопрос "что мы слышим и как это должно звучать" до сих пор никем не сформулирован. Хотя тема, безусловно, интересная и, наверное, достойна отдельного обсуждения.
-
На мой взгляд спор остроконечников с тупоконечниками. На старом АП году этак в 2015 LYNX Дмитрий Андронников прекрасно разложил преимущества БП на современных ПП Вот его пост: HEXFRED ультрабыстрые которые обладают "мягким" восстановлением, в частности серия HEXFRED от IR. Очень хороши и дешевы из них HFA04TB60, HFA06TB60, HFA06TB120. 1. HFA... есть на 600 и 1200 вольт у меня, на фото 08TB60 - 8А 600Вольт. 2. MUR860 - тоже оч. неплохие ("быстрые и мягкие") диоды 8А 600 Вольт. 3. MURS160 - 1А 600 вольт - отличные скоростные суперсофт рекавери SMD диоды, использую в основном в организации фикс. смещения... HERXXX по параметрам превосходят обычные "фасты" типа FRXXX, но, на мой взгляд немного "морально устарели"... Для фикс. смещения и выпрямления анодного, помимо MURS-иков (неск. постов выше выкладывал), еще оч. неплохи и недороги/доступны BYV26 "Виши" или "Филлипс" - тоже пробовал с весьма положительным результатом... BY329, очень приличный и недорогой. В смещение прекрасно подходят недорогие шоттки SR3010 (100в./3А), SR1100 (100в./1А). Да и ультрафасты UG 2D; UG 2С (2А./200В.; 2А./150В.) с временем восстановления 25НС. тоже вполне годятся. Уже доступны карбидокремниевые, о чем выше и писали, которые лишены недостатков старых диодов ПП. Нет там никаких выбросов, звона и прочей шелухи. Зато низкое сопротивление, кондеры быстро заряжаются и также быстро отдают энергию. С масштабом и воздухом тоже все отлично, не надо натягивать сову на глобус. Я не против кенотронов, у самого ФК на кенотроне, но РР на КТ-88 на кенотроне? да ну нафиг... - преимуществ 0, а затрат как ещё один усилитель.
-
Если не "намыливать" грампластинку после УЗ-мойки, то аппарат Russ'а прекрасно высушит.
-
Возвращаемся к теме и поменьше отвлекаемся, как там на других форумах - кто там прав, кто нет и т.д., нам своих обсуждений хватает, не будем уподобляться "бабушкам на скамейке у подъезда", хорошо?
-
Немного почистил тему, дальше продолжится - начну "чистить" участников.
-
Устал за жизнь от самоделок, но интересно вы сделали. Мне нужна больше не чистка , а сушка, т.е высасывание жидкости с дорожек. Т.е первое идет УЗ, а сушка как вакуумная машинка
-
видел , эта 2 по 100мкф станет 5000р, дороговато как по мне
-
Так а это чем не тема, у меня тоже все с алика, добавить просто: "собираем сами" :)
-
By Mark Levinson · Posted
Russ3000, хорошо бы перенести ваши сообщения в тему про мойку винила. Надо попросить модераторов.
-
-
Forum Statistics
-
Total Topics9.6k
-
Total Posts102.3k
-

Recommended Posts
Join the conversation
You can post now and register later. If you have an account, sign in now to post with your account.