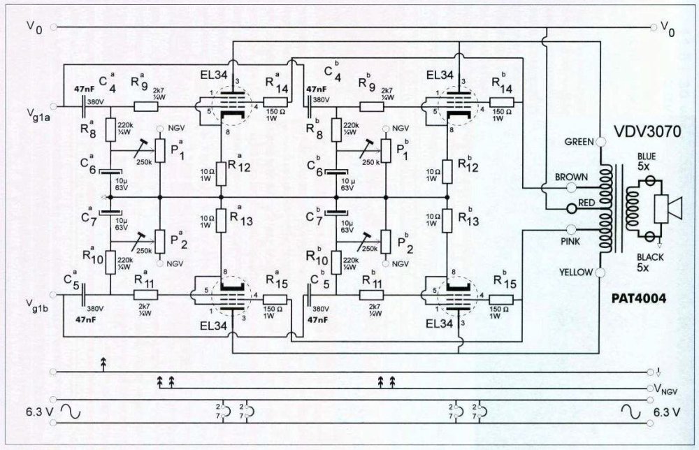
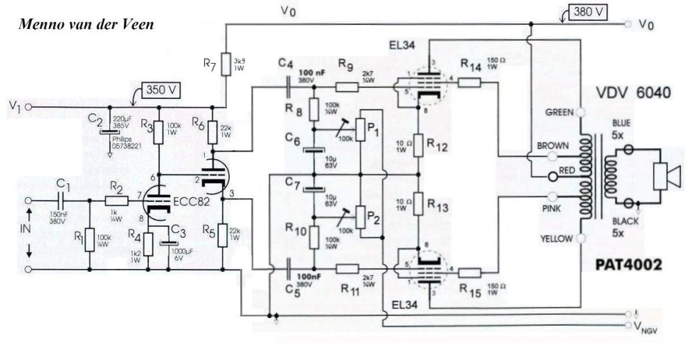
Двухтактные усилители на EL34
-
Recently Browsing 0 members
- No registered users viewing this page.
-
Клубы
-
Радиорынок
Public Club
-
ROCK-N-ROLL FOREVER!
Open Club · 9 members
-
Кружкин Дом
Open Club · 31 members
-
Излишки тумбочки
Public Club
-
Радиолюбительские технологии
Open Club · 8 members
-
Hi-end по-русски
Open Club · 56 members
-
Магазин Иван Иваныча
Public Club
-
Джаз от SJ
Open Club · 23 members
-
Тестовый клуб
Open Club · 19 members
-
БАЛАНС
Read Only Club · 1 member
-
-
Сообщения
-
Далее идет чистая спекуляция, не имеющая к визави никакого отношения. И здесь поняли про записывающее и считывающее, продолжая развлекать народ домыслами. Про плохие транзисторы и хорошие лампы. Лампы тоже кривые, но по другому. И это тоже понимаемо. Раньше учили 2 семестра полупроводникам с курсовым проектом и два семестра электронным и ионным приборам, а потом, тоже год - аналоговой схемотехнике, опять с курсовыми. Дискретная и ЦОС отдельно. И механике прикладной и теоретической. И теории, электромагнитного поля. Зависело от специальности. Сейчас - вряд ли. Нет, я ничему такому не обучен, но рассказжу, что такое длинный тракт...
-
Где это вы такое находите и разносите, множите по всему интернету? На дзене, вконтактике? Чтобы писать с цифры нужно дорогое оборудование, тогда это оправдано, если одновременно выпускаются сиди и сакды, дивиди аудио, это надо много денег, только приличные конторы могут себе это позволить. Пишут на древних, восстановленых резаках 50, 60 годов, с таких же древних магов, а мастера покупают у других контор, которые занимаются записью на лак. Кто побогаче на рекордерах 70-х, редкие на дорогущих vms 80, или vms 82 с DMM, переделанных с меди на лак, чисто DMM в мире осталось несколько штук, говорят, и эти записи с них и собрался слушать наш кэтБот:) А в вашей цифре нет электролитов, обратных связей - их просто невероятное количество, десятки тысяч, а не большое множество и всё сделано на массовых, копеечных деталях. Я вижу только оконечный усилитель.... у престо, ланжевина, ортофона, гатэма, ноймана и других, а их было множество, точно такие же схемы, и они все не в классе А. Не открылось! Снял с изголовья нотбук, пошёл после застолья раздолбаный разъём перепаивать в пятый раз, пошла вонь, всё, спалил...🤣 Так шта кина не будет... схем больше нет, картинки полностью ламповой студии, пишущей на несколько именитых фирм, тоже не будет со схемами на лампах 6922 (6Н23П), если кто-то спросит: Предъявите ваши доказательства! - Не предъявлю.... Так я тоже согласен, тоже за короткий тракт, а он, к сожалению, совсем не короткий, нет канала с головки на вход усилителя, нет усилителя канала перемещения каретки cutting head, ещё пятого десятого, компенсатора, нет усилителя для мониторинга и т.д. и т.п. И рекордер, cutting machine, это заключительный блок тракта записи, завершающий, а перед ним двухканальный маг, компрессоры, лимитеры, пульты, микшеры, консоли, микрофонные усилители в самом простейшем случае, а всё простейшее закончилось на плиз плиз ми.... может хэлпе. Началось уже не такое простое, а сложное, двухканальный маг остался только один, добавилось ещё три штуки четырёх, восьми канальных, ревербераторы, ещё кое-что, это середина 60-х, усилители рекордеров стали транзисторные, так было везде, в америке, англии, австралии, на Кубе. В лучшем случае, в других местах уже всё было на транзисторах, к 70-у году с участием мелкосхем, всё, звук умер....⚱️ Совершенно верно, патефон для бедных, а граммофон для богатых, шутка. Граммофон это здоровенный камод тогда, в старые времена, или, например, современный граммофон С.П.Банковского - огромный рупор с довоенным приводом директдрайв от Торенса, или конкурентов. Тонарм поворотный, на форуме картинка есть. Это вам ничего не страшно, но даже один транзистор на входе портит звук, факт! Пример: усилители Jadis "DA30" и "Orснestra". Только в теории, на практике далеко не всегда и не везде, да, далеко не очевидно. Самый худший носитель это конечно СиДи, а шум нас вообще не беспокоит, на виниле его практически нет, разделение у лучших головок 35 дБ, это какая-то безумная цифра, переведите в числа, на неё можно даже и не смотреть! Реальный, средний ДД винила от 48 дБ и до 70-и, в качественном исполнении, с Долби А и т.д. А у СиДи вплоть до 8 дБ в разной попсе и роках. Полоса у винила шире, при всяких теперешних фильских способах под 50 дБ. Престо К8 А вы от чего удовольствие получаете, скачивая с рутрекеров и кобузов разных контент музыки Золотой эры, например, слушая звёзд того же блю нота 40-50-х, записанных в прокуренных кафе? Вы, конечно, не слушаете, а другие балдеют, слушают свои "хайрезы", воложенные непонятно кем и не понятно с чего записанные в инет, и на самом деле записанного когда-то Престо К8 и обработанного разными цифровыми кудесникам и ремастерами :) 🤣😁 Это вы, фактически, так обозвали Ю. А. Макарова и его лучших учеников Белозёрова и Айсберга 😊 Сергей, не так давно писали: ....Я не пользуюсь впн-ом. Те что не открываются видимо не ставлю.... Вы не пользуетесь, якобы, но выставляете в разных местах, а они таки не открываются.
-
"- Очень вызывающие, я бы такие не взяла. - Значит, хорошие сапоги, надо брать" (с)
-
Двухполярное питание значительно бы упростило и можно выкинуть 4 богомерзких конденсатора на пути сигнала. Какой нить простенький бак-буст с сепиком.
-
Разделение - самый бесполезный для качества звука музыки параметр. Экзотические 90 ДБ цифры в ней не встречаются. Бесполезней наверное только цвет аппаратуры. Музыка лучше всего пишется тремя миками на двух коротких палках. "...The reason we did this and consistently did it and got away with it and got wonderful reviews and many many awards was simply that the localisation cues were missing, but the sound was fantastic."
-
Плохая идея, уменьшиться площадь прилегания железа и провод закоротит пластины - увеличатся токи Фуко
-
Решил выложить фото моих скромных трудов... 1. Усилитель для наушников (копия) Lehmann Black Cube
-
Непонятно причем тут разделение каналов и нюансы. Также а реале большого отличия в сигналах для одного уха, от другого, нет. Только если ухо высунуть в другую комнату
-
Читатаель напрмиер книг, и писатель , это разное, так что и в внилововм деле может разниться. Существуют и поворотные тонамры на рекордерах лаковых дисков
-
Да. Все удовольствие от виниловой темы чисто слуховое и визуальное. Красивые вертушки , диски , процесс :). Купил то что нравится и не ломай. ☝️ Слушай почаще . А всякие метровые палки приспосабливать это для глупых мазохистов , зашедших не ту дверь :)
-
Это каждый для себя сам решает, как ему поступать при проектировании и изготовлении лампового усилителя... Также каждый выбирает для себя подход исходя из своих возможностей... Я же никого не агитирую... 🤷
-
Это факт. Ибо в "писателе" всё именно так и есть. С электроникой и механикой. Иначе бы и писатель был поворотный и чисто механический. Кстати фонограф уже был перпендикулярный, то бишь тангенциальный.
-
-
Forum Statistics
-
Total Topics9.6k
-
Total Posts103.9k
-

Recommended Posts
Join the conversation
You can post now and register later. If you have an account, sign in now to post with your account.