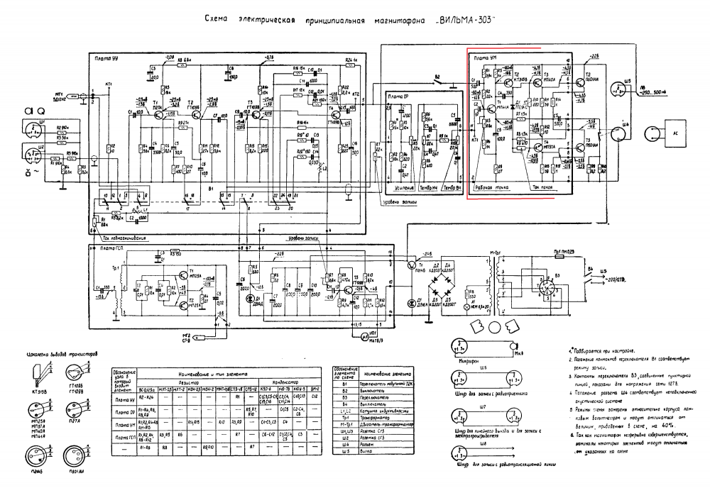
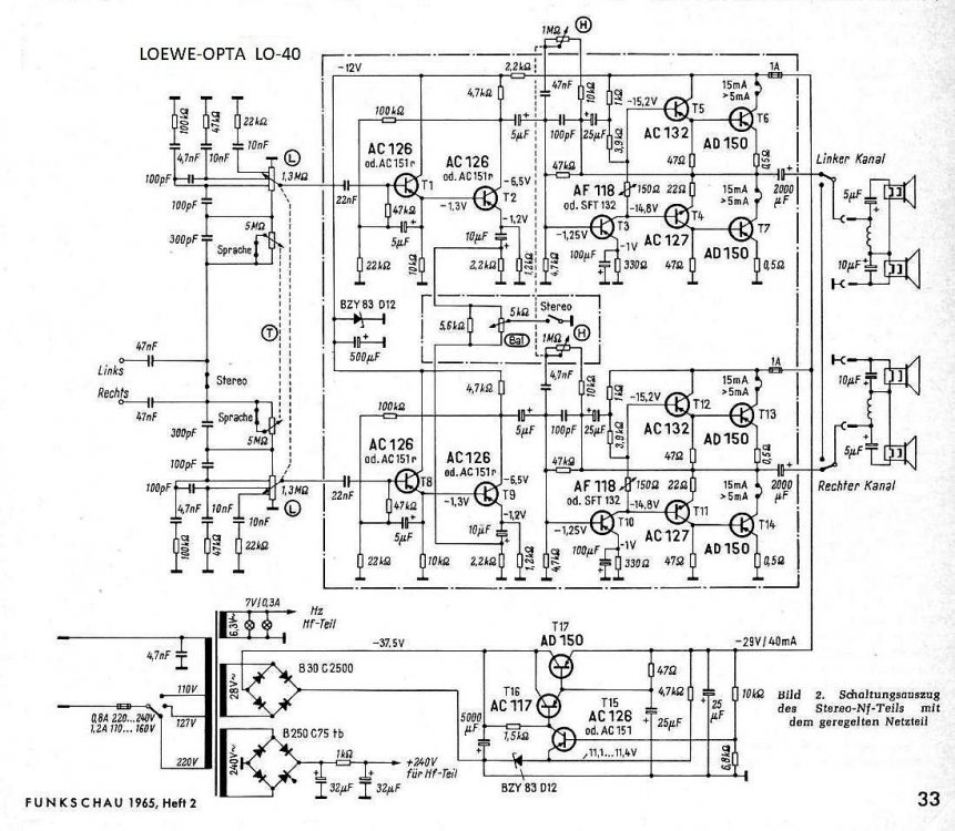
Усилители на германиевых транзисторах
-
Recently Browsing 0 members
- No registered users viewing this page.
-
Клубы
-
Радиорынок
Public Club
-
Сверхлинейность
Open Club · 11 members
-
ROCK-N-ROLL FOREVER!
Open Club · 9 members
-
Кружкин Дом
Open Club · 31 members
-
Мастерская
Open Club · 11 members
-
Hi-end по-русски
Open Club · 64 members
-
MASTER TUBER
Open Club · 7 members
-
Излишки тумбочки
Public Club
-
Радиолюбительские технологии
Open Club · 9 members
-
Магазин Иван Иваныча
Public Club
-
Джаз от SJ
Open Club · 24 members
-
Тестовый клуб
Open Club · 19 members
-
-
Сообщения
-
На шириках на подмагничивании поверял и лампах 30 х годов. Твм по моему еще более выпукло заметно что мбго ну сильно хуже приличных электролитов по звуку. Ставим во 2 сетку вых пентода мбго и сименс 30 х разница небо и земля.
-
Бывает захожу к uta5erika на рутрекер скачать качество LP. Прикинул его сетап- тянет на полмиллиона рупий. Поэтому и звучит как мне нравится.
-
А у вас и без трансформаторов фона не было, насколько мне память не изменяет. Я же не путаю? Копеечный микрофонник, у нас продавался в магазине музыкальных инструментов у приятеля, гитары, барабаны, усилители, примочки разные и прочее, рублей 400 стоили тогда. Ещё продавались простенькие китайские однотактные выходники для ихних, музыканских усилков, аккуратные с виду, хотел купить на попробовать, да руки не дошли. С Бокарёвым поменялись на трансики? Он хвалил, помнится. Причём тут прецизионные приборы, они ведь не предназначены для воспроизведения музыки. Никакого отношения к теме не имеют, совсем. Применяют как на русской земле, на японской, на любой другой одинаковый набор экранирующих элементов, в старого определённой последовательности, и применяют другие решения, везде одинаковые. И помехи простираются до сотен мегагерц. Это не вопросы, а факты. Делают массивные экраны, показывал выше. Экранируют странно: Применяют специальные сетевые кабели, иногда из серебра, применяют примерно лет 45-ть уже, столько лет этой кабельной индустрии : Это не вопросы, а констатация фактов, по теме, в ходе дискуссии.
-
By Mark Levinson · Posted
Agats, есть в продаже новые Сп3-30е, как раз то что вам нужно и по номиналу и по размеру и по крепежу, но сможете ли вы их найти у себя по месту это вопрос. -
Лаптев, перестаньте бредить, я нигде не предлагал китайских голов. Оцифровка может точно передать сигнал при наличии приличного АЦП и правильно выбранном битрейте. И ЦАП тоже должен быть хороший, а не на 5102 (есть у меня, звучит так себе, с 4499 ни в какое сравнение не идет)
-
Вы прям отступник от веры праведной какой-то 😊, и сам А.М. Лихницкий не очень об ОТЛ отзывался, а транзисторы аж прямо заклеймил позором! А если серьёзно, то да, разбираются точно также как и одиночные, и надо очень аккуратно, потихоньку лапки крепёжные отгибать, иначе при сборке они могут отвалиться. А я бы не смазывал подковки вообще, угольная пыль и масло...
-
Получается уровень и деньги таки влияют как-то на звук, а в ММ теме нашему товарищу посоветовали самую дешёвую китайскую головку. А разве оцифровка сможет все нюансы качества передать корректно?
-
И снова каюсь, стыдно признаться...да, слушал трансформатроный унч все выходные, но это между нами, настоящии ОТЛщики не должны этого знать, что я иногда сворачивую со светлого пути ОТЛ. ПС посмотрю на выходных потенциометры эти, но они двойные и насквозь два корпуса "пронзены" осью, снимется ли корпуса так просто как на одиночных? Благодарю господа за помощь, может точно удасться почистить сдвинуть если надо контакт и тд. А вазелин будет между контактом скользящим и проводящим слоем , это нормально?
-
У нас тоже, естественно, продают. Но в мастерских применяют комплектом, так правильно: https://www.wildberries.ru/catalog/361924422/detail.aspx Дорого и не совсем разумно применять дома. Найти оригинальные вам скорее всего не удастся. Надо разобрать имеющиеся, по возможности не отпаивая провода, они ещё и накручены на выводы, первую грязь убираете уайт-спиритом, начисто бензином галошей, спирт масло растворяет плохо. Да, токосъёмники можно передвинуть аккуратно при сильном износе, как писали тут выше.
-
Интересный Французский компактный вариант 803/813_х.
-
Вот обкатаю и кааак выложу оцифровку, сами заплачете
-
-
Forum Statistics
-
Total Topics10.4k
-
Total Posts111.7k
-

Recommended Posts
Join the conversation
You can post now and register later. If you have an account, sign in now to post with your account.
Note: Your post will require moderator approval before it will be visible.