Фонокорректоры с индуктивной коррекцией.
-
Recently Browsing 0 members
- No registered users viewing this page.
-
Клубы
-
Радиорынок
Public Club
-
ROCK-N-ROLL FOREVER!
Open Club · 9 members
-
MASTER TUBER
Open Club · 4 members
-
Hi-end по-русски
Open Club · 57 members
-
Кружкин Дом
Open Club · 31 members
-
Излишки тумбочки
Public Club
-
Радиолюбительские технологии
Open Club · 8 members
-
Магазин Иван Иваныча
Public Club
-
Джаз от SJ
Open Club · 24 members
-
Тестовый клуб
Open Club · 19 members
-
БАЛАНС
Read Only Club · 1 member
-
-
Сообщения
-
И это пройдет... Большинство качественных конденсаторов имеют искажения много ниже порога слышимости. В том числе пресловутый лавсан. Танталы, если kemet или vishay, стоят в питании со вполне конкретной целью. Ставить вместо них что "получше" не стоит...
-
Набрел тут на впечатления от 5102..Думаю будет интересно всем Купил желтую плату (которая с I2S входом, без XMOS) с цапом PCM5102A с али. Подцепил к китайской Аманеро. Дополнительно вывел переключатель режима цифрового фильтра (нога 11). Пришлось помучится немного с отгибанием ноги, которая на этой плате была припаяна на общий провод. В режиме нога 11 = 0 [ FIR mode - Normal latency] цап звучит с немного гипертрофированными низами, которые имеют хороший контроль, при этом СЧ слегка провалены и замылены. ВЧ частоты чистые и ясные. Звучание инструментов крупное и очерченное, но проваленность СЧ немного портит звуковую картину. В режиме нога 11 = 1 [ FIR mode - Low latency] цап заметно приобретает более широкое ясное звучание по СЧ и ВЧ. При этом гипертрофированность низов пропадает, их начинает недоставать (на моей небольшой акустике). Крупность и очерченность инструментов немного снижается. В целом звучание PCM5102 очень понравилось. Оно живое, естественное, без признаков синтетики. ЦАП всеяден на любых композициях от классики до транса. Даже экзотические треки, записанные в формате выдачи данных на ЦАП как 352kbps / 32bit, звучат отлично. Естественно что 5102 не переиграет AD1853 и ESS9018, но в классе ультрабюджетных ЦАПов, я рискну сказать что это лучшее что удалось услышать. Доработки платы: - Питание AVDD, аналоговое +3.3в, было доработано, родной стабилизатор AS1117-3.3 удален и на макетной плате спаян стабилизатор на ADM7150-3.3. - Конденсаторы в обвязке ADM использованы Elna silmic II. - вся керамика истреблена и заменена на фторопласт. Ess9018 с керамикой и танталами в цепях? Нет уж извольте. Звук тут уже похоронен. Мои красавчики... Желтые танталы на очереди.
-
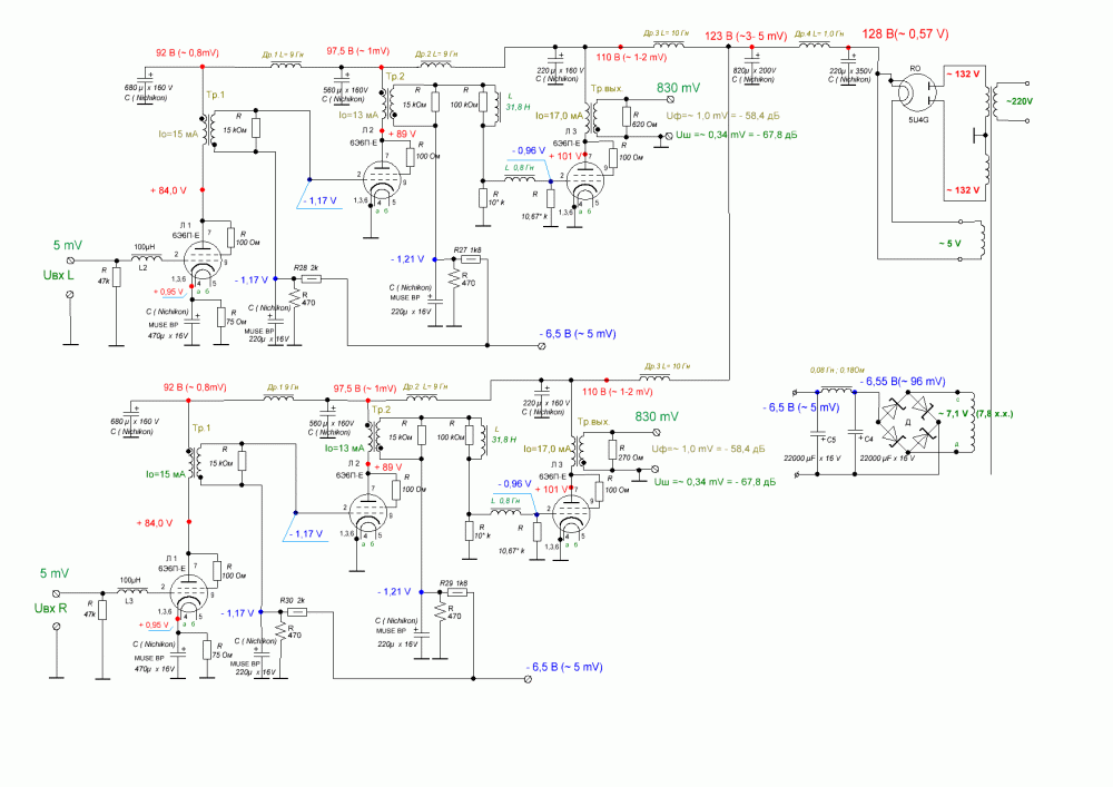
Первые замеры Каналы немного отличаются , но я ещё не подбирал лампы , взял первые попавшийся.
-
Хочу выразить ВКН огромную благодарность за идею 6ф6с с непосредственной связью ! Сегодня наконец то появилось время собрать макет . Запустил в 21 00 примерно , сейчас почти 2 ночи , не как не уйду из мастерской . Сейчас в драйвере одна 6н7с , катод на земле через резистор , зашунтированный ёмкостью. 6ф6с в пентодном включении , 2я сетка питается от анодного драйвера . Ос пока только местная , с вторички твз в катод 6ф6с. Блок питания пока простой на диодах шотки. Твз пока китайские с али экспресс. Очень мягкое, но при этом детальное звучание . Выключать не хочется . За внешний вид конечно немного стыдно , но это всего лишь макет . Чуть позже будут вопросы по постройке блока питания на кенотроне .
-
при переключении анодных половинок не будет связи с какой-то половинкой вторички
-
Неээ, на дельфина давно не претендую. Хотя в свои 59, 14 кГц вроде ещё слышу.
-
By Илья Александрович · Posted
А оно точно под 4А32 делалось изначально? больше похоже на корпус под 3-х полоску, для 4А32 дырка слишком низко, разве что на подставке. Кстати отверстие большое какого диаметра? может туда что-то другое поставить нежели 4А32, именно НЧ, т.е. 3 полосы таки сделать.... или использование 4А32 это обязательное условие? Переборки с дырками как выше Сергей написал однозначно нужны, толщина фанеры хорошая, но при таких размерах нужны они или если корпуса склеены и не разберешь то распорки между боковыми и передней/задней стенками. -
By Stan Marsh · Posted
А что изменилось? Уши стали другими? Или теперь мы должны учитывать предпочтения дельфинов и летучих мышей? Так для них есть транзисторные усилители и супертвиттеры, а мы уж как-нибудь обойдёмся. Кстати, почитайте на досуге ГОСТ, IEC или DIN, там разве про то, что после двенадцати с полтиной килогерцов всё падает вниз стремительным домкратом? Ещё можно к ЛОРу наведаться, он тоже много интересного расскажет. -
Во времена Цикинана были несколько другие требования по "высому качеству" ТВЗ. 12 килогерц по "верху" это уже первый класс, а 16 кгц. самый высший. А вот если почитать про импульсные трансформаторы то там поинтереснее по железу, намоткам и секционированию...
-
Это не другое, а разумное направление, скорее разумное для теоретиков, но уже было,когда практика шла впереди теории полосовые системы работают именно так, как им легче всего легче им? Но звук нужен мне, с моим восприятием окружающего 4 8" НЧ карликовыми я бы не называл, бюджетными тем более - общая площадь подвижек 880 кв см - это эквивалент 15" динамика у этих нч динамиков, на резиновых/поролоновых и тд подвесах, звук как от ударов по камере мяча, наполненой водой СЧ конечно один - ДНА ровная, без иголок и плавно сужающаяся там, где СЧ передает эстафету ВЧ. Полоса СЧ 160-4500 Гц. Это основной диапазон, куда влезают практически все основные тона инструментов был плачевный опыт коллективного тестирования мощных референсных 3х полосок со 130 вт моноблоками Tesla, когда на сольной партии гитары сдохли среднечастотники, вот вам и полосовые системы работают именно так, как им легче всего Фильтры умертвляют звук - характерное заблуждение не особо опытных колонкостроителей об этих явлениях говорил еще ББ; у меня 8 шт Визатон В200 (по 4е в гармони); пробовал вариант 1,5 полосы на В200, терялась атака из-за индуктивности; пробовал 2*В200 в полную полосу + 2*БГ20 через индуктивность на нч, тоскливо Я лично поклонник ШП динамиков ну хоть где-то есть точка соприкосновения :)
-
Это не другое, а разумное направление, полосовые системы работают именно так, как им легче всего. 4 8" НЧ карликовыми я бы не называл, бюджетными тем более - общая площадь подвижек 880 кв см - это эквивалент 15" динамика. Для квартиры мягко говоря не мало... СЧ конечно один - ДНА ровная, без иголок и плавно сужающаяся там, где СЧ передает эстафету ВЧ. Полоса СЧ 160-4500 Гц. Это основной диапазон, куда влезают практически все основные тона инструментов. Фильтры умертвляют звук - характерное заблуждение не особо опытных колонкостроителей. Я лично поклонник ШП динамиков, но это вовсе не значит, что всё остальное в акустике мертвозвучащее и неправильное..
-
Евгений, я не педагог! Это МАИ всем сопли утирал. Чем и развратил общество. Люди перестали читать книги, изучать теорию, анализировать. Им нужен только ответ на ежеминутно возникший вопрос. И по их понятию, инженеры должны выстроиться в очередь за право ответить на эти вопросы. Не первая тема, которую стоило бы игнорировать.
-
Константин. А что происходит если мотаем одну половину первички на одной катухе, а вторую на другой?
-
Хочу предостеречь от попытки намотать по половине первичке на одной катушке такого магнитопровода. Части полу-первичек должны быть на каждой! В демонстрационном варианте на каждой катушке 5 секций одной части первички - секция вторички - 4 секции второй части первички. Первички перекрестно-последовательно. Вторички параллельно. Но это UL - вариант. В других случаях секции первички одинаковы.
-
-
Forum Statistics
-
Total Topics9.9k
-
Total Posts106.7k
-

Recommended Posts
Join the conversation
You can post now and register later. If you have an account, sign in now to post with your account.