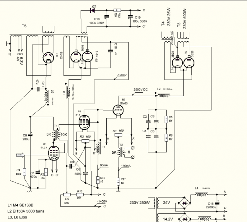
Идеология построения высоковольтных усилителей.
Share
-
Recently Browsing 0 members
- No registered users viewing this page.
-
Клубы
-
Радиорынок
Public Club
-
ROCK-N-ROLL FOREVER!
Open Club · 9 members
-
Кружкин Дом
Open Club · 31 members
-
MASTER TUBER
Open Club · 5 members
-
Hi-end по-русски
Open Club · 58 members
-
Излишки тумбочки
Public Club
-
Радиолюбительские технологии
Open Club · 8 members
-
Магазин Иван Иваныча
Public Club
-
Джаз от SJ
Open Club · 24 members
-
Тестовый клуб
Open Club · 19 members
-
БАЛАНС
Read Only Club · 1 member
-
-
Сообщения
-
Приехал. Я ожидал меньших размеров, а этот прямо такой сбитень. И хорошо что серебро, посветил лампой, а там пыли. Сразу убрал косяк, то ли был, то ли при доставке оторвался. По корпусу- если я обращусь с в местную резку сделать такой же, то боюсь даже сказать сколько сейчас попросят, да вряд-ли они сделают подобный. Как обычно, ящик для гвоздей. И это за необработанный люминий. Входные лампы разные. Китай и наша. Выходные -Китай. Пойду пороюсь в сарае по 6н3п. Позже выложу измерения. И сразу в глаза - аккуратный монтаж!
-
Продам пару SE выходных трансформаторов на аморфных магнитопроводах ,для проекта на 211 лампе. Первичная обмотка на 12К ,вторички две на 8 и 16ом. Полоса частот на 1Ватт мощности с 211 лампой 9Гц-23кГц -3дБ Намотаны бескаркасно, с послойной промазкой лаком. Вес каждого трансформатора около 7кг. Цена за пару 650 USD . Отправлю в любую точку мира. Цену доставки надо уточнять отдельно
-
Нет, не занимался , при сборке было не до этого. Все скоммутировано давно. Просто вспомнил по случаю насыщения торов. Но видимо и никто не занимался подробно изучением стартовых токов при различном включении вторичных обмоток. Мне пока не надо. Подождем , кому приспичит :) Как тор хрюкнет при старте значит это оно. И не факт что только тор.
-
Продам радиоламы, в основном россыпь, некоторые есть в коробочках, Б/У там где указано. НАЗВАНИЕ КОЛИЧЕСТВО ЦЕНА за 1 ШТ. РУБ 2Д2С 13 100 2Д9С 2 100 5Ц8С 8 200 5Ц9С 15 200 6А7 1 100 6А8 1 100 6Б8С 1 100 6Г2 1952 г. 1 250 6Г7 1 120 6Д20С 1 100 6Ж10П 14 50 6Ж11П-Е 32 80 6Ж1П 20 40 6Ж1П-Е 1 50 6Ж1П-ЕВ 7 60 6Ж2П 10 40 6Ж2П-ЕВ 5 60 6Ж3 1 60 6Ж32Б 7 50 6Ж32П 1 200 6Ж38П 1 50 6Ж3П 7 40 6Ж4 6 100 6Ж43П 6 50 6Ж49П-Д 2 50 6Ж49П-ДРУ 2 150 6Ж4П 1 50 6Ж52П 8 80 6Ж5П 10 50 6Ж7 2 100 6Ж8 4 80 6Ж9П 23 40 6Ж9П-Е 7 60 6И1П 6 70 6И1П-ЕВ 14 100 6К13П 14 80 6К1Ж 1 50 6К1П 6 50 6К4П 5 60 6К7 2 100 6Н14П 36 50 6Н15П 11 40 6Н16Б 2 100 6Н1П 25 50 6Н1П-ВИ 5 100 6Н1П-ЕВ 13 100 6Н24П 9 70 6Н2П 12 50 6Н3П 17 50 6Н3П-Е 6 50 6Н3П-ЕВ 2 60 6Н3П-И 11 60 6Н5С 1 200 6Н6П 6 150 6Н7С 2 80 6Н7С Ташкент 3 150 6Н8С 1 180 6Н8С Ташкент 1 250 6П13С 6 80 6П14П 3 200 6П14П б/у 4 50 6П15П 10 70 6П1П 3 100 6П31С 9 80 6П36С 2 300 6П3С 1 250 6П41С 2 200 6П42С 1 250 6П6С 1 100 6П9 19 120 6С19П 21 80 6С2С 1 150 6С3Б 2 50 6С3П-ЕВ 6 80 6С41С 1 200 6С45П б/у 1 100 6С46БВ 1 50 6С4П-ЕВ 69 80 6С53Н-В 13 50 6Ф12П 17 100 6Ф1П 15 60 6Ф3П 1 180 6Ф5П 10 80 6Х2П 6 30 6Х6С 2 50 6Ц4П-ЕВ 20 80 6Ц5С 4 50 6Э5П 12 120 6Э5П-И 1 120 6Э6П-Е 2 120 СГ-13П 1 50 СГ2П 5 30 ГУ-13 2 500 ГУ-17 6 150 ГУ-29 1 250 ГИ-30 8 200 ГУ-32 2 50 ГМИ-6 1 150 ГУ-19-1 2 150 ГУ-50 1 250 ГП-5 1 50 ИФП 2000 1 200 ИФК -150 1 200 ИСШ-100-3М 1 200 УВ-1019 2 100 ДКСШ 150 1 100 E80F Mulard б/у 3 300 EF 806S Tesla 1 500 EL84 Telam 1 200 EL 84 ГДР 1 200 ECL 82 Telam 1 150 ECC 82 ГДР 1 300 ECC 85 ГДР 1 200 ECC 85 Tungsram 1 200 EAA 91 ГДР 1 100 Нахожусь в Петербурге, Отправлю Почтой России, ОЗОН, Сдек на сумму от 500р.
-
Если (по К. Марксу) бытие определяет сознание , господа и товарищи , то для многих , имхо, всё печально . Позволю немного наглости , безмерно благодарен советскому периоду в своей истории аудио , волей судеб , сидел помимо обслуживания советского мультипроцессорного суперкомпа (по тем стандартам в 80-х) , в ЦПС , вся периферия и спирта 0,5 литра чистейшего в день . Но параллельно ремонты в аудиокооперативе , так что , все эти акаи и олимпы, с электрониками та-003 до кучи , видел реально - как и за что . Это всё смешной звук , если сравнивать с тем же Ревоксами 77 -ми или G36 . У самого в 80-е - протяга Ростов -102 , шумная , конечно , стеклоферрит -клон с тех же Акаев , но важно - УВ на полевом дифкаскаде и 544уд2а . Это уже посылало звук того же Акая 747 , увы , подальше. МС -картриджей в СССР не было , лучшее , по мне , это МI ГЗМ 0-55 (клон ортофона) , гзм-028 . У самого всё это и было , но слушал на Ортофоне https://mvert.ru/product/ortofon-vms-20e-mkii/ 'и проигрывателе Электроника ЭП-017 . Это , по тем временам и сегодня , - по музыкальности и тембрам -полный, имхо, ""вынос "" , ясный , конкретный , без этой расхлябанности в звуке (волнистая полка меандра , в отличии от Ортофона) клона 055 или перекошенного тонального баланса в 028. По мне , уже в даже в наши годы (если не лезть на аудиоэверест ...) , я полагаю для себя, что выбирать надо -или Ортофон , или всё остальное.... .
-
KZK Black Line - металлизированный полиарилат. KZK Blue Line - металлизированный полифениленсульфид. KZK Orange Line - фольговые, полипропилен. KZK White Line - металлизированный полипропилен.
-
By Stan Marsh · Posted
Пару лет назад десяток обошёлся мне в десятку. То есть по штуке за штуку. Кстати, они есть с подстройкой напряжения и без. Два минуса: один минус, то есть один общий провод анодного и накального, и второй - регулируется всё одновременно. Ну а в тех, что без подстроечника на плате - не регулируется вовсе. -
By Евлампий 2 · Posted
Спасибище! Когда (и если) будет что сказать, непременно поделюсь сравнительными впечатлениями. -
Не зажрались, а техника шагнула вперед, раньше, в 80х крутили диск телефона в надежде застать соратника дома, теперь нажимашь кнопочку и он отвечает где бы ни был. И с музыкой также. Теперь можно незадорого купить, а то и вовсе бесплатно скачать на торенте исходники музыкальных композиций в .dxf качеством лучше тех "мастерлент" , за небольшие деньги, в размере одного месячного зароботка, купить Акай77 или даже 747, ну кто где работает, на сдачу дадут приличных лент. с вертушками и головами также, вполне по силам, если не бухать месяц, или сдать бутылки, можно взять приличную вертушку из того, золотого времени и вполне еще рабочую, на приличную головку тоже не нужно год копить, да и пластинок кругом много еще. активизировались разного рода резатели винила, хоть ваши застольные мычания нарежут, только денег немножко дай. и тут вот сложность теперь с выбором, как и со всем остальным получается, не привыкшие мы к такому богатому асортименту всего.
-
Офтоп. Всё чаще ловлю себя на мысле, что как было бы здорово вернуться в конец моих 80х, слушать музыку на том, что тогда имел, радоваться каждой новой принесённой пластинке на перезапись на Олимп, слушать потом, ставя Орву на 540 метров или склеенную на 1 км, периодически спиртом протирая головку, наслаждаться тем, что тогда было. Какой был тогда кайф от всего этого! Не то, что нынче - и это не то, и то неправильно, а вот это вообще звучать не будет...Блин! Жили и радовались тому, что было и слушали то, что могли достать.... Зажрались видать, к старости и глухоте своей, всё не так и не эдак стало..... п.с. попозже сотру, дабы никого не раздражало.
-
Приветствую, Михаил! Вот здесь они растут: https://aliexpress.ru/item/4001003220219.html Только слабенькие они, по накалу более 2 А грузить не советую, зато плавный старт анодного!
-
-
Forum Statistics
-
Total Topics10k
-
Total Posts109.1k
-

Recommended Posts