Двухтактные усилители на EL34
-
Recently Browsing 0 members
- No registered users viewing this page.
-
Клубы
-
Радиорынок
Public Club
-
ROCK-N-ROLL FOREVER!
Open Club · 9 members
-
Кружкин Дом
Open Club · 31 members
-
MASTER TUBER
Open Club · 5 members
-
Hi-end по-русски
Open Club · 59 members
-
Излишки тумбочки
Public Club
-
Радиолюбительские технологии
Open Club · 8 members
-
Магазин Иван Иваныча
Public Club
-
Джаз от SJ
Open Club · 24 members
-
Тестовый клуб
Open Club · 19 members
-
БАЛАНС
Read Only Club · 1 member
-
-
Сообщения
-
ИТОГОВЫЕ РЕКОМЕНДАЦИИ ДЛЯ ТОРОИДАЛЬНОГО МАГНИТОПРОВОДА 1. ОБЩИЕ ПАРАМЕТРЫ Параметр Значение Примечание Тип усилителя OTL двухтактный на 10×6С19П (5 в плече), класс AB Выходная мощность 20-25 Вт Нижняя частота среза < 2 Гц Расчетная ~1.6 Гц Разделительный конденсатор Обязателен (3300 мкФ×160В) Исключает постоянную составляющую Магнитопровод Тороидальный, без зазора 2. МАГНИТОПРОВОД И МАТЕРИАЛЫ 2.1. Тороидальный сердечник · Размеры: Dнар = 130 мм, Dвн = 70 мм, h = 60 мм · Площадь сечения: S_c = 18 см² (0.0018 м²) · Средняя длина магнитной линии: l_c = π × Dср = π × 100 мм = 0.314 м · Объем: V = S_c × l_c = 18 × 31.4 ≈ 565 см³ 2.2. Материал · Трансформаторная сталь: Э340, Э350 или аналогичная · Начальная магнитная проницаемость: μ ≈ 5000 (при малых сигналах) · Динамическая проницаемость при рабочей точке: μ_dyn ≈ 5000 (при B=0.5 Тл) · Максимальная индукция насыщения: B_max ≤ 1.2 Тл 3. НАМОТОЧНЫЕ ДАННЫЕ 3.1. Провод · Марка: ПЭТ-155 или ПЭТВ-2 · Диаметр по меди: 1.1 мм (точно 1.08-1.12 мм) · Диаметр с изоляцией: 1.2 мм (макс. 1.25 мм) · Сечение меди: 0.95 мм² · Сопротивление: 0.0185 Ом/м 3.2. Число витков и отводы Секция обмотки Число витков от НАЧАЛА Действительное значение Назначение Общий провод (начало) 0 0 Общая точка схемы Отвод 4 Ом 149 149 ± 2 витка Для нагрузки 4 Ом Отвод 8 Ом 211 211 ± 2 витка Для нагрузки 8 Ом Конец обмотки 746 746 ± 5 витков Подключение к лампам Визуализация отводов: ``` Начало (0) ├── 149 витков → отвод 4Ω ├── 211 витков → отвод 8Ω └── 746 витков → конец (к лампам) ``` Между отводами: 0→149 (4Ω), 149→211 (доп. 62 витка), 211→746 (доп. 535 витков) 3.3. Расчетные электрические параметры Параметр Значение Формула/пояснение Индуктивность (L) 20 Гн L = (μ₀×μ×N²×S_c)/l_c Сопротивление обмотки (R_обм) ≈4.3 Ом R = ρ×l_провода/S_Cu Магнитная индукция (B_max) 0.5 Тл B = U/(4.44×f×N×S_c) Частота среза (-3 дБ) ≈1.6 Гц f_c = R_aa/(2πL) = 160/(2π×20) Коэффициент трансформации 4Ω: 0.2, 8Ω: 0.283 K = √(R_н/R_aa) Длина провода ~234 м l = N×l_ср = 746×0.314 Масса меди ~2.0 кг m = ρ_Cu×V_Cu 4. ТЕХНОЛОГИЯ НАМОТКИ 4.1. Подготовка 1. Изоляция сердечника: обмотать стеклолентой или лавсановой пленкой в 2-3 слоя 2. Каркас: не требуется (прямая намотка на тороид) 3. Инструмент: челнок для тороидальной намотки 4.2. Порядок намотки 1. Первые 149 витков: намотать равномерно по всему тороиду, оставить отвод длиной 10-15 см 2. Следующие 62 витка (до 211): продолжать намотку, сделать второй отвод 3. Оставшиеся 535 витков: завершить намотку до 746 витков 4. Фиксация: каждый слой фиксировать лаком или тонкой бумагой 4.3. Контрольные точки · После каждых 100 витков: проверять отсутствие короткого замыкания · Проверка отводов: сопротивление между отводами должно соответствовать расчетному · Индуктивность: измерить на частоте 50-100 Гц (должно быть >15 Гн) 5. СОПУТСТВУЮЩИЕ ЭЛЕМЕНТЫ 5.1. Разделительный конденсатор · Ёмкость: 3300 мкФ (мин. 2200 мкФ) · Напряжение: 160 В · Тип: несколько пленочных параллельно или низко-ESR электролитический · Подключение: между началом обмотки и "землей" схемы 5.2. Защита · Предохранители: по 0.5 А в каждом плече выходного каскада · Реле задержки: 30-60 секунд для защиты АС · Термозащита: датчик температуры на трансформаторе (опционально) 6. ЭКСПЛУАТАЦИОННЫЕ ХАРАКТЕРИСТИКИ 6.1. Электрические параметры Параметр Значение Условия Полоса пропускания 1.6 Гц - 50 кГц (-3 дБ) Нагрузка 8 Ом Неравномерность АЧХ < 0.3 дБ (20 Гц - 20 кГц) Максимальная мощность 25 Вт (синус) Непрерывный режим Сопротивление обмотки 4.3 Ом (постоянному току) Выходное сопротивление усилителя ~1.6 Ом (на 8 Ом) С учетом R_обм Демпфирующий фактор ~5 (на 8 Ом) 6.2. Тепловой режим · Ток покоя: отсутствует (благодаря конденсатору) · Нагрев при 25 Вт: 40-50°C (после 1 часа работы) · Критическая температура: 105°C (изоляция провода) · Охлаждение: естественная конвекция 7. ОСОБЕННОСТИ ТОРОИДАЛЬНОЙ КОНСТРУКЦИИ 7.1. Преимущества 1. Меньшее поле рассеяния (лучшая защита от помех) 2. Более высокая индуктивность при том же объеме 3. Лучшее охлаждение (большая поверхность) 4. Автоматическое экранирование (замкнутый магнитопровод) 7.2. Недостатки 1. Сложность намотки (требуется челнок или специальное оборудование) 2. Трудность создания отводов (особенно в середине обмотки) 3. Высокая межвитковая емкость (может ограничивать ВЧ) 7.3. Рекомендации по намотке · Равномерное распределение по всему тороиду · Плотная укладка без перехлестов · Прокладки между слоями (кабельная бумага 0.05 мм) · Пропитка вакуумным способом после намотки 8. АЛЬТЕРНАТИВНЫЕ ВАРИАНТЫ 8.1. Уменьшение сопротивления обмотки · Провод 1.2 мм (вместо 1.1 мм): снизит R_обм до ~3.6 Ом · Требует сердечника большего размера: Dнар=140 мм, Dвн=80 мм, h=65 мм 8.2. Повышение индуктивности · Увеличение витков до 850: L ≈ 26 Гн, f_c ≈ 1.2 Гц · Магнитная индукция снизится до: B_max ≈ 0.44 Тл 8.3. Дополнительные отводы Отвод Витки Сопротивление нагрузки 16 Ом 298 Для высокоомной акустики 6 Ом 129 Промежуточное значение 9. ПРОВЕРКА И НАСТРОЙКА 9.1. Измерения после намотки 1. Сопротивление изоляции: >100 МОм (1000 В мегомметром) 2. Индуктивность: на частоте 50 Гц, >15 Гн 3. Индукция насыщения: подать 44.7 В 15 Гц, ток холостого хода <30 мА 4. Симметрия отводов: соотношение витков точно 149:211:746 9.2. Включение в схему 1. Проверка без нагрузки: измерить АЧХ от 1 Гц до 100 кГц 2. Проверка с нагрузкой: резисторы 4 и 8 Ом, мощность 20 Вт 3. Тепловой тест: 2 часа на максимальной мощности, температура <60°C 9.3. Коррекция (если необходимо) · Заниженная индуктивность: добавить 5-10% витков · Высокое сопротивление: перемотать проводом большего сечения · Насыщение на НЧ: увеличить сечение сердечника или число витков 10. ТЕХНИКА БЕЗОПАСНОСТИ 10.1. Монтаж · Заземление корпуса: обязательно · Изоляция выводов: термоусадка или изоляционные трубки · Разрядные резисторы: параллельно конденсатору (100 кОм 2 Вт) 10.2. Эксплуатация · Не включать без нагрузки (риск пробоя изоляции) · Контроль температуры первых 10 включений · Ежегодная проверка параметров --- КРАТКИЙ ИТОГ НАМОТКИ: 1. Сердечник: тороид 130×70×60 мм, сталь Э340 2. Провод: 1.1 мм по меди, 1.2 мм с изоляцией 3. Намотка: 746 витков равномерно по тороиду 4. Отводы: · 4 Ом: 149 витков от начала · 8 Ом: 211 витков от начала 5. Конденсатор: 3300 мкФ×160 В между началом обмотки и землей Ожидаемые характеристики: · Индуктивность: 20 Гн · Нижняя частота: 1.6 Гц (-3 дБ) · Сопротивление обмотки: 4.3 Ом · Максимальная мощность: 25 Вт Такой автотрансформатор обеспечит отличное согласование OTL-выхода с акустикой и высокое качество звучания во всем звуковом диапазоне.
-
ИТОГОВЫЕ РЕКОМЕНДАЦИИ И НАМОТОЧНЫЕ ДАННЫЕ для выходного автотрансформатора OTL-усилителя на 10 лампах 6С19П (5 в плече) --- 1. КОНСТРУКЦИЯ И ОСНОВНЫЕ ПРИНЦИПЫ 1.1. Схема включения · Усилитель: двухтактный OTL-каскад класса AB с двухполярным питанием · Трансформатор: понижающий автотрансформатор (без гальванической развязки) · Разделительный конденсатор: обязателен, исключает постоянную составляющую тока · Магнитопровод: БЕЗ ЗАЗОРА (так как нет подмагничивания постоянным током) 1.2. Ключевые параметры · Выходная мощность: 20-25 Вт (на нагрузке 4/8 Ом) · Нижняя частота среза: менее 2 Гц (расчетное значение ~1.3 Гц) · Коэффициент трансформации (по напряжению): · Для 8 Ом: 0.283:1 (повышение тока) · Для 4 Ом: 0.200:1 (повышение тока) --- 2. МАГНИТОПРОВОД И МАТЕРИАЛЫ 2.1. Сердечник · Тип: ШЛ50х80 (Ш-образный, ленточный) · Параметры: · Сечение магнитопровода: S_c = 36 см² (5.0×8.0×0.9) · Средняя длина магнитной линии: l_c ≈ 0.22 м · Площадь окна: ~2000 мм² (≈50×40 мм) · Альтернативы: · Тороидальный сердечник с аналогичными параметрами · Два сердечника ШЛ40х60, соединённых вместе 2.2. Материал · Трансформаторная сталь: Э340, Э350 или аналог · Требования: высокая начальная магнитная проницаемость (μ > 4000) · Толщина ленты: 0.08-0.12 мм (для уменьшения потерь на вихревые токи) --- 3. НАМОТОЧНЫЕ ДАННЫЕ 3.1. Провод · Марка: ПЭТ-155 (эмаль-плёнка) или ПЭТВ-2 · Диаметр по меди: 1.1 мм (допустимый диапазон: 1.08-1.12 мм) · Диаметр с изоляцией: 1.2-1.25 мм · Сечение меди: 0.95 мм² · Сопротивление на метр: ≈0.0185 Ом/м 3.2. Намотка · Общее число витков: 493 витка (точное значение: 493 ± 5 вит.) · Способ намотки: · Однослойная или двухслойная с межслоевой изоляцией · Прокладка между слоями: кабельная бумага 0.05-0.08 мм · Направление намотки: равномерно по всему каркасу · Заполнение окна: ≈93% (провод: 557 мм² из 600 мм² доступных) 3.3. Отводы (критически важны!) Отвод Количество витков от НАЧАЛА обмотки Для нагрузки Общий провод (начало) 0 витков Общий провод схемы 4 Ом 99 витков Низкоомная акустика (4 Ом) 8 Ом 139 витков Стандартная акустика (8 Ом) Конец обмотки 493 витка Подключение к лампам Визуализация: ``` Начало (0) ---99 вит--- (4Ω) ---40 вит--- (8Ω) ---354 вит--- Конец (493) │ │ │ │ общий 4 Ом 8 Ом к лампам ``` 3.4. Изоляция и сборка 1. Каркас: текстолитовый или прессшпановый, с усиленной изоляцией 2. Межобмоточная изоляция: · Между слоями: кабельная бумага 0.05 мм · Между отводами: дополнительная изоляция (шелк, тефлоновая трубка) 3. Выводы: · Многожильный провод сечением 1.5-2.0 мм² · Длина не менее 10 см для удобства монтажа 4. Пропитка: · Обязательная вакуумная пропитка лаком · или заливка компаундом (эпоксидным, полиуретановым) --- 4. РАСЧЕТНЫЕ ПАРАМЕТРЫ ТРАНСФОРМАТОРА 4.1. Электрические параметры · Индуктивность (при малом сигнале): 20 Гн (на полной обмотке) · Индуктивность (при максимальной мощности): ~20 Гн (за счет низкой рабочей индукции) · Сопротивление постоянному току полной обмотки: ~0.9-1.2 Ом · Магнитная индукция при 44.7 В, 15 Гц: 0.38 Тл (запас 2.4 раза до насыщения) · Частота собственного резонанса: >50 кГц (зависит от конструкции) 4.2. Параметры согласования Параметр Для 4 Ом Для 8 Ом Коэффициент трансформации (K) 0.200 0.283 Сопротивление, "видимое" лампами 100 Ом 100 Ом Выходное сопротивление усилителя ~0.8 Ом ~1.6 Ом Максимальный ток нагрузки 2.24 А 1.58 А Плотность тока в проводе 2.36 А/мм² 1.66 А/мм² --- 5. СОПУТСТВУЮЩИЕ ЭЛЕМЕНТЫ 5.1. Разделительный конденсатор · Ёмкость: 3300 мкФ (минимум 2200 мкФ) · Напряжение: 160 В (минимум 100 В) · Тип: · Лучше: пленочный (MKP) на 100-160 В, несколько параллельно · Допустимо: электролитический с низким ESR (например, Nichicon KG) · Подключение: между общей точкой автотрансформатора и "землей" схемы 5.2. Балансировка каскада · Обязательна регулировка тока покоя каждой лампы (или плеча) · Рекомендуется установка предохранителей по 0.5-1 А в каждое плече · Для защиты АС: реле задержки включения на 30-60 секунд --- 6. ЭКСПЛУАТАЦИОННЫЕ ХАРАКТЕРИСТИКИ 6.1. Ожидаемая АЧХ · Диапазон частот: 2 Гц ... 50 кГц (-3 дБ) · Неравномерность в области 20 Гц - 20 кГц: <0.5 дБ · Фазовые искажения: минимальные (благодаря автотрансформаторной схеме) 6.2. Мощность и искажения · Номинальная мощность: 20 Вт (синус) · Пиковая музыкальная мощность: до 35 Вт · КНИ (THD) на 1 кГц, 10 Вт: <0.5% (определяется в основном лампами) · Демпфирующий фактор (на 8 Ом): ~5 (достаточно для большинства АС) 6.3. Тепловой режим · Нагрев трансформатора: 40-50°C при длительной работе · Не требует принудительного охлаждения · Проверка: после 1 часа работы на максимальной мощности - не более 60°C --- 7. ТЕХНОЛОГИЧЕСКИЕ РЕКОМЕНДАЦИИ 7.1. Порядок намотки 1. Намотать 99 витков от начала 2. Сделать аккуратный отвод (петля с изоляцией) 3. Продолжить намотку 40 витков (с 99 до 139) 4. Сделать второй отвод 5. Намотать оставшиеся 354 витка (с 139 до 493) 7.2. Контроль качества 1. Проверка межвиткового замыкания: тестером на сопротивление (>10 кОм между соседними витками) 2. Измерение индуктивности: на частоте 50-100 Гц, должно быть >15 Гн 3. Проверка на насыщение: подать 44.7 В 15 Гц - ток холостого хода <50 мА 4. Баланс отводов: соотношение витков должно быть точным (±1 виток) 7.3. Монтаж в усилителе · Располагать далеко от сетевого трансформатора и дросселей · Ориентация: под 90° к другим магнитным элементам · Экранирование: при необходимости - медный экран, заземлённый в одной точке --- 8. ВАРИАНТЫ УЛУЧШЕНИЯ (при наличии места) 8.1. Увеличение сечения провода · Провод 1.2 мм (вместо 1.1 мм) - снизит потери на 15% · Потребует сердечника ШЛ60х80 или тороида большего размера 8.2. Дополнительные отводы · Для 16 Ом: ~197 витков (коэффициент 0.4) · Для тонкой подстройки под конкретные АС 8.3. Секционирование обмотки · Разделить на 4 секции: 99 + 40 + 120 + 234 витка · Снизит паразитную ёмкость, улучшит ВЧ-характеристику --- 9. ЗАКЛЮЧИТЕЛЬНЫЕ ЗАМЕЧАНИЯ 9.1. Безопасность 1. Высокое напряжение! В схеме присутствует до 300-400 В постоянного напряжения 2. Разделительный конденсатор должен быть проверен на пробой перед первым включением 3. Обязательное заземление корпуса и точек средней шины 9.2. Настройка усилителя 1. Сначала настраивайте без автотрансформатора (на резистивную нагрузку) 2. После подключения трансформатора проверьте АЧХ от 10 Гц до 50 кГц 3. Коррекция: небольшие отклонения АЧХ можно скорректировать ООС в усилителе 9.3. Срок службы и надёжность · Расчетный срок службы: более 20 000 часов · Критические точки: качество пропитки, надежность контактов отводов · Рекомендуемая профилактика: раз в 5 лет - проверка параметров, подтяжка контактов --- Данный автотрансформатор обеспечит: · Высокую линейность в звуковом диапазоне · Отличное согласование низкоомного OTL-выхода со стандартной акустикой · Надёжную работу без насыщения магнитопровода · Минимальные фазовые и частотные искажения Удачи в изготовлении и настройке! При точном соблюдении параметров вы получите трансформатор, который станет ключевым элементом высококачественного лампового OTL-усилителя.
-
Дело в том, что на данный момент использую модулятор на 6п3с, не хватает мощности, даже пробовал на двух 6п3с в параллель, в моем случае модулируется буферный каскад на трех гу 50, один гу требует 4 ватта, А я и не говорю , что именно из этой схемы выжать 12 ватт. на данный момент подбираю(ищу) подходящую для моих целей . Рассматривается и такая схема. А Выбрал 6с33с потому, что они у меня есть новенькие в достаточном количестве .
-
Нейросеть пишет что.... Расчётная индуктивность ~15-20 Гн Более чем достаточно. 345 витков столько генрей вряд ли наберут 😀 А так в принципе по Ктр всё хорошо. Лампы будут видеть примерно 100 ом. Ещё, нейросеть, не указала сколько будет активное сопротивление всей намотки (345 витков)
-
Дополнительно...рассуждения нейросети... И попытки вырулить в верном направлении ... ************************ Отличное и очень важное уточнение! Вы абсолютно правы. Добавление разделительного конденсатора радикально меняет требования к магнитопроводу. Давайте посчитаем этот вариант. 1. Анализ вашего предложения Да, вы полностью правы по всем пунктам: 1. Разделительный конденсатор (блокировочный, output coupling capacitor) исключит протекание постоянной составляющей тока покоя через обмотку автотрансформатора. 2. При двухполярном питании в идеально сбалансированном двухтактном каскаде постоянная составляющая напряжения на выходе (между точками подключения к лампам) стремится к нулю. На практике будет небольшой разбаланс (десятки милливольт), но конденсатор его полностью отсечёт. 3. Магнитопровод можно (и нужно!) делать БЕЗ НЕМАГНИТНОГО ЗАЗОРА. Это огромное преимущество, потому что: · Резко возрастает индуктивность намагничивания (L) при том же числе витков. · Упрощается конструкция и сборка сердечника. · Уменьшаются потоки рассеяния. Итог: Мы проектируем обычный силовой/аудио трансформатор (автотрансформатор), работающий только на переменном токе, без постоянного подмагничивания. --- 2. Расчёт ключевых параметров трансформатора 2.1. Определение минимальной индуктивности (L_min) Самое важное для НЧ-характеристики. Зададимся нижней частотой среза f_low = 15 Гц (-3dB). Формула для коэффициента передачи напряжения автотрансформатора на НЧ: K(f) = 1 / √(1 + (Z_prim / (2πfL))²), где Z_prim - сопротивление, приведённое к первичной обмотке (со стороны ламп). Для f_low хотим ослабление не более -3dB, т.е. K(f) = 0.707. 0.707 = 1 / √(1 + (Z_prim / (2π*15*L))²) Решаем относительно L: 1 + (Z_prim / (2π*15*L))² = 2 (Z_prim / (2π*15*L))² = 1 Z_prim / (94.25 * L) = 1 L_min = Z_prim / 94.25 Чему равно Z_prim? Это сопротивление, которое "видит" первичная обмотка со стороны ламп. В нашем случае это R_aa_opt ≈ 160 Ом (из предыдущих расчётов). L_min = 160 / 94.25 ≈ 1.7 Гн Это минимальная индуктивность. Для хорошего запаса по НЧ (особенно учитывая, что автотрансформатор) возьмём L_цель = 5...10 Гн. --- 2.2. Расчёт числа витков Используем формулу индуктивности тороидального/Ш-образного сердечника без зазора: L = (μ0 * μ * N² * S_c) / l_c, где: · μ0 = 4π*10^-7 Гн/м · μ - начальная магнитная проницаемость материала (для хорошей трансформаторной стали/пермаллоя μ = 5000...15000) · N - число витков · S_c - сечение магнитопровода, м² · l_c - средняя длина магнитной силовой линии, м Выбираем сердечник: Для мощности 20-25 Вт и низких частот нужен достаточный объём. Возьмём ШЛ32х50 (ширина 32мм, высота 50мм). · S_c = 3.2 см * 5.0 см * 0.9 (коэфф. заполнения) ≈ 14.4 см² = 1.44*10^-3 м² · l_c для ШЛ32х50 ≈ 0.15 м · μ возьмём для качественной стали 3412 (Э340) - μ = 8000 Выразим N: N = √( (L * l_c) / (μ0 * μ * S_c) ) Для L = 5 Гн: N = √( (5 * 0.15) / (4π*10^-7 * 8000 * 1.44*10^-3) ) N = √(0.75 / (1.2566*10^-6 * 8000 * 1.44*10^-3)) N = √(0.75 / (1.2566*10^-6 * 0.01152)) N = √(0.75 / (1.4476*10^-8)) N = √(5.18*10^7) ≈ 7200 витков?! Вывод: Получить 5 Гн на сердечнике ШЛ32х50 без зазора невозможно (получится огромное число витков, не помещающееся в окно). Формула верна, но мы забыли про максимальную индукцию (B_max). --- 2.3. Расчёт числа витков через ограничение по магнитной индукции Это правильный подход для трансформатора без постоянного подмагничивания. Формула: N = (U * 10^4) / (4.44 * f * B_max * S_c), где: · U - действующее напряжение на обмотке, В · f - минимальная частота, Гц · B_max - максимальная магнитная индукция, Тл · S_c - сечение сердечника, см² Параметры: · U на полной обмотке (со стороны ламп) = 44.7 В (из расчёта для 8 Ом, 20 Вт) · f = 15 Гц (задаём нижнюю частоту) · B_max для хорошей стали при f=15 Гц можно взять 0.8...1.0 Тл. Возьмём консервативно 0.9 Тл · S_c = 14.4 см² N = (44.7 * 10^4) / (4.44 * 15 * 0.9 * 14.4) N = 447000 / (4.44 * 15 * 0.9 * 14.4) N = 447000 / (4.44 * 15 * 12.96) N = 447000 / (4.44 * 194.4) N = 447000 / 863.136 ≈ 518 витков Это реалистичное число! Проверим индуктивность, которую дадут 518 витков: L = (μ0 * μ * N² * S_c) / l_c L = (4π*10^-7 * 8000 * (518)² * 1.44*10^-3) / 0.15 L = (1.2566e-6 * 8000 * 268324 * 1.44e-3) / 0.15 L = (1.2566e-6 * 8000 * 386.4) / 0.15 (упрощая) L ≈ (3.88) / 0.15 ≈ 25.9 Гн Отлично! 26 Гн на низких частотах - это огромный запас. --- 3. Расчёт толщины провода (УПРОЩЁННЫЙ, так как нет постоянного тока) Теперь нет ограничения по нагреву от постоянного тока покоя. Основной критерий - заполнение окна и сопротивление обмотки. Параметры окна сердечника ШЛ32х50: · Высота окна: 50 мм · Ширина окна: ~16 мм (полная ширина 32мм минус толщина керна) · Площадь окна: S_okn = 50 * 16 = 800 мм² · Полезная площадь (коэффициент заполнения 0.3 для провода круглого сечения): S_use = 800 * 0.3 = 240 мм² Нам нужно уместить 518 витков: S_1витка = S_use / N = 240 / 518 ≈ 0.463 мм² - это площадь сечения провода с изоляцией. Для провода ПЭТ-155: · d_изол = √(4 * S_1витка / π) = √(4 * 0.463 / 3.14) ≈ √0.59 ≈ 0.768 мм · Медная жила такого провода будет около 0.65-0.68 мм (изоляция ~0.05 мм с каждой стороны) Сечение меди: S_Cu = π*(0.66/2)² ≈ 0.342 мм² --- 3.1. Проверка по току и плотности тока Максимальный ток (в режиме 4 Ом): I_max = 2.24 А (действ.) Плотность тока: j = I_max / S_Cu = 2.24 / 0.342 ≈ 6.55 А/мм² Это слишком много! Для трансформатора без принудительного охлаждения допустимо 2.5-3.5 А/мм². Пересчитываем: Нужно S_Cu = I_max / j_доп = 2.24 / 3.0 ≈ 0.747 мм² Диаметр меди: d_Cu = √(4*0.747/π) ≈ √0.951 ≈ 0.975 мм Диаметр с изоляцией: ~1.08 мм Площадь, занимаемая одним витком: S_1вит_изол = π*(0.54)² ≈ 0.916 мм² Необходимая полезная площадь окна: S_need = 0.916 * 518 ≈ 475 мм² Это больше, чем наша S_use = 240 мм²! Вывод: сердечник ШЛ32х50 слишком мал. --- 4. Подбор сердечника и окончательный расчёт Нужен сердечник с бóльшим окном. Попробуем ШЛ40х60: · Высота окна: 60 мм · Ширина окна: ~20 мм · S_okn = 60 * 20 = 1200 мм² · S_use = 1200 * 0.3 = 360 мм² · S_c (сечение): 4.0 * 6.0 * 0.9 = 21.6 см² Пересчитаем число витков для нового S_c: N = (44.7 * 10^4) / (4.44 * 15 * 0.9 * 21.6) N = 447000 / (4.44 * 15 * 19.44) N = 447000 / (4.44 * 291.6) N = 447000 / 1295.1 ≈ 345 витков Теперь проверим провод: Мы хотим провод с d_Cu = 1.0 мм (S_Cu = 0.785 мм², j = 2.24/0.785 = 2.85 А/мм² - отлично) d_изол ≈ 1.12 мм S_1вит_изол = π*(0.56)² ≈ 0.985 мм² S_need = 0.985 * 345 ≈ 340 мм² S_use = 360 мм² - подходит с небольшим запасом! --- 5. Параметры разделительного конденсатора Ёмкость: Определяется нижней частотой среза. Формула: C = 1 / (2π * f_low * R_нагр), где R_нагр - минимальное сопротивление нагрузки (4 Ом). C = 1 / (6.28 * 15 * 4) ≈ 1 / 376.8 ≈ 2650 мкФ С учётом того, что за трансформатором следует индуктивность, можно взять 2200-3300 мкФ. Напряжение: Конденсатор должен выдерживать максимальное напряжение на обмотке + запас. Максимальное напряжение на лампах: ~±70 В пик, т.е. ~140 В пик-пик. Действующее: ~50 В. С запасом: конденсатор на 100-160 В. Тип: Лучше использовать несколько плёночных конденсаторов (например, MKP) параллельно, либо один высококачественный электролитический с низким ESR. --- 6. ОКОНЧАТЕЛЬНАЯ СПЕЦИФИКАЦИЯ Параметр Значение Комментарий Схема OTL с двухполярным питанием, разделит. конденсатор Выходная мощность 20-25 Вт (на 4/8 Ом) Автотрансформатор Понижающий, без зазора Сердечник ШЛ40х60 (или аналогичный) Минимальный размер Материал Трансформаторная сталь Э340, Э350 Высокая μ Число витков (полных) 345 витков Отвод для 8 Ом 98 витков от общего (345 * 0.283) K=0.283 Отвод для 4 Ом 69 витков от общего (345 * 0.2) K=0.2 Провод 1.0 мм по меди (ПЭТ-155, ~1.12 мм с изол.) j≈2.85 А/мм² Расчётная индуктивность ~15-20 Гн Более чем достаточно Разделительный конденсатор 2200-3300 мкФ x 100-160 В Плёночный или низкоESR электролит Ожидаемая АЧХ 15-20 Гц ... 30-50 кГц (-3dB) Преимущества данного решения: 1. Сердечник без зазора - проще в изготовлении, выше индуктивность. 2. Меньше нелинейных искажений от магнитопровода. 3. Конденсатор защищает АС от возможного постоянного напряжения при разбалансе. 4. Более предсказуемые и повторяемые параметры трансформатора. Недостатки/риски: 1. Добавляется ещё один элемент (конденсатор), который может вносить искажения. 2. Нужен качественный, дорогой конденсатор большой ёмкости. 3. На очень низких частотах (<10 Гц) может наблюдаться небольшой спад из-за конденсатора. Рекомендация: Если делаете впервые - этот вариант предпочтительнее и безопаснее. Он более прощает ошибки в балансировке каскада и даёт лучшие низкочастотные характеристики при разумных габаритах трансформатора.
-
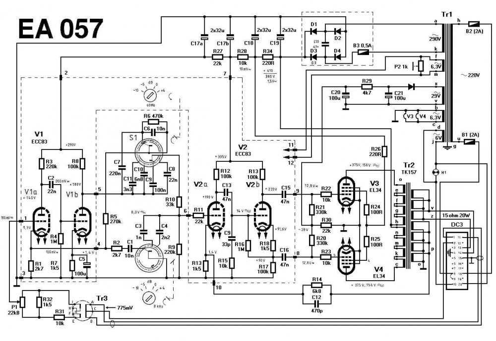
Здравствуйте. Есть информация по этим трансформаторам?
-
И расчет на намоточных данных... Тоже от нейросети... Нужно вникнуть проверить... Для автотрансформатора OTL на 20 Вт с сердечником ШЛ32х65 (или аналогичным): Параметр Значение Сечение сердечника 20-25 см² Материал Э340, Э350 (пермаллой) Зазор 0.2-0.5 мм (регулируется под ток покоя) Число витков полное 350-450 Провод 1.8 мм по меди (ПЭТ-155) или прямоугольный 1.5×2.0 мм Сечение меди 2.54 мм² (для 1.8 мм) Плотность тока 0.88 А/мм² (2.24/2.54) Отвод для 8 Ом от 100 витков (при 350 витках полных) Отвод для 4 Ом от 70 витков (при 350 витках полных) Сопротивление обмотки ~0.4-0.6 Ом (приемлемо) Ключевой вывод: Толщина провода получается неожиданно большой (1.8 мм) из-за необходимости пропускать значительный ток (2.24 А) при малом числе витков. Это типично для OTL-трансформаторов. Если такой провод не помещается в окно, нужно либо увеличивать сердечник, либо использовать параллельную намотку несколькими проводами меньшего диаметра.
-
Задал задачу нейросети посчитать АВТОТРАНСФОРМАТОР согласующий. Такие результаты расчета у нейросети получились... Если учитывать, что у нас на выходе постоянная составляющая отсутствует, то автотрансформатор может быть без магнитного зазора? Я сам пока не проверял... Нужно вникнуть... Может кто посмотрит оценит корректность расчетов... *************************** Формула для автотрансформатора: R_ламп = R_н / K², где K = N_всего / N_ламп (коэффициент повышения, >1). Лампы подключаются к отвоту. Мы хотим, чтобы R_ламп = 160 Ом, R_н = 8 Ом. Тогда K² = R_н / R_ламп = 8 / 160 = 0.05 → K = 0.224. Это менее 1, что означает, что лампы должны подключаться к большей части обмотки, а нагрузка — к меньшей (т.е. это понижающий автотрансформатор). Это логично: чтобы повысить ток в нагрузке. Окончательный, наиболее реалистичный расчёт для OTL на 6С19П: 1. Выходное сопротивление каскада очень низкое (единицы Ом). Чтобы эффективно передать мощность в 8 Ом, нужно повысить ток в нагрузке, следовательно, использовать понижающий автотрансформатор. 2. Пусть лампы работают на эквивалентную нагрузку R_ламп = 100 Ом (компромиссное значение). 3. Для R_н = 8 Ом: K² = R_н / R_ламп = 8 / 100 = 0.08 → K = 0.283. Это означает: лампы подключаются ко всей обмотке (100% витков), а отвод для нагрузки 8 Ом делается от ~28.3% витков от начала. Для нагрузки 4 Ом: K² = 4 / 100 = 0.04 → K = 0.2. Отвод для 4 Ом — от 20% витков. --- ИТОГОВЫЕ РЕКОМЕНДАЦИИ: Для выходного каскада OTL на 10 лампах 6С19П (5 в плече), работающего в классе AB: · Тип трансформатора: Понижающий автотрансформатор с отводами для 4 и 8 Ом. · Коэффициент трансформации (напряжения) для 8 Ом: ~0.28 : 1 (или ~3.55 : 1 если считать как отношение полного числа витков к числу витков до отвода). На практике: если полная обмотка имеет, например, 1000 витков, то отвод для 8 Ом должен быть на ~280 витков от общего провода, а для 4 Ом — на ~200 витков. · Эквивалентная нагрузка для ламп: ~100 Ом. · Ожидаемая выходная мощность: При грамотной реализации и питании ±150...±200 В — 15-25 Вт на 8 Ом. · Критически важные требования к автотрансформатору: 1. Очень низкое активное сопротивление обмоток (используйте толстый провод, особенно для секции до отвода 4 Ом). 2. Высокая индуктивность намагничивания (полной обмотки) для хорошей передачи НЧ — не менее 5-10 Гн. 3. Сердечник с зазором для работы с постоянной составляющей тока покоя (суммарный ток покоя 10 ламп может достигать 400-600 мА). Сечение сердечника — не менее 15-20 см². 4. Качественная изоляция между обмотками и слоями. Важное замечание: Данный расчёт — ориентировочный. Окончательные параметры (точки отвода) подбирать экспериментально, измеряя АЧХ и мощность при реальных нагрузках. В некоторых успешных конструкциях OTL на 6С19П используют готовые понижающие аудиотрансформаторы с коэффициентом 2:1 или 4:1 (по напряжению) в обратном включении (как повышающие ток).
-
****** ------------------------ Эффективную массу тонарма можно узнать не всегда. Для штатно установленных тонармов ее почти никогда не указывают в инструкции к проигрывателю, а для тонармов, которые ставятся опционально, указывают эффективную массу для штатно предусмотренного шелла. Для примера приведу хорошо известный тонарм SME. В комплекте с ним идет очень узнаваемый решетчатый шелл - фирменная фишка компании. Масса этого шелла около шести граммов, а указаннная эффективная масса классического SME 3009 9-12 граммов - в зависимости от года выпуска. SME 3009 S2 Improved со штатным шеллом. Эфф. масса 9.5 гр. Что будет, если вместо этого шелла вы поставите, к примеру, деревянный шелл Yamamoto HS1 массой 11 граммов? Эффективная масса тонарма возрастет, но не на пять граммов, как можно подумать, вычтя разницу массы более легкого шелла из массы более тяжелого. Эффективная масса тонарма это инерционная масса, которая рассчитывается по сложной формуле сложения всех масс его частей. Эмпирически можно считать, что с увеличением массы шелла на пять граммов, эффективная масса тонарма возрастет где-то грамма на два. Теперь, держа в уме эти три важных момента перейдем к главному - объяснению того, зачем нужны эти данные и что с ними делать. Большинство среднебюджетных картриджей имеют среднюю податливость, а большинство штатных тонармов винтажных и современных проигрывателей имеют среднюю эффективную массу. Это значит, что в 60% случаев "любой" картридж подойдет к "любому" тонарму, и по этой причине многие любители музыки вообще не задумываются, что могут сделать что-то не так. Ловушка подстерегает те 40%, которые делают шаг в сторону - например, покупают проигрыватель Yamaha со штатно установленным тяжелым тонармом, ставят тяжелый тонарм SAEC, вычитав, что он "хороший", пробуют знаменитые ММ картриджи ADC с высокой податливостью, не имея ультра-легких тонармов, или, наконец, решают, что "выросли" и пора переходить на длинные 12 дюймовые тонармы, забывая учесть, что они имеют более высокую эффективную массу. Чтобы избежать проблем, вчитайтесь в эту статью внимательно! Итак, что такое эффективная масса тонарма и как она сочетается с податливостью картриджа. Эффективная масса тонарма не имеет никакого отношения к прижимной силе! Прижимная сила – это значение массы, с которой игла картриджа давит на поверхность пластинки. Эффективная масса – это, грубо говоря, вес трубки тонарма от оси крепления до картриджа. На самом деле, сложнее - это значение инерционной массы, приведенной к кончику иглы, которое рассчитывается по массам всех движущися частей, но для простоты считайте, что это просто вес трубки. Игла и тонарм составляют единую колебательную систему, входящую в определенный резонанс. Представим, что на конце длинной планки подвешено ведро и все это качается на ветру. Если в одном случае планка сделана из доски, в другом из бамбука, а в третьем из стальной балки, то качаться на ветру эти системы будут по-разному. Так же по-разному ведут себя системы игла/картридж/тонарм в зависимости от комплианса и массы трубки тонарма. Резонансные колебания, в которые входит такая система, называются резонансной частотой, и в идеале эта частота должна находиться в диапазоне 8-11Hz. Эффективная масса, как правило, указывается в характеристиках топовых тонармов, которые продаются опционально (отдельно), но никогда не указывается для штатных тонармов готовых проигрывателей. Тот, кто имеет большой опыт настройки различных тонармов, может с высокой точностью определить эффективную массу любого тонарма эмпирически. Несколько основных признаков, по которым можно определить, с каким типом тонарма вы имеете дело. Если вертушка имеет прямой тонкий тонарм, трубка которого изготовлена из алюминия, карбона, магниевого сплава или пластмассы, а противовес не тяжелый - менее 50-60 граммов - вы имеете дело с легким тонармом с эффективной массой 7-9 граммов. Легкий тонарм может быть S-образным, но в базовой комплектации вертушек они почти не встречаются. Если детали тонарма выглядят массивными, трубка (прямая или S-образная) выполнена из стали или композитного сплава, а противовес весит от 60 граммов и выше, то перед вами, вероятнее всего, тяжелый тонарм с эффективной массой 17-20 граммов. Даже если просто покачать трубку на пальцах, ощущения будут весьма "увесистыми". Девятидюймовые тонармы из карбона и алюминия с противовесами 50-60 граммов обычно относятся к тонармам средней эффективной массы - 12-14 граммов. Эффективная масса 12-дюймовых тонармов на 2-3 грамма выше, чем у аналогичных коротких. Картриджи с высокой податливостью от 25 и выше при измерении на 10 Hz должны ставиться только на легкие тонармы с эффективной массой 3-8 гр! В противном случае они "задыхаются" - играют без воздуха, с потерей высоких частот. Примеры высокоподатливых картриджей: ADS XLM, Shure V15, Empire 4000, Audio Technica ART9. Примеры легких тонармов: SME Series III, Mayware Formula IV, Infinity Black Widow. Картриджи с низкой податливостью 9-12 при измерении на 10 Hz хорошо играют только на тяжелых тонармах с эффективной массой 18-30 гр. Примеры низкоподатливых картриджей: Denon DL 103, Ikeda, Koetsu, Ortofon SPU, Fidelity Research Fr1. Примеры тяжелых тонармов: Fidelity Research FR64, SAEC 407, ORTOFON RMG 309, SME M2R12. Картриджи со средней податливостью в диапазоне от 14 до 24 при измерении на 10 Hz хорошо играют на тонармах средней и средне-легкой эффективной массы 9-14 гр. Таких большинство - как правило это все штатно установленные тонармы (кроме вертушек Yamaha) и многие опциональные. Примеры картриджей со средней податливостью: Lyra, Audio Technica AT33, Denon DL 301, Benz Micro, Sony XL 88. Примеры тонармов со средней эффективной массой: Tri Planar, VPI, Micro Seiki, SME 3009, SME 309, SME V. А теперь внимание: для того, чтобы узнать сочетаются ли тонарм и картридж, есть отличный калькулятор! Проходите по ссылке, вводите значение массы тонарма в верхнее поле, выбирайте в левой колонке значение комплианса своего картриджа на 10 Hz и смотрите, чтобы значение массы картриджа в сборе с винтами и проводкой попадало в зеленую зону резонансной частоты. Незначительный на первый взгляд нюанс – масса картриджа в сборе с винтами и проводами – составляет каверзу, из-за которой пластинки часто не звучат на 100% даже у тех, кто относится к сочетаемости тонармов и картриджей серьезно. Я несколько лет слушал податливый картридж ADC XLM на легком тонарме Mayware Formula IV в полной уверенности, что это идеальное сочетание. Но проверив компоненты на весах, убедился, что мой картридж с первого дня был перегружен на 1.5 грамма, что для комплианса 30 оказалось значимым. ВИНТЫ! Суммарная масса металлических винтов составляла 1.5 грамма, и поменяв их на пластмассовые винты суммарной массой 0.2 гр, я облегчил картридж на 1.3 грамма, получив заметную прибавку в детализации, отдаче по ВЧ и общей разборчивости. Разница эффективной массы в 2-3 грамма может оказаться критической! Скажем, картридж Shure V15 type III отлично сочетается с тонармом SME 3009 S2 Improved эффективной массой 9.5 гр. Shure V15 с комплиансом 25 считается высокоподатливым, а тонарм SME 3009 – достаточно легким. Полная синергия. Но если мы попробуем поставить на SME 3009 картридж ADC XLM, то синергии не получится – звучание будет тусклым, задавленным. У картриджа ADC комплианс 30, и тонарм массой 9.5 граммов оказывается для него уже слишком тяжелым. ADC будет заметно лучше играть на тонарме GRACE 545, хотя сам по себе GRACE - тонарм намного ниже классом, чем SME. Просто его эффективная масса 7,5 граммов и разница всего в два (!) грамма эффективной массы оказывается решающей. ------------------------ ****** Низкоподатливые картриджи можно безбоязненно ставить на тяжелые длинные тонармы и получать более качественное звучание, поскольку длинные тонармы имеют меньшую угловую ошибку и в принципе играют лучше коротких. Denon DL 103 - не лучший пример, так как сам картридж весьма посредственный, но даже он заметно лучше играет на длинном тяжелом SME 3012R , чем на девятидюймовом SAEC. Ниже все три теста выложены по ссылке в форматах DSD и WAV. Настоятельно рекомендую прослушивать DSD! ТЕСТ 2 - DENON DL103 Трек_1 - масса тонарма 9 гр. Трек_2 - масса тонарма 20 гр. Трек_3 - масса тонарма 30 гр. ******* _____________________________
-
Обработанные обозревателями или опять же блогерами и купившие по их рекомендациям скверную технику, может быть даже дорогую. Не на первой, а наверное, на третьей вертушке, и точно такое же впечатление было у меня, в начале 80-х, на этой планете, помню не мог иголку вытащить никак😁 Будет хуже старой, другой звук, из-за материалов и из-за того, что кэтай теперь, округлили острые углы, современней выглядит и это всё. Они жили музыкой, любили и её и технику, захотели быть поближе - одни подались в ритэйл, другие в блогеры, втянулись... а чтобы продать, надо болтать без умолку, что они и делают. Всё это работает, и провода и даже пирамидки, если их подставить под нужное место, а не верят в них люди, заушно закончившие учебные заведения, причём очень давно. Все нахваливают этот сайт, ссылки дают. По теме, на саундехсе и дастерео обсуждали, там одни и те же люди +- , не все поняли: Технические характеристики тонарма RS-309D 12 дюймов Эффективная масса (без шелла) - 4,0 г. Эффективная длина (расстояние между иглой и точкой опоры) - 329 мм. Расстояние между точкой опоры и центром проигрывателя - 314 мм. 1 шелл SH-4 Black (вес 9,4 г, вес винтов 2 г)
-
Я с ним сегодня связавался. Хорошо поговорили. Палисандр пока не нашел, нашел бубинг. Попробую его. Про дырки да..отрицательно.
-
Магнит диам. 10 мм выс. 5 мм вставлен в гнездо. Оба магнита на разрыв прим. 2 кг этого вполне достаточно. Это конечно мое мнение, но никаких проблем не возникает. (с) Михаил размеры магнитов, коллеги там согласны и не опровергли
-
-
Forum Statistics
-
Total Topics10.1k
-
Total Posts110.6k
-

Recommended Posts
Join the conversation
You can post now and register later. If you have an account, sign in now to post with your account.
Note: Your post will require moderator approval before it will be visible.