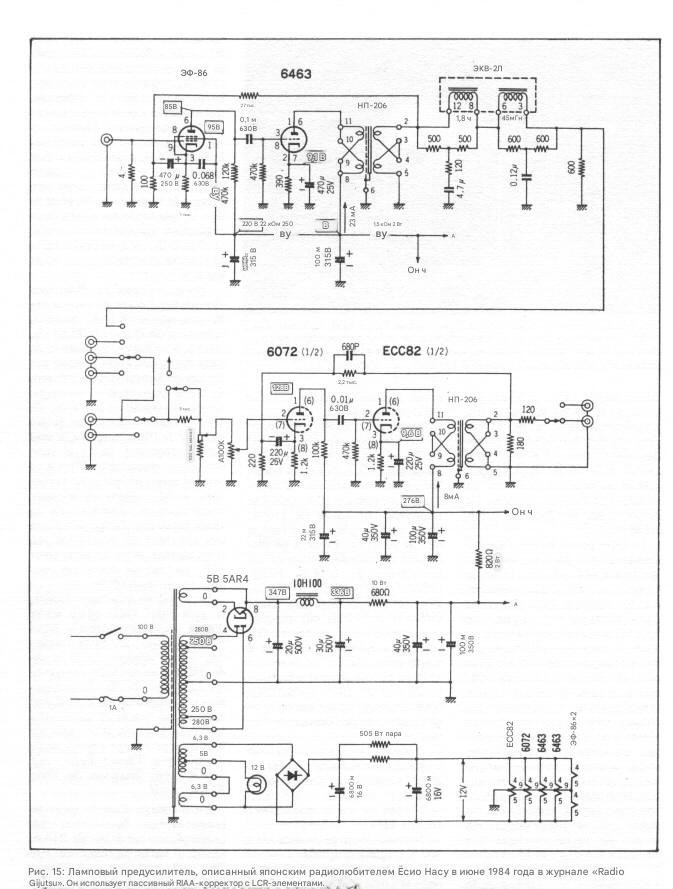
Фонокорректоры с LCR коррекцией
-
Recently Browsing 0 members
- No registered users viewing this page.
-
Клубы
-
Радиорынок
Public Club
-
Кружкин Дом
Open Club · 31 members
-
ROCK-N-ROLL FOREVER!
Open Club · 9 members
-
Hi-end по-русски
Open Club · 56 members
-
Излишки тумбочки
Public Club
-
Радиолюбительские технологии
Open Club · 8 members
-
Магазин Иван Иваныча
Public Club
-
Джаз от SJ
Open Club · 24 members
-
Тестовый клуб
Open Club · 19 members
-
БАЛАНС
Read Only Club · 1 member
-
-
Сообщения
-
https://ru.wikipedia.org/wiki/Кривая_RIAA В 1976 году МЭК видоизменила стандартную кривую воспроизведения RIAA в области низких частот; нововведение встретило ожесточённую критику и не было принято промышленностью. В XXI веке подавляющее большинство производителей предусилителей-корректоров следует первоначальному стандарту кривой RIAA без изменений, введённых МЭК в 1976 году[2]. Ну и причем здесь "самодельщики из ж. радио"? Я понимаю, что насолили (ну там статью не приняли к печати, например), но не всегда же журнал Радио виноват...
-
Дуаль - взгляд изнутри: Дека полупустая внутри, при внешней солидности))... Всё отлично настраивается, есть оригинальная схема на бумаге, так что - в новую жизнь, после шаловливых рук, она отправляется... Телефункен, на подходе...
-
Ну, и, еще одна призрачная лампа--крайне долго и упорно искомый мною образец серии ГП. Почему он так редок, непонятно... Ранний вариант регулирующего тетрода ГП-1, состоящий в категории опытных. Изготовлен на Ленинградском заводе Светлана в 69 году. Помимо своей невообразимой редкости, лампа интересна тем, что анод у нее еще вороненый черный. Лампа новая, и геттер у нее в полном порядке! В 70м году у нее на анод стал наноситься хром-титановый серый слой, но, при этом лампа еще состояла в категории опытных. Фото поздней вариации 70го года от дрного чкловека.
-
By Илья Александрович · Posted
Динамик переделан на кожаный подаес и паук по причине того что родные были порваты, в определенном положении похрипывает регулятор громкости, задняя стенка на месте, на фото не попала, 15 тр. -
Помешаюсь тут немного ещё, и я недопонял, по моему разумению, все усилители, схемы которых заимствованы из Саунд практикс, WE91, Рейчерт, Шишидо, Вильямсон, все остальные, другие, из других источников, отл в том числе, все эти усилители являются усилителями мощности, все, если они не являются явно интегральными, полными, с селекторами входа и регуляторами громкости, как например тот же Паравичини на ЕL36 у А.Белканова, другие.... Как у Дж. Эсмиллы, других, так сложилось исторически, давно, с 50-х, с тамошних самодельщиков ещё, и у них всегда было несколько разных источников, тюнеры, магнитофоны и т.д. не как у наших, один CD или DVD плейер. И не надо, пожалуйста, называть его гуманитарием, за то, что он музыкант и художник, он перед консерваторией закончил тех. колледж типа, у него куча приборов, все измерения, лампы с вах'ами, всё по уму: Homebrewer metaleater.narod.ru › 1.pdf
-
Две красивых деки поступили на профилактику, зафиксировал: Сони шикарная, и по звуку - тоже, а вот с Дуалью надо поработать, хотя формально - всё в порядке... Был у меня в прошлом CD вертак Dual, очень приятное изделие, а вот деки не попадались...
-
Собралась погодовка пальчиковых генераторных ГУ-17: ГУ-17 ОПЫТНАЯ , Светлана 60 год ГУ-17, Ульяновск ранний 66 год ГУ-17, Ульяновск поздний 80 год Видно то, что в лампах ничего не поменялось
-
Если дуб, как дерево - родишься баобабом)): Фюзеляжи подсыхают, останется внутренний экран из фольги смастырить - и в путь, в жизнь!...
-
Я жгу трубой СО2. И ничего не мою, просто кидаю в раствор лимонки, соли и перекиси. И минут через 10 , как появились пузырики, зубной щеткой легко очищается пространство между дорожками. После ЛУТ это сказка. Ну конечно минус - это сидеть, сверлить отверстия. Но это самый быстрый экспресс метод. Правда не у всех есть труба СО2.
-
By Анатолий Матвиенко · Posted
Всем привет, я - автор той статьи, которую много раз цитировали, а один форумчанин даже выложил целиком. Спасибо. Прошло довольно много лет. Сейчас, например, не стану утверждать, что высокое выходное сопротивление усилителя без ОООС мешает звуку щитов. Последние годы пользуюсь SE на 6П45С в триоде, периодически подтыкаю другой ЛУМЗЧ, продаю или дарю, триодник возвращается на место. Ну а что касается противников и сторонников ГИ - подавляющее большинство критиков просто ни разу их не слышали. Учитывая, что ГИ по заветам Василича (Игнатенко) люди напилили себе многие тысячи, любой желающий пусть поищет щиты ГИ на расстоянии доступности и сам проверит - устраивает ли его звучание. И всё станет ясно. В Минске и Минской области, где я живу, полдюжины щитов, к примеру, наберётся точно. Я пробовал 4ГД-35, 3ГДШ-1 и китайский дешман с Чип и дип, а также комбинации. В итоге определился для себя, что лучше годами собирать 3ГД-38Е, 3ГД-45, 5ГДШ-1-4, 5ГДШ-4-4, чем придумывать нечто иное. Да, приходится подбирать эти головы, выбраковывать, подклеивать, бороться с дребезгами. Из купленных хорошо если половина у меня пошла в дело. Но конечный результат того стоит. Ну и большинство фото в этой ветке представляют собой линейные массивы либо, особенно у фирменных импортных, огромное расстояние между корзинами, а оно должно быть не более 2-3 мм. Понятно, что звук страдает. Чистый щит - лучше всего. Но из-за габаритных проблем сам я пользуюсь гибридами между щитом и неглубоким ОЯ. Ширина 0.5 м. Моножила для разводки земли в доме имеет площадь 3.5 мм2, стоит копейки. Если разматывали когда-нибудь что-то вроде ТС-180, у них толстая анодная обмотка редко кому в радиомучительстве нужна, валяется годами. А соединять головы - вполне подойдёт. -
Да уж бил бы ниже, Александр, написал бы сразу, что она, RIAA-78, просто-напросто не существует в природе, рекомендации никогда не применяли производители винила, это ж сколько надо усилителей в рекордерах переделать, да и зачем, они и так стараются как можно выше порезать и погромче в этом месте сделать, чтоб дороги друг на друга не наезжали, а производителям техники даже и в голову такая мысль не приходила, в дешёвом хайфае, в техниксах, акаях разных, как и в дорогом хайфае, не совсем в ширпотребе, аккуфэйз, лаксмэн, и тогда и сейчас есть рэмбл-фильтр против рокота, как и есть фнч фильтр для урезания треска и вч шумов. Придумали её наши незадачливые самодельщики из ж. радио, и извлекали прибыль мелкую из публикаций в нём и подобном. Уже как сорок лет! Форум солидненький уже становится, есть глубинные слои, в которые по лайкам попадаешь, читаешь, удивляешься, можно порадоваться, и тоже лайкнуть в ответ. Не гоже такое писать, в солидном уже, на Сундуке вот не пишут такое. На самом деле, и в то самое время, в конце 70-х уже стали появляться так называемые Минималистичные усилители, предвестники хайэнда, двухручечные, Селектор входов и Громкость и всё, ну и сетевой выключатель сзади))) где вообще ничего лишнего и в помине не было, защиты колонок не было, ничего не было, а голая, старая RIAA 1953 года, ставшая стандартом в 1958 году была, усилители были как транзисторные, так и ламповые. Хорошо, что самодельщики из ж. радио про Полюс Ноймана не слышали, а то бы было! Но его тоже не было в природе, тоже фейк, фантазии... ..."на знаменитом резаке Neumann VMS 70 стоит внутренний фильтр на 16 кГц, для окончательной надежности от возможного брака... ...перед созданием лакового мастера с девственностью оригинальной фонограммы никто не цацкается, фильтруют ее в хвост и в гриву. Не то что ультразвук, который вряд ли вообще имел место, вычищаются все потенциально опасные высокочастотные участки, которые могут вызвать всплеск сибилянтов..." Вот редкий пример, когда упомянуто про RIAA, пластинка 1958 года:
-
Надо забыть про Лаутеры, не пиарить, не упоминать даже лишний раз, люди купят самый дешёвый, на феррите, будут разочарованы, неудача раздавит их, Лаутеры сложные, они для Мастеров, которые знают, как их укротить. В динамиках AER в дальнейшем, немецком развитии Лаутеров, или подражании им до 23 кГц. .... "устанавливавшие батарею из многочисленных ШП в щит или ОЯ, обнаруживая...." - это не совсем наши люди, это другие, с ними не сюда. Выше попросили привести примеры, я привёл один совершенно недоступный сейчас динамик по разным причинам, и совсем недорогой, массовый и раскрученный, ставший совсем дешёвым, после того как дико кричал на протяжении полугода на старом АП, в руках человека, который не видел его ещё тогда и не слышал, а услышал через полгода через усилитель на микросхеме.... И в тоже время эти динамики работали в фабричном и самодельном оформлении Никерманн, на соседнем тогда аудио гаррет, там целые ветки были, в колонках bose, в разных других колонках по всему миру, их применял А. Князев, не ругал М.Н.Ураков, восторгался упомянутый выше Дж.Эсмилла. Они идеально ровные в родном, студийном оформлении в ящике-фазоинверторе с портом и грилем, у меня как раз такие, на магните наклеены кольца из пробки для фиксации, видимо. Есть куда лучший и более сбалансированный вариант АД 5200, точный номер опять забыл, надо смотреть в той, другой теме, 12 дюймов, 40-16.000 гц. на все случаи жизни, есть вообще шикарные Филипсы, без рюмок (виззеров), более старые, много писал Сергей Ефимов. Это правильно с точки зрения людей, прошедших обучение по профилю, для рекомендаций покупателям по поводу выбора. Самодельщик не нуждается в правильных советах, он сам всё пробует, полагаясь на свой опыт и своё представление о том, как должно быть. А вот что-то с Изофоном и не пошло дело тут, даже с хвалёными Оркестра, или как их. Совершенно верно, шеф долгое время возил с собой маленький колокольчик, и с ехидным видом звенел перед лицом пациента, демонстрируя, возникающие и затухающие и стихающие.... Какие жанры смотря, если камерную, скрипичную, небольшие составы без массивных инструментов, то можно 8-10 инч. И если небольшое помещение, но в последнее время склоняюсь к большим формам, крупным ширикам, покажу фотки как-нибудь.
-
-
Forum Statistics
-
Total Topics9.8k
-
Total Posts106.3k
-

Recommended Posts
Join the conversation
You can post now and register later. If you have an account, sign in now to post with your account.