Ламповый Фоно корректор на 6Н2П+6Н23П
-
Recently Browsing 0 members
- No registered users viewing this page.
-
Клубы
-
Радиорынок
Public Club
-
ROCK-N-ROLL FOREVER!
Open Club · 9 members
-
Кружкин Дом
Open Club · 31 members
-
MASTER TUBER
Open Club · 5 members
-
Hi-end по-русски
Open Club · 58 members
-
Излишки тумбочки
Public Club
-
Радиолюбительские технологии
Open Club · 8 members
-
Магазин Иван Иваныча
Public Club
-
Джаз от SJ
Open Club · 24 members
-
Тестовый клуб
Open Club · 19 members
-
БАЛАНС
Read Only Club · 1 member
-
-
Сообщения
-
Дело не в любви,на мой взгляд.Настоящий тонарм сотворить очень и очень непросто.Далеко не у каждого есть доступ к станкам и навыки работы на них. Шредер пожалуй единственная конструкция доступная для изготовления в кустарных условиях.Разумеется со своими недостатками,но с очень неплохим результатом.Хотя-бы это просто красиво Да и переболели этим многие несколько лет назад. Я тоже самоделками не так давно занялся. sme3009 сделал можно сказать на слабо. Но с тех пор и увлёкся самодельными вертушками.Интересное занятие,надо сказать. Примерно так.
-
Не любит здесь народ на одном подвесе тонармы ;). В любом случае надо запустить прототип и свои косяки уже понять. И попробую с деревяшкой повозиться. А что за спец сверло надо, кроме его длинны? Можно носик утоньшить сверла где начинаются стружкоудалители-перегордку свести к минимуму, так в ювелирке делают чтоб сверло точно в том месте где надо сверлилоб,а не рыскалоб Второй, очень не гламурный вариант с низу паз вырезать камушком, и проложить провод и заделать клеем опилками этого же дерева. Но очень не красиво это
-
Сварка была в отечественных радиоприемниках 50-х годов. Видел и не в одном. Удивило. Названий не помню. Как-то звук при использовании "бюджетного" винилового проигрывателя получше, чем лента на "бюджетном" магнитофоне. Видимо дело не в количестве контактов. P.S. Дипломная работа, студента, вечного, только на диплом 8 лет. "О новых критериях оценки усилителей", не больше ни меньше. Видимо выражения типа "недостаточная мягкость и прозрачность" нашли свою аудиторию. В основном циркулирует в Рунете. Более ничего по звуковоспроизведению нет. Электронные пучки, лазеры, патопсихология... Флюк? https://www.researchgate.net/profile/Daniel-Cheever
-
Согласен с поднятыми вопросами. Есть подозрение, что на сегодняшний день большинство того, что даже "самий перьвий копия с мастерлента, мамай килянус!!!"(С) пишется с цифры, а не с винила... Насчёт 19 скорости - на ней всё сильнее зависит от нюансов качества и состояния аппаратуры и ленты. И может быть не только "неплохо", но и "совсем хорошо".
-
По поводу перехода на ленту. Согласен, хороший катушечник на 38 скорости скорее всего уделает винил (опять же это на уровне субьективных оценок). На скорости 19 бюдженный катушечник уже под большим сомнением. Важно чтобы виниловое издание было хорошего качества (понятно, что помимо технологических огрначений записи на винил, качество звучания умудрялись дополнительно подубить). С виниловым трактом слишком много заморочек и привести его в "адекватное" сосояние очень не просто. В инете очень много, я бы осторожно сказал плохого качества рипов винила. Поэтому многие, послушав рип винила, считают, что винил не имеет шансов против магнитной ленты. Но сравнивать нужно в лоб, а не настальгировать на эровне эмоций воспоминаний. И здесь крути не крути без оцифровок не обойтись. Есть два пункта, из за которых магнитная лента для меня на данный момент не представляет интерес: 1. Где взять достойный по качеству материал? Я уже не говорю первую/ вторую с мастерленты в ее вариациях. Если и есть что тореально качественное, то ассортимент очень ограничен и стоит один концерт >200 евро. Большинство мегнитных записей сделано с того же винила. Конечно если запись винила позволяет. Об этом зачастую говорят открыто понимая, что обман скажется на имедже. 2. Магнитная лента неподьемна дорогая. Я не говорю о 30-40 летней Свеме, Тасме, Славиче... Давайте вернемся в реальность - пока нет альтернативы винилу в плане цена-качество. Если есть у кого возможность оцифровать и выложить хоть один трек с катушечника в достойном качестве. Реально интересно послушать и сравнить. Есть в инете клубы любителей магнитной ленты. пару треков удалось послушать. Скажу так - меня мягко выражаясь это не впечатлило, а ведь машины были полу/профессиональные типа Studer A80 и т.п.
-
Может не стоит торопиться? По любому у меня ошибки есть. Глядишь и подтянутся люди более компетентные в данном вопросе. Самому тоже интересно. На токарном и делать. Присбособу хоть из дрельки для вращения сверла в резцедержатель ,сверло правда специальное желательно. Не простая задачка однако.
-
Благодарю еще раз. Буду создавать эскиз в 3д и по чуть чуть токарю относить. Я все обдумываю деревянный стержень просверлить для тонарма, думаю как закрепить его чтоб вращался в противоположную сторону сверла, упор доп сделать как на токарном люнет с 3 роликами. И лаком шеллак или своим выдуманным на основе сандарака или мирры смолы.
-
Можно и так,а можно ещё так как на рисунке ниже в месте крепления шелла к трубке.Эту конструкцию демпфирования противовеса я подсмотрел когда делал копию SME3009 ,получилось хорошо ,повторил и в шредере. На алике продаются за недорого специальные эти резинки под тонарм SME .Кстати там и трубки алюминиевые и карбоновые есть любых диаметров.
-
В отсутствии в данном случае петли ОООС, это не имеет значения. Это кабели коаксиального типа. Если память не подводит, имеют существенно меньшую погонную емкость и лучшую помехозащищенность в сравнении с витой парой. Поскольку ГЗС не имеет своего собственного потенциала до момента заземления одного из выводов катушки, то и никакого выравнивания потенциалов, как в случае межкомпонентного соединения, не происходит. Если применительно к соединению ГЗС, правильным пример будет в случае балансного входа корректора или МС-трансформатора со средней точкой. Если ни того, ни другого нет, коаксиал будет предпочтительнее.
-
Вот как все хитро оказывается. Мой поклон что делитесь такими наработками и знаниями если все верно понял ,то вот так сделано у вас. 1)Ось вкручивается в корпус до упора, на ось с демпферами одеваем трубку из нержавейки. На нерж.трубку уже противовес. 2) Как крепиться нерж.трубка? Просто надевается на демпферы в натяг? 3)Трубка из нержы наверно доли миллиметра но не должна касаться корпуса, все верно? 4) крепежные винты справа слева что крепят тонарм, там где заземление, это про них вы имели ввиду что есть возможность чуть крутить тонарм по оси выставляя азимут? Благодарю вас
-
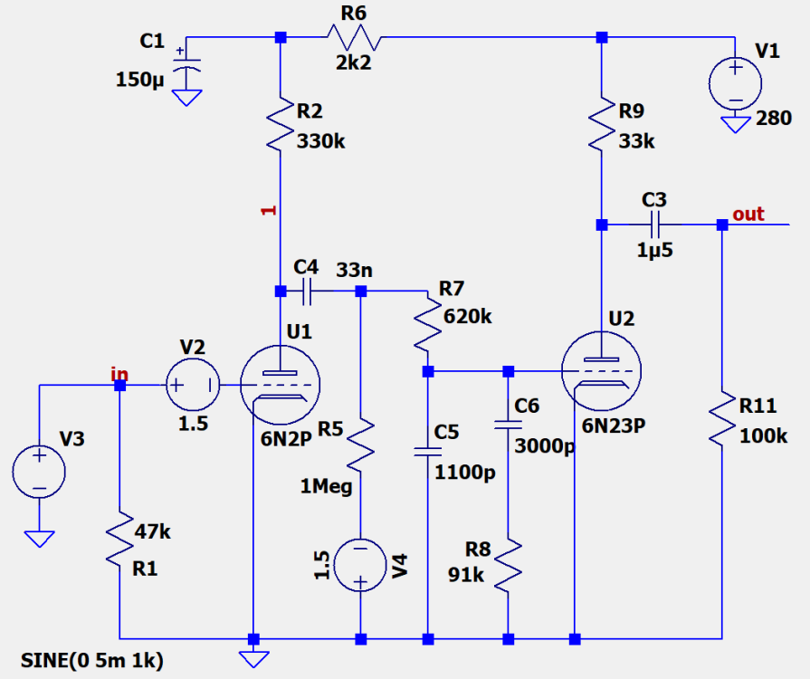
Ну а если по существу, то стабилитрон изначально я ставил в макет на 150в (1n5383b). При напряжении питания в положительном плече +165в мне показалось что запас маловат, и при колебаниях сетевого питающего напряжения, напряжение может опуститься ниже номинала стабилитрона. Поэтому на плате я укада стабилитрон на 130в (1n5381b) с запасом (165-130=35в). При этом нужно корректировать резисторы токоограничивающие перед стабилитроном, чтоб ток стабилизации нужный выставить. В принципе обааривнта жизнеспособны. Я все это опишу в итоговой схеме. касательно подстроечного резистора, в симуляторе и на схеме возможно устанавливал постоянный резистор для простоты моделирования. Но в железе лучше иметь возможность подстройки, поэтому резистор разбил на постоянную и переменную части. в общем немного терпения. Все соберем неспеша... Мы платы долго ждали из Китая... Поэтому много времени потрачено впустую в ожидании... Сейчас процесс пошел... 🚀
-
Дело в том что я пользуюсь им считай каждый день. Бывает ситуация что и проморгаешь по спешке. 2 раза уже.:) А так он на долгие годы.
-
-
Forum Statistics
-
Total Topics10.1k
-
Total Posts109.6k
-

Recommended Posts
Join the conversation
You can post now and register later. If you have an account, sign in now to post with your account.
Note: Your post will require moderator approval before it will be visible.