-
Recently Browsing 0 members
- No registered users viewing this page.
-
Клубы
-
Радиорынок
Public Club
-
ROCK-N-ROLL FOREVER!
Open Club · 9 members
-
Кружкин Дом
Open Club · 31 members
-
MASTER TUBER
Open Club · 5 members
-
Hi-end по-русски
Open Club · 58 members
-
Излишки тумбочки
Public Club
-
Радиолюбительские технологии
Open Club · 8 members
-
Магазин Иван Иваныча
Public Club
-
Джаз от SJ
Open Club · 24 members
-
Тестовый клуб
Open Club · 19 members
-
БАЛАНС
Read Only Club · 1 member
-
-
Сообщения
-
Друзья если есть желающие можете сделать список деталей на весь проект... По схеме... Чтоб остальным удобнее было заказывать...
-
Фото готовой платы... Для ориентира по форме и виду деталей... Измененные типы деталей а также те которые не нужно запаивать отметил красной линией...
-
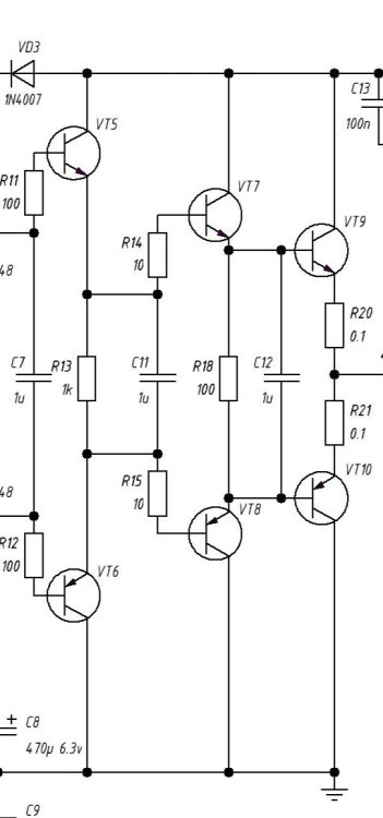
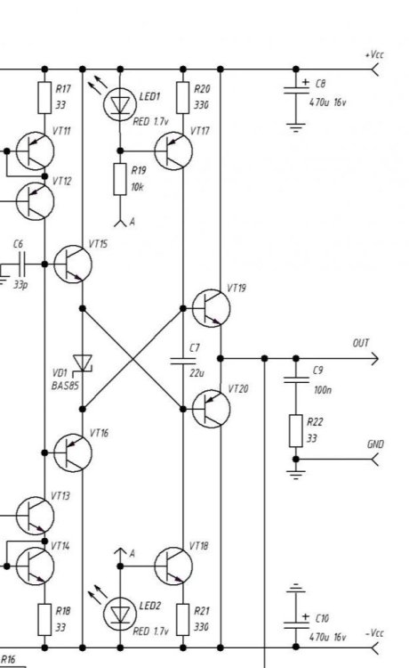
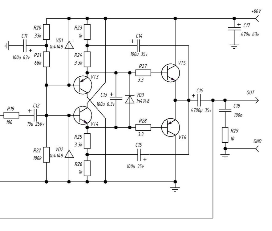
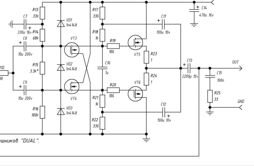
Итоговые схема и плата сервисная (в ней изменения смотрите внимательно отличия от ваших вариантов. Отличия в номиналах деталей и некоторые детали я исключил из схемы, вам их просто не запаивать. И УЧЕСТЬ ИСТОРИЮ С ПЕРЕРЕЗАНИЕМ ДОРОЖКИ И ДОБАВЛЕНИЕМ ПЕРЕМЫЧКИ, выкладывал фото выше в теме. Основные платы с лампами пока не собраны, но они отрабатывались на макете и 100% рабочие ...если что-то потребует корректировки сообщу отдельно после сборки... OTL Х-Х 10 шт.pdf
-
Привет, Дмитрий. Напомню о себе — ты мне делал РТ на магнитопроводе 100см2 несколько лет назад. С РТ все отлично. У меня друг хочет такой же. Я ему куплю магнитопровод, ПЭТВ-2, изоляцией, с намоткой вручную я справлюсь — руки из нужного места растут. Но нет технологии. ------------------- Получил недавно письмо.
-
Обалдеть , руки у вас золотые. Я все хотел купить токарный небольшой, фрезер...но так и не решился, место есть. Так что все к токарю поволку.
-
Говоря субъективным , мягко выражась , языком . Две есть (у меня по крайней мере) номинации восприятия звука - это свободно воспринимающийся динамический и микродин. диапазон (скорость , ритмика) ,и второе - это восприятие ""тела"" звука (особенно на НЧ ) , допускаю, что с тембральным разрешением всё (должно быть) слышимо (с референсных записей) и замечательно. Это всё , допустим может выдать виниловый формат источника или с ленты ( 38 скорость, 2 дорожки ) , но этот уровень должен пропустить и усилитель , и предусилитель (если он есть) и ... , самое финальное, АС . Если пропустят все три звена (источник -усиление - АС ) , то возникает живой музыкальный образ , часто фактически мало отличимый от реального. Если система отрабатывает критерии соответстия требований -усиление( усилитель , пред) и АС (последние желательно не компрессионной концепции ) , то практика показывает , абсолютное большинство здравослышащих (имеющих живое восприятие) легко определяет разницу не просто ММ и МС , а филигранно все нюансы и различия уже внутри ММ (""головёнок"" хватает за всю историю) и МС . В итоге у таковых есть любимые картриджи -как ММ (например Shure3d) , так и МС , так как в мире винила -как в жизни , где-то нужен топор (ММ на роке) , а где-то скальпель - МС на классике и джазе. Пример усилителя https://archive.org/details/manualsonline-id-bb8778f0-cd9d-4217-92dd-49424df0b7d7/page/n1/mode/2up , который удивил своею свободной динамикой и аналоговостью . От Марка Левинсона , слушал , удивлялся , потом обмерил и удивился ещё больше - при выходе 250вт на канал и лютом запасе динамического диапазона , по -3 дб АЧХ составила : 2,5гц - 39000 гц. С началом спада с , внимание, 4 кгц. Понятно , работает традиц. ФНЧ , но назначили его так, что он копирует характер АЧХ типового триодного лампового S.E. , причём далеко даже не уровня ""флагманских"" АЧХ однотактов Аудионот ( 5 уровень ) , где предлагается полоса до 70 кгц (-2дб ) . И вот тут ""сюрприз "" для тех, кто в лодке... . Rose Red Music , что я приводил https://archive.org/details/manualsonline-id-bb8778f0-cd9d-4217-92dd-49424df0b7d7/page/n1/mode/2up с с ""слабыми ""ММ , МС источником звучит ""бедно"" , но АН -за счёт крутейшего вытаскивания всего разрешения , вытягивает и таковых -как Мюнхаузен себя за волосы... . Мне по крайней мере постепенно стало ясно , почему люди на таковых усилителях ""прутся"" и имеют любимые свои ММ Shure 75 /// , тогда как моей системе сие уже .., подавай существенно подороже , типа Ортофона или Нагаоки -500 -ой . Игра в закономерности .
-
By Audioamator · Posted
кому мягкости не хватает, а кому "атаки и напора". Я многия лета тащился от "детальности" и "мягкости", а на старости лет мне эта "детальность" нафиг не вперлась. Особенно на Оззи и иже с ними. Проблема в том, что, если захочется какого-нибудь Поля Мориа или, не дай бог, Фаусто Папетти, то тут могут быть нюансы. Вернее, их может не быть -
Дело не в любви,на мой взгляд.Настоящий тонарм сотворить очень и очень непросто.Далеко не у каждого есть доступ к станкам и навыки работы на них. Шредер пожалуй единственная конструкция доступная для изготовления в кустарных условиях.Разумеется со своими недостатками,но с очень неплохим результатом.Хотя-бы это просто красиво Да и переболели этим многие несколько лет назад. Я тоже самоделками не так давно занялся. sme3009 сделал можно сказать на слабо. Но с тех пор и увлёкся самодельными вертушками.Интересное занятие,надо сказать. Примерно так.
-
Не любит здесь народ на одном подвесе тонармы ;). В любом случае надо запустить прототип и свои косяки уже понять. И попробую с деревяшкой повозиться. А что за спец сверло надо, кроме его длинны? Можно носик утоньшить сверла где начинаются стружкоудалители-перегордку свести к минимуму, так в ювелирке делают чтоб сверло точно в том месте где надо сверлилоб,а не рыскалоб Второй, очень не гламурный вариант с низу паз вырезать камушком, и проложить провод и заделать клеем опилками этого же дерева. Но очень не красиво это
-
Сварка была в отечественных радиоприемниках 50-х годов. Видел и не в одном. Удивило. Названий не помню. Как-то звук при использовании "бюджетного" винилового проигрывателя получше, чем лента на "бюджетном" магнитофоне. Видимо дело не в количестве контактов. P.S. Дипломная работа, студента, вечного, только на диплом 8 лет. "О новых критериях оценки усилителей", не больше ни меньше. Видимо выражения типа "недостаточная мягкость и прозрачность" нашли свою аудиторию. В основном циркулирует в Рунете. Более ничего по звуковоспроизведению нет. Электронные пучки, лазеры, патопсихология... Флюк? https://www.researchgate.net/profile/Daniel-Cheever
-
Согласен с поднятыми вопросами. Есть подозрение, что на сегодняшний день большинство того, что даже "самий перьвий копия с мастерлента, мамай килянус!!!"(С) пишется с цифры, а не с винила... Насчёт 19 скорости - на ней всё сильнее зависит от нюансов качества и состояния аппаратуры и ленты. И может быть не только "неплохо", но и "совсем хорошо".
-
-
Forum Statistics
-
Total Topics10.1k
-
Total Posts109.6k
-

Recommended Posts
Join the conversation
You can post now and register later. If you have an account, sign in now to post with your account.
Note: Your post will require moderator approval before it will be visible.