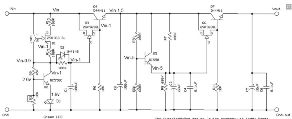
Источники питания TeddyReg
-
Recently Browsing 0 members
- No registered users viewing this page.
-
Клубы
-
Сверхлинейность
Open Club · 12 members
-
Радиорынок
Public Club
-
ROCK-N-ROLL FOREVER!
Open Club · 9 members
-
Кружкин Дом
Open Club · 31 members
-
Мастерская
Open Club · 11 members
-
Hi-end по-русски
Open Club · 63 members
-
MASTER TUBER
Open Club · 7 members
-
Излишки тумбочки
Public Club
-
Радиолюбительские технологии
Open Club · 9 members
-
Магазин Иван Иваныча
Public Club
-
Джаз от SJ
Open Club · 24 members
-
Тестовый клуб
Open Club · 19 members
-
-
Сообщения
-
Прекращаем! Или я вас обоих сейчас отправлю в читалку , до утра будете изучать литературу по искусству общения , плохо изучите, на неделю отправлю.
-
Значит унч с петлевым выше 90 дб вы не слышали ?! Зачем тогда несёте сюда откровенную дезинформацию ? На что расчёт или просто пофлудить зашли ?
-
Не обижайтесь, Сергей, но Вы пытаетесь всем насадить свою правду (истина едина, а вот правда у каждого своя) и преподнести её всем на кончике меча, как когда то конкистадоры отправлялись в Новый Свет, чтобы нести христианскую веру индейцам-язычникам. Испанские священники считали индейцев заблудшими душами и стремились спасти их, обратив в христианство. Впрочем, на форуме много таких, Вы же пишите очень много и у Вас это просто более явно проявляется, чужая правда Вам неинтересна, хотя вполне может быть и истинной. Надеюсь, такая характеристика не будет воспринята, как оскорбление достоинств? Я это без всякой злобы и претензий - нас уже не изменить, то есть факт.
-
By Васек Кукунин · Posted
А вот вы нормальных не слышали, видимо, это точно. Не у которых 100 нулей, метрических для фаллометрии, а нормальных, которые хорошо усиляют музыкальный сигнал до необходимого уровня и заставляют слушателя испытывать емоции. -
By Васек Кукунин · Posted
Как вы тут пишите, ежели грамоте не обучены? Со словариком? -
Как вы это определили если никогда таких унч не слушали ? Рабинович напел по телефону ?
-
Многое. Я не спорю, а пытаюсь добиться истины, правильной, точной информации, в инете изобилие домыслов, фантазий, дезы и откровенного бреда.
-
А зачем тогда выкладывать статейку эту? Особо одиозные высказывания выделены черным цветом. Пользующееся импульсным Б.П. точно не согласятся с первым. Кто знает, как работает трансформатор, не согласятся со вторым. Нелинейные искажения у ламповых усилителей измеряются на 1-м ватте и при 1-м %, это полная мощность, нормируемая, никаких других процентов быть не может. Смотрим мануалы с параметрами у Одноактных на примере Аудио нот Кондо, а у Двухтактных у Аудио рисерч, например, у массы других. Параметры весьма хорошие, реальные и приятные для глаз. Кто, будучи на старом АП читал в журналах Белканова статьи того же Краухерста знает истинные параметры и способности усилителей, читали про "древние триоды, у которых и искажения невозможно измерить" ввиду малости их. Про никакой "ламповый, особый, тёплый звук", люди, работающие в индустрии слыхом не слыхивали, среди ламповиков много усилителей с абсолютно нейтральным звуком, такими считаются, например усилители Лэмм. Ну и так далее...
-
п.с. Возможно лучше так: (перенести статью полностью на наш форум) ____________________________________________ История ламповой «магии» С момента зарождения и массового распространения транзисторной техники появилось понятие «мертвый», «холодный» транзисторный звук, детально о причинах возникновения которого можно прочитать здесь. Транзисторные усилители ушли далеко вперед с момента своего появления, и, благодаря совершенствованию схемотехники, феномен «транзисторного звука» перестал существовать. При этом многими заинтересованными людьми отмечалось, что при прочих равных (КНИ, АЧХ, источник, тракт и т.п.) одно и то же произведение, при воспроизведении на ламповых и транзисторных УМЗЧ звучит по-разному. Эта разница, а также несколько подмоченная репутация транзисторных аппаратов и явились причинами представления о превосходстве ламп, формирования понятия ТЛЗ, а также многочисленных спекуляций на ламповой теме. Рост массового выпуска недорогих интегральных усилителей и AV- ресиверов, при снижении их себестоимости (а соответственно и качества элементной базы), укрепил мнение некоторых аудиофилов о негодности транзисторных систем. Это явление стало известно как ренессанс ламповой техники в конце 90-х — начале нулевых. Производители не стояли на месте, качество транзисторных и цифровых решений росло, при этом цены на теплые лампы кусались с остервенением американских бульдогов. Последнее обстоятельство сделало лампы интересными лишь узкому кругу фанатично настроенных искателей безупречного звука, очень богатых людей и радиолюбителей-энтузиастов. Ламповая «магия» в психоакустике и схемотехнике Психоакустика ТЛЗ Когда мы говорим о ТЛЗ, мы имеем в виду тембральные особенности воспроизводимого звука, т.е. так называемую «окраску». По сути «окраска» — это ничто иное, как гармонические искажения + характерные особенности графика АЧХ. Полностью избавиться от искажений нельзя, но можно свести их присутствие в спектре к минимальным значениям, при которых человек не будет их воспринимать. В случае с ламповыми усилителями – это преимущественно четные гармоники. Известно, что четные гармоники человек воспринимает как более благозвучные (приятные на слух) искажения. При этом в транзисторных усилителях КНИ, как правило, значительно ниже, что говорит о более высокой верности воспроизведения. Именно благодаря большому количеству четных гармоник в спектре, ламповое усиление активно применяется для гитарной аппаратуры. Там искажения позволяют создать необходимое звучание (т.е. фактически усилитель является частью инструмента). При этом наличие их в звуковоспроизводящей аппаратуре многими считается недостатком, так как аппаратура должна максимально точно воспроизводить записанное, а не искажать (приукрашивать, изменять). Другие, напротив, считают этот эффект преимуществом, ввиду благозвучности таких искажений. Также необходимо отметить, что человеческий слух по-разному воспринимает гармоники разного порядка. Scott Frankland, Ирина Алдошина, Александр Войшвилло и прочие замечательные люди, проводившие исследования на эту тему, пишут, что чем выше гармоника, тем она заметнее влияет на восприятие и тем субъективно хуже человеком оценивается звук. Например, 1% второй гармоники не смогут услышать даже эксперты-профессионалы, а в диапазоне 1,8-3,5% вторую гармонику способны обнаружить большинство людей. При этом десятую замечают уже при наличии 0,1%. Психоакустические исследования выявили, что: «Заметность на слух какой-либо гармоники прямо пропорциональна квадрату ее номера» Характерная особенность: в спектре сигнала ламповых усилителей гармонических составляющих не более пяти, что существенно меньше, чем в спектре транзисторных устройств (где в него нередко «просачиваются» 9-я, 11-я и др. высокие гармоники). Также было установлено, что присутствие одних гармоник способно маскировать другие. Например, наличие второй гармоники скрывает от восприятия третью. Эти исследования привели к выводу о том, что наиболее благозвучным для человеческого слуха является сочетание постепенно спадающих по уровню гармоник (вторая большая, третья меньше второй, четвертая меньше третьей и т.п.). Именно так дело обстоит с гармониками при использовании ламповых УМЗЧ. Краткие сведения о схемотехнике ТЛЗ «Магически» правильными, с точки зрения схемотехники, считаются однотактники без ООС. Линейные характеристики ламп, лучше, чем характеристики полупроводников. Отсутствие же ООС позволяет предотвратить появление значительного количества интермодуляционных искажений. С той же целью в ламповых усилителях, созданных в рамках этой философии (иначе не назовёшь), отказываются от установки импульсных блоков питания (по утверждению ряда авторов, использование импульсников приводит к увеличению IMD и появлению фона). В большинстве случаев ещё одним средством изменения (благозвучного искажения) являются мощные выходные трансформаторы, которые, не редко, снижают линейность АЧХ, акцентируя средние частоты. Но это в теории, а на практике… «благодаря» этим решениям многие HI End ламповики поступают в продажу с уровнем IMD более 7-10 %, а КНИ (коэффициент гармоник) может достигать 3-5%, что не соответствует даже классическому Hi-Fi стандарту. О типичных минусах однотактных схем и отсутствия ООС написано достаточно: КПД, теплогенерация (в прямом смысле), энергопотребление, высокая масса, низкая мощность – это «сакральные» жертвы «божественному звуку». Получается, что лампа звук как бы «облагораживает», но делает это за счет спектрального состава и особенностей гармонических искажений, а также спорных схемотехнических решений, изменяющих АЧХ и тембральные особенности. Т.е. фактически получается, что для пользователя «теплой лампы», помимо прочих свойств звука, важна не верность воспроизведения, а наличие благозвучных искажений. Это и является камнем преткновения в спорах о таких УМЗЧ. В сухом остатке, получается, что легендарный ТЛЗ – это: Насыщенность звука четными гармониками; Ограниченность порядка гармоник пятой; Постепенный спад уровня в спектральном сочетании гармоник (чем больше порядок гармоники, тем ниже уровень) Наличие характерных особенностей АЧХ обусловленных применением выходного трансформатора; Вот и вся магия. И да, это действительно красивый звук, если это слово применимо к звуковоспроизводящей аппаратуре… Красивый, «теплый», но в большинстве своём, менее точный. Итог Суть ТЛЗ во вполне конкретных, типичных особенностях изменения (обработки, искажения) сигнала. Критика транзисторных усилителей должна остаться в далёких семидесятых, так как качественные образцы этой техники ничуть не уступают лампам, а порой значительно превосходят (при одинаковой стоимости), благо камни в работе уже больше 40 лет. Ламповые УМЗЧ архаичны, с точки зрения схемотехники и философии HI-FI, но представляют высокую субъективную ценность для людей с определёнными вкусовыми предпочтениями. Лампам не пора на свалку, так как, не смотря на возможность полного цифрового эимулирования эффектов ТЛЗ (доказано гитарной аппаратурой), производители ориентируются на производство TRUE ЛУМЗЧ, угадывая ожидания традиционалистов от аудио. Кроме того лампы — предмет интересных экспериментов и опытов радиолюбителей, создающих звуковую аппаратуру. Какой усилитель выбрать каждый решает сам, а последнее слово всегда остается за субъективным восприятием. Буду рад живой и корректной дискуссии по теме. __________________________________________________ Prome_T18 мая 2017 в 14:18 Лампа еще может давать тот самый «воздух»* или «микродинамику»**, за что порой и расхваливается. * «воздух» — в контексте, это попавшая на запись естественная реверберация помещения в котором записывались инструменты или ансамбль, либо искусственная, добавленная в запись в очень малых количествах и прослушиваемая на записи только в достаточно хороших по качеству наушниках (которые всегда «усиливают» реверберацию) либо на хороших акустических системах в подготовленном для прослушивании помещении. Появление этого «воздуха», его усиление в ламповых УЗМЧ связанно с характерной кривой усиления имеющей существенные неравномерности и усиливающей сигнал низких уровней больше чем следует (исходя из правила что идеальный УЗМЧ должен быть абсолютно линейным). Таким образом «воздух» становится значительно более отчетливым именно у ламповых УЗМЧ при прочих равных. ** «микродинамика» — по сути то же что и «воздух», но в большей мере относящееся ко всякого рода «play noise», т.е. шумы возникающие и попадающие в запись непосредственно при исполнении, например дыхание исполнителя, шум одежды и т.д. Все эти мелкие детали «сложны» для воспроизведения и восприятия в силу своих крайне низких уровней и психоакустики восприятия (слишком тихие звуки маскируются более громкими), но в ламповых УЗМЧ, в связи все с той же неравномерной кривой усиления, эти мелкие детали значительно усиливаются и фактически преодолевают тот барьер когда, например, акустическая система физически не в состоянии отыграть такие мелкие нюансы. Тут и появляется ламповая магия «живого» и «настоящего» звучания. Sound_cULT18 мая 2017 в 14:27 Это всё здорово. И тут вопрос, чем микродинамические характеристики приличной системы "на камнях" будет отличатся от оных на вакуумных приборах? По опыту, у референсных транзюковых систем, для тех же студий звукозаписи — имею ввиду усиление для мониторов (которые, к слову почти никогда не используют ламповую аппаратуру для мастеринга, сведения, записи) пресловутого воздуха — хоть задышись, и без ламп. Относительно микродинамики на ВЧ, почти все ламповые системы по определению страдают проблемами. С остальным всё хорошо, но дело, как мне кажется, всё же просто в качестве устройства, а не в лампах (если говорить конкретно о "воздухе"). Источник: https://habr.com/ru/companies/pult/articles/370475/
-
А я не очень понимаю, что так не понравилось Сергею? По сути всё чётко и по основным характеристикам просто объединено и разложено по полочкам , без лишних "отсыланий на помойку" и собственно с достаточным пояснением, почему у лампы звук нравится больше. В комментариях ещё про "воздух" хорошо написано, вот всё это в совокупности и определяет выбор человека, несмотря на то, что современные транзисторные устройства (помянём наш новый клуб сверхлиненйников) вполне могут воспроизводить живой звук более естественно, т.как интермодуляционные и прочие искажения загнаны глубоко "под плинтус" , но остаётся вопрос предпочтений самого слушателя - его личный выбор - слушать максимально приближенно к оригинальному звучанию, что зачастую непривычно и не оправдывает наших ожиданий, или лампы с их окрасом, благоприятным для нашего уха, тем более что большинство присутствующих "обучались слушать" звук грампластинок, а не с сд или иного цифрового источника.. На мой взгляд всё честно, и лампы и хорошие транзисторные устройства (хорошие!!!) имеют право на "настоящий звук" , а за нами остаётся лишь выбор, личные предпочтения. И нет никакого смысла махать кулаками и клаву разбивать о голову оппонента, все правы - это же понятно, стоит лишь вникнуть в суть написанного....
-
Только обнаружил. В последних панельках пошла кирилица
-
Ну и кто Это написал без имени и фамилии, надёргал из разных источников, начал за здравие, а кончил за упокой, блогер-шмогер очередной? ..."отказываются от установки импульсных блоков питания (по утверждению ряда авторов, использование импульсников приводит к увеличению IMD и появлению фона)... ....В большинстве случаев ещё одним средством изменения (благозвучного искажения) являются мощные выходные трансформаторы, которые, не редко, снижают линейность АЧХ, акцентируя средние частоты... Но это в теории, а на практике… «благодаря» этим решениям многие HI End ламповики поступают в продажу с уровнем IMD более 7-10 %, а КНИ (коэффициент гармоник) может достигать 3-5%, что не соответствует даже классическому Hi-Fi стандарту..." !??
-
-
Forum Statistics
-
Total Topics10.4k
-
Total Posts111.6k
-

Recommended Posts
Join the conversation
You can post now and register later. If you have an account, sign in now to post with your account.
Note: Your post will require moderator approval before it will be visible.