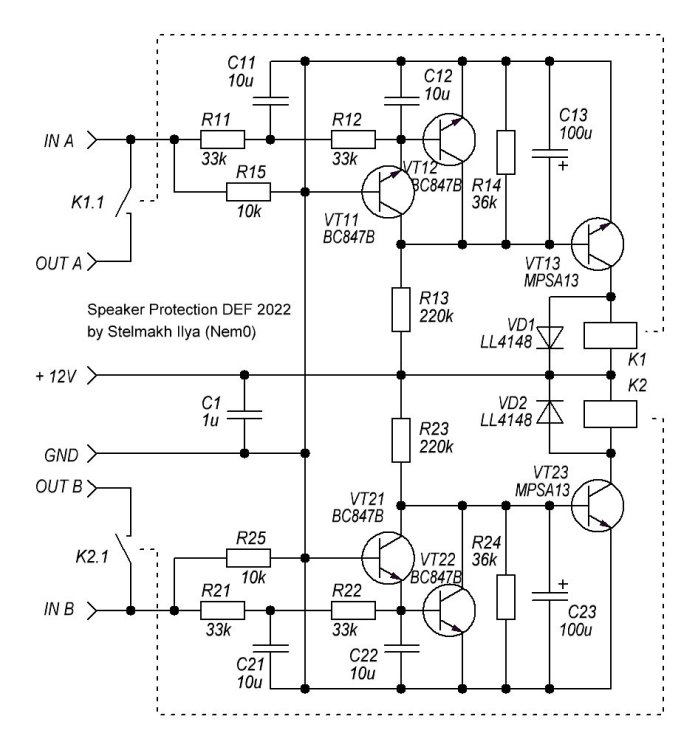
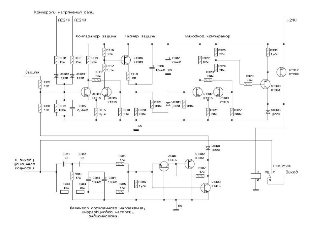
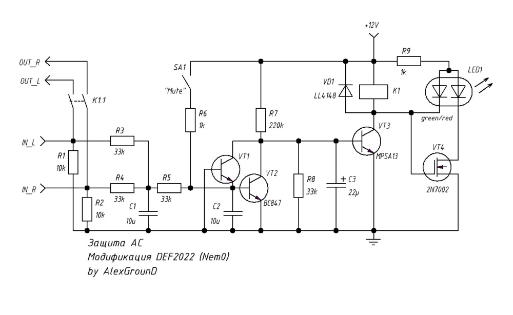
Схемы защиты акустических систем
-
Recently Browsing 0 members
- No registered users viewing this page.
-
Клубы
-
Сверхлинейность
Open Club · 11 members
-
Радиорынок
Public Club
-
Кружкин Дом
Open Club · 31 members
-
ROCK-N-ROLL FOREVER!
Open Club · 9 members
-
Мастерская
Open Club · 11 members
-
Hi-end по-русски
Open Club · 64 members
-
MASTER TUBER
Open Club · 7 members
-
Излишки тумбочки
Public Club
-
Радиолюбительские технологии
Open Club · 9 members
-
Магазин Иван Иваныча
Public Club
-
Джаз от SJ
Open Club · 24 members
-
Тестовый клуб
Open Club · 19 members
-
-
Сообщения
-
Мир уже не будет прежним Любопытство победило, проверил и о ужас, Нойтрик двадцатилетней давности (RCA с подпружиненным земляным контактом) тоже под золотом имеет подложку из никеля...
-
а сигнал с головы через какую схему проходила до ацп ? лампы транз или микросхемы?
-
Померил Спектрой через внешний АЦП с тестовой пластинки . И ноут тут же крякнул, даже не успел сохранить. Вот, например,спектр AT33PGT/ii
-
Вот рип 4 сезона Вивальди, без пароля, очень мне нравится классическое исполнение, запись 1976 года. Рипал вслепую, послушал, вроде ничего, даже слегка похоже на звучание оригинала. Корректор на AD797 и 2х OPA1656 с распределенной пассивной коррекцией акриловыми конденсаторами. Питание от аккумуляторов через DC-DC с сепиком. АЦП Olivin-2, Алекса Торреса.
-
добрый вечер, а как вы узнали про гармоники? у меня AT33Sa и OC30 какие у них гармоники можете подсказать ? заранее благодарю.
-
Сегодня открыл секрет ее хорошего звука, у нее 3 гармоника -70 дБ, хотя 2 примерно -45, даже чуть выше чем у AT33PGT/ii, около 50 дБ, сам обалдел. Хотел рипнуть пластинку, ноут сломался как назло, обидно.
-
Я в СКБ работал, этажом ниже работали химики, у нас был симбиоз, я таки химией в школе серьезно увлекался, а к ним ходил заказывать например позисторную керамику с темпертурой перехода +72,5 градуса, или просил растворить эпоксидку, но чтобы схема работала, они там были еще те кудесники и золотом крыли все, но только по никелю. Я им чинил всякое. А я по никелю ультразвуком разваривал кристаллы микросхем алюминием 30 микрон, а золотом так и не получилось нормально варить, не нашли нужного профиля сварки и не проходило тестирование на отрыв.
-
У меня AT33EV. Муха рядом не летала. Недавно приобрел. Дата сертификации 2018. Не так чтоб прям супер пупер, но однозначно звуком радует. Особенно хорош вокал, ну или это такое впечатление за счет того что заточка элипс. Мадэ ин жапан.
-
Вспомните битву о негодности провайдера сайта... А про технологию - читайте статьи из рецензируемых журналов или документы (типа технологических карт), а не рассказы то-ли продавца, то-ли починяльщика всего и вся (с его собственных слов). У производителя выше этим занимаются специально обученные люди. Хотя бывает всякое. Декоративное отличатся от электрического. Из обзора современных соединителей.
-
By Sagittarius · Posted
ЛТС-4 - испытанный симулятор, проверенный практикой. Программы высших грейдов, напротив, показали себя сырыми и глюкавыми. -
Ну, как бы, не понаслышке знаком с этим творчеством, делал и в золоте, и в меди, и в никеле. На тот же люминь золото не положишь, по этому подложка никель, а вот на железо никель положить можно, но не нужно, блеска как с подложкой из меди не получится.
-
By Sagittarius · Posted
Почему именно ЛТСпайс? Он более точен, чем другие. Что это такое и как с ним работать: https://kit-e.ru/switchercad-iii/ Самое простое руководство по ЛТС. С него я и начинал: https://kit-e.ru/spice/ Слово Автору программы: Почему ЛТС лучше всех симуляторов? или: Почему нет сверхлинейников ни в одном другом - да и быть не может? Раз: Корректность метода Ньютона зависит от (1) наличия непрерывных значений крутизны вольт-амперной характеристики каждого элемента схемы и (2) шунтирования всех нелинейных элементов конденсаторами так, что решение для предыдущей точки во времени является подходящей точкой для старта метода Ньютона для текущего временного значения. Условия (1) и (2) встречаются в любой физической схеме, но программы, использующие SPICE, как правило, не умеют правильно их применять, потому что представление ВАХ полупроводниковых устройств в оригинальной реализации SPICE от Университета Беркли является дискретным. Это приводит к погрешностям, и такие ошибки реализации исходных моделей присутствуют изначально и в платных версиях SPICE. В симуляторе LTspice такая дискретность отсутствует. Для иллюстрации этих отличий на рис. 1 приведены вольт-амперные характеристики диода в PSpice по сравнению с их представлением в симуляторе LTspice. (PSpice является зарегистрированной торговой маркой компании Cadence. В приведенных иллюстрациях используется версия 9.2.). Рис. 1. а) Неравномерная вольт-амперная характеристика диода в PSpice; б) равномерная вольт-амперная характеристика в LTspice. Неравномерности негативно влияют на способность симулятора моделировать нелинейные схемы. Ваш симуль не покажет корректно искажения усилителя. Нельзя на его данных основывать свои схемотехнические решения: он - ледащо. Два: Интегральный метод Гира (Gear integration method) в PSpice часто выдает ошибочные результаты. Интегрирование по методу Гира подавляет не только числовые колебания, но и все колебания, включая физические. В результате схема некорректно функционирует в реальных условиях, так как симулятор показывает идеально стабильную работу модели, поскольку физические колебания некорректно демпфированы на этапе вычислений. Уникальность LTspice заключается в том, что он использует самомодифицирующийся, самоассемблируемый и самолинкующийся код для вычисления разреженных матриц. Этот метод работает значительно лучше, чем другие технологии. Это важно при расчёте устойчивости усилителя. Если ваш симулятор некорректно показывает будливую схему устойчивой, в железе усилителю однозначная торба. Три: Метод Гира Разработчики аналоговых схем считали, что интегрирование методом трапеций недопустимо для аналоговых схем (некоторые пользователи вынуждены с недоверием относиться к SPICE из-за популярной литературы, которая недооценивает значение симуляции в SPICE), поэтому оно было удалено из коммерческой версии реализации SPICE — PSpice, а как единственно доступный был оставлен более медленный и менее точный метод Гира. Но интегрирование по методу Гира гасит не только числовые колебания, но и все колебания, включая физические. Данная особенность чревата тем, что схема некорректно работает в реальных условиях из-за присутствия колебаний, хотя симулятор показывает идеально стабильное функционирование модели. Так происходит потому, что нестабильность схемы демпфирована на этапе вычислений. В результате возникали катастрофические ситуации, в которых интегральная микросхема, промоделированная и рассчитанная в PSpice, а затем изготовленная в промышленных масштабах, оказывалась неработоспособной. Впоследствии потребовались значительные временные и финансовые затраты для устранения этой нестабильности и достижения необходимой функциональности этой микросхемы. Если разработчик микросхемы установит максимально короткий временной шаг, то в принципе ошибки интегрирования по методу Гира могут быть устранены. Но это не станет полноценным решением, поскольку (1) короткие временные шаги значительно уменьшают скорость симуляции и (2) нет никакого способа убедиться в том, что временной шаг действительно достаточно короткий. В документации к симулятору PSpice указано, что он использует модифицированный метод Гира, который лучше справляется с задачей выбора действительно коротких временных шагов, чем реализация интегрирования по методу Гира в реализации SPICE от Университета Беркли. Но метод, примененный в симуляторе PSpice, часто не работает. Очень просто создать обычную схему и увидеть, что численно интегрированный результат PSpice значительно отличается от реального решения, которое можно найти при расчете вручную. На рис. 2 показан параллельный резонансный контур с параллельно включенным источником тока. Источник тока выдает максимальный импульс тока в первые 0,2 мс, а затем падает до нуля. Решение предполагает, что резонансный контур возбуждается этим броском тока, а затем остается в режиме генерации с постоянной амплитудой. Рис. 2. Простая схема с известным решением, выбранная для проверки На рис. 3 показано, что модифицированное интегрирование методом Гира в PSpice искусственно гасит генерацию, в то время как симулятор LTspice выдает правильное решение с непрерывной генерацией вследствие отсутствия потерь в контуре. Рис. 3. PSpice (слева) использует модифицированное интегрирование по методу Гира, что приводит к некорректному подавлению «звона» для схемы, приведенной на рис. 2 Исходя из опыта автора статьи, модифицированный метод трапеций является лучшим средством для интегрирования дифференциальных уравнений для аналоговых схем, который не используется в других реализациях SPICE. Этот метод является единственным, который автор считает нужным рекомендовать для разработки схем. На рис. 3 видно, что интегрирование по методу Гира в симуляторе PSpice некорректно объединяет две реактивные нагрузки в обычной схеме с одним узлом. В основе этих ошибок лежит то, что интегрирование по методу Гира пытается сделать схемы более стабильными в симуляции, чем они есть на самом деле. Чтобы показать практические последствия таких ошибок, на рис. 4 показан аудиоусилитель, нестабильно работающий потому, что величина емкости компенсационного конденсатора С2 слишком мала. Рис. 4. Нестабильный усилитель мощности PSpice некорректно моделирует данную схему как стабильную, в то время как симулятор LTspice демонстрирует верный результат. Рис. 5. Симуляция ответной реакции нестабильного усилителя мощности на большой скачок напряжения: а) демонстрирует ошибочный стабильный результат; б) показывает верный результат с наличием автоколебательного процесса от LTspice На рис. 5 демонстрируется ошибочный стабильный результат (рис. 5а), а также верный результат с наличием автоколебательного процесса от LTspice (рис. 5б). На рис. 5 показана симуляция реакции на большой скачок напряжения. Если установить достаточно малый временной шаг симуляции в PSpicе, можно принудительно приблизиться к верному результату, допуская, что PSpice правильно интерпретирует уравнения моделей транзисторов и просто неточно интегрирует дифференциальные уравнения. Модифицированный метод трапеций создан автором несколько лет назад и впервые стал широкодоступным в программе LTspice. Исходя из своего опыта, автор считает модифицированный метод трапеций, который не используется в других реализациях SPICE, лучшим средством для интегрирования дифференциальных уравнений для аналоговых схем. Симулятор LTspice также поддерживает и другие методы, традиционный метод трапеций и метод Гира, однако они присутствуют в программе лишь для того, чтобы пользователь мог повторить ошибочные результаты из других реализаций симулятора SPICE и убедиться, что модели интерпретируются одинаково, но отличаются только методами интегрирования. (Ну, просто Бугога. Тролль ещё тот.)))) То есть: вы рассчитали в неком симуляторе свой усь, он опять сгорел. Просто неправильный метод расчёта убедил вас, что усь устойчив, а оказалось - это бочка с бензином. Четыре: Обратный пример: неправильный метод интегрирования видит звон там, где его нет. На рис. 6 показана схема, которая создает паразитный «звон» из-за весьма высокой нелинейности емкости, вызванной нетрадиционно подключенными MOSFET-транзисторами в инверторе. «Звон» виден в источнике тока I(V1). На рис. 7 приведено сравнение традиционного метода трапеций и модифицированного метода трапеций, использованного в LTspice. Рис. 6. Схема, которая подвержена липовому «звону» Рис. 7. Интегрирование методом трапеций по сравнению с модифицированным методом трапеций в LTspice (применительно к схеме, приведенной на рис. 6): а) обычный метод интегрирования методом трапеций допускает появление «звона»; б) интегрирование с использованием модифицированного метода трапеций в симуляторе LTspice полностью устраняет «звон» Обратите внимание, что большинство реализаций SPICE не сможет запустить данную симуляцию, так как в них используется емкостная модель Мейера для этого типа MOSFET-транзисторов. Но поскольку емкостная модель Мейера не сохраняет заряд и выдает неточные результаты для коротких каналов, от нее отказались еще в 1990‑х годах. Как в LTspice, так и в PSpice, емкостная модель Мейера (Meyer) заменена моделью заряда Янга — Чаттерджи (Yang — Chatterjee). В связи с тем что оба симулятора используют одни и те же обновленные уравнения сохранения зарядов, они должны выдавать и одинаковые результаты. Но если мы сравним результаты в программах PSpice и LTspice, как показано на рис. 8, то увидим, что PSpice демонстрирует крайне ошибочные результаты. Колебания, наблюдаемые в PSpice, не дают «звона», потому что они не происходят на каждом временном интервале, а PSpice не использует метод трапеций. Эти искажения практически полностью происходят вследствие ошибки дифференцирования уравнений Янга — Чаттерджи для емкостей, реализованных в модели зарядов в симуляторе PSpice. Рис. 8. а) Пример схемы, приведенный на рис. 6 в PSpice, не показывает «звон», но демонстрирует другие искажения, скорее всего из-за ошибки в применении модели заряда Янга — Чаттерджи; б) симулятор LTspice дает корректный результат. Заключение LTSpice не первая и не единственная бесплатная реализация SPICE, но это самая лучшая и широко используемая реализация данного симулятора. Метод Ньютона, метод разреженных матриц и метод неявного интегрирования формируют ядро численных методов в SPICE. Надежность симулятора, его скорость работы и комплексность зависят от того, насколько хорошо эти методы реализованы. Думается, симулятор LTspice вполне способен завоевать доверие разработчиков, наглядно продемонстрировав им свое умение корректно просчитывать поведение схем и выполнять важнейшие численные методы и делая это гораздо лучше других реализаций SPICE. Автор: Энгельгардт Майк (Engelhardt Mike) Тут приведены цитатные отжимки, насколько возможно полно передающие суть. Более подробно - тут: SPICE Differentiation.Различия в реализациях симуляторов SPICE Для прогнозирования работы электронных схем разработчики аналоговой техники часто опираются на результаты компьютерного моделирования. Ценность такого kit-e.ru Очень полезное руководство по симуляции трансформаторов. -
Не совсем понимаю что вы считаете, вот усилитель Неофит у меня был, плата там была моей трассировки и наводки 50-100 Гц вышли -80 дБ, прижав ухо к динамику я их слышал, там и на ВЧ что-то слышалось, похоже буферный каскад сказался (кому интересно на лдсаунд и уберидее есть схемы платы и т. д.), В Эльбрусе плата у меня получилась лучше и в динамиках совсем ничего не слышно как ухо не прижимай, иногда в зависимости от режима работы компьютера на ВЧ бывает что-то, комп коммутирует свой выход
-
By Sagittarius · Posted
Так как в последнее время прямо валом пошли учоные, неспособные сосчитать количество петель ООС в усилителе, внесём ясность в это вопрос. DDoS protection | CleanTalk Да вот, например. У нас тут классическая схема: входной каскад с высоким выходным сопротивлением, выход в точке 2. Следующий каскад с высоким входным сопротивлением охвачен миллеровской частотно-зависимой ООС - коррекцией через С3. Меряется это всё пробником Пробе1, зона 1. Что у нас тут военного? А тут у нас ошибка. Дело в том, что все петли ООС внутри усилителя принадлежат усилителю. К ним относится как ВЧ-ООС миллеровской коррекции, так и НЧ-ООС интегратора. А вот Главная петля ООС должна мериться отдельно от них, пробником, включенным только в её петлю. Если мерить какие-то внутренние петли ООС, то надо отдавать себе отчёт, что мы меряем, как мы меряем и как надо мерить, что показывает снятая АЧХ и почему. Тут схема измерения глубины ООС собрана правильно: пробник Миддлбрука V1 вставлен строго в Главную ООС. В корректирующей петле С1 пробников нет, что указано стрелками. Усилитель неустойчив: АЧХ пересекает 0 дБ под двойным углом, 40 дБ/декаду. Но не суть. Зерно в том, что это - правильная АЧХ, и ею можно пользоваться, чтобы довести усилитель до ума. Переключим петлю миллеровской ООС так, как показано на самом верхнем рисунке: С1 - к выходу, параллельно Главной петле, к точке НФБ. Сразу петлевое на 20к возросло до 80 дБ. Это - ровно суховский случай, когда он мерил совместное усиление Сары и корректора, громко радуясь непомерной удаче с незаслуженным ростом петлевого: Такого счастья быть не может. Или может? Перепроверяемся: ОУ АЧХ усиления. Классическое измерение глубины ООС. ОУ включен повторителем, и теперь его глубина ООС равна Кухх на даташитных графиках выше. 30 пФ коррекции соответствует глубине ООС 45 дБ@10к, как и на графике из даташита. Усилитель устойчив до единичного усиления. Переключаем С1 заведомо неправильно, к петле Главной ООС. 10 кГц - 85 дБ, как в аптеке. Но где же действие коррекции, сбивающее усиление до 45 дБ при 10к? Значит, если мы внутреннюю петлю ООС включаем вместе с внешней Главной, их усиления суммируются, и теперь ничего не понять: коррекция есть, но усиление она не уменьшает! Она отключена неправильным способом измерения глубины ООС и теперь график указывает на неустойчивый усилитель: Переключаем пробник Миддлбрука в петлю ООС частотной коррекции: График показывает область частот её работы. Это - ВЧ. Итого. В усилителе бывает много петель ООС. Нам надо знать действие, отношение к линейности и полосу работы каждой. Для этого надо включать пробник в каждую петлю и усиленно думать, что он показывает и почему. Царских путей в электронике нет. Как мерить глубину ООС.zip
-
-
Forum Statistics
-
Total Topics10.4k
-
Total Posts111.9k
-

Recommended Posts
Join the conversation
You can post now and register later. If you have an account, sign in now to post with your account.
Note: Your post will require moderator approval before it will be visible.