Наш, Российский Darling! (Архив Аудиопортала)
-
Recently Browsing 0 members
- No registered users viewing this page.
-
Клубы
-
Радиорынок
Public Club
-
ROCK-N-ROLL FOREVER!
Open Club · 9 members
-
Кружкин Дом
Open Club · 31 members
-
Излишки тумбочки
Public Club
-
Радиолюбительские технологии
Open Club · 8 members
-
Hi-end по-русски
Open Club · 56 members
-
Магазин Иван Иваныча
Public Club
-
Джаз от SJ
Open Club · 23 members
-
Тестовый клуб
Open Club · 19 members
-
БАЛАНС
Read Only Club · 1 member
-
-
Сообщения
-
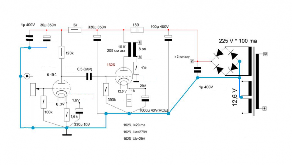
Сегодня пришлось немного починить свой se на 6п36с. Сдохли разом в обоих каналах катодные резисторы у 6п36с. Стояли какие то мейд ингланд 560 ом 20 ват . Бахнули знатно , часть их корпусов намертво приклеились к шасси. Поставил китай 100 ват 800 ом , в метал корпусе , что было по наличию , и в параллель им керамику 2к 5 ват , дабы приблизиться к начальным 560 ом. Какая возможная причина ? Лампы остались живы , после замены резисторов режимы практически сошлись с теми что записывал при сборке в блокнотик. Схему и немного фото самого уся , а так же замеров rmaa прикладываю. Буду рад критике схемы и самого монтажа ( монтажник из меня конечно так себе ) 😀
-
Озонатор снизу. И греть пластинки противопоказано
-
By AlexKorotov · Posted
Серый он, скучный, и эти искажения, я их тоже слышу. Может это какая-то индивидуальная особенность, но я их всегда на поворотных слышу. Я винил мало слушаю, изредка техникс тангенциальный слушаю, кмк он лучше торенса. У тангенциалов выбор головок невелик, они там маленькие, к сожалению эти тр4. Техникс конечно ужасно сделан, все там болтается, каретка люфтит, но работает как то. Если сам стол еще из литья, то тонарм и привод его пластиковый ужас. Мне лень обычно с пластинками возиться, копирую на кассеты, с них и слушаю в основном. Хотя я замечаю, что все повторяется, может когда нибудь и вернусь к этому торенсу. Или в крайнем случае поставлю его тонарм на самодельную каретку - будет тангенс. -
подогрев к ней шел? или это озонатор с низу?
-
By Васянин Сергей · Posted
К сожалению нужен от возбуда. Хотя возбу мог случиться от не оптимального монтажа макета, посмотрю, но 1ком все лучше, чем без повторителя. Может я и перестраховался с повторителем, обжогшись на более мощном каскаде, но пусть пока будет. Послушаю, потом решу. -
Понятно. Я мельком читал ваши посты в ленте активности, думал у вас тангенциальный корвет, потом вспомнил, что такого и не было в природе, думал поставили туда какой-то другой тонарм, перечитал в контенте вашем, говорите про какую-то непонятную машинку, так что сейчас за проигрыватель у вас? Ясно, представляю, примерно, что применена одесская коррекция, придуманная американами в начале 50-х, наверное, игла туго ходит, шунтированная таким малым сопротивлением? Ортофон ОМР это же вроде самая низкая, начальная серия у Ортофона, это же ТР4, для диджеев, зачем туда вставлять дорогую иглу, плохо же будет? И ругали раньше такую иголку Фрица Гигера этого... непонятно. Пластинки советские эти директ митал мастеринг цифровые, ужасного качества, а вы хвалили, Бизет Кармен, кажется, упоминали, поясните, пожалуйста. А усилители мощности с акустикой у вас какие, если не секрет? А что не понравилось, Александр, торенс 160 считается хорошей вертушкой, это младший брат флагмана фирмы, легендарного ТД125-го, немецкое вечное железо! Тот же привод, диск, шикарный тонарм ТP16, явно лучше СМЕ 3009 второй серии - жёсткий шелл, магнитный антискейтинг, вечный микролифт. Рабочая машинка, не нравился только пружинный подвес, дурь, имхо. А с чем сравнивали, что за тангенциал был?
-
А нужен ли там в смещении резистор 1к , если важно низкое сопротивление источника ?
-
By Васянин Сергей · Posted
Повторитель стоит для уменьшения внутреннего сопротивления источника смещения, на звуке это отражается, особенно на низких. -
Не выдумывайте. Я задал Вам простой вопрос, что по-вашему значит "отлично звучащий усилитель"? Просто "отличный от других") или еще есть какие критерии? Про поменять на "хороший" выше), а подстраивать как предлагаете? Вот в ранешнее время были ГОСТы, которые регламентировали тех. характеристики для аппаратуры разных классов. Был и импортный стандарт DIN на т.н. "Hi-Fi". Были ГОСТы и на способы измерения этих самых параметров. Но это всё, наверное, глупости и скукотища. Ведь сегодня у каждого второго радиолюбителя "референсная аудиосистема" А кто в этом сомневается- так он просто не в теме
-
А по моему совсем некрасивые. Ужасные просто... Зубы дракона какие-то. И тема вообще странная какая-то. "Наши акустические системы"... Название предполагает, что участники форума будут здесь делиться тем что стоит у них дома в системе и почему их выбор такой. А здесь говорильня ни о чем какая-то.
-
By johnson1496 · Posted
Сергей, добрый день. Занимаюсь тем же, естественно свой вариант. Подскажите в схеме в 1 посте зачем полевик повторитель после ИТ в смещении верхней лампы каскода. -
Серьёзный, похоже, товарищ, наш человек, но зачем жилище и кровать то показывать убогие?
-
Большое спасибо! Душевно. Пафнутичи отдыхают.
-
-
Forum Statistics
-
Total Topics9.6k
-
Total Posts103.6k
-

Recommended Posts
Join the conversation
You can post now and register later. If you have an account, sign in now to post with your account.