-
Posts
959 -
Joined
-
Last visited
-
Days Won
16
Content Type
Profiles
Forums
Events
Everything posted by vs music
-
По компандеру СХ есть вот такая статья . audio-1982-02pdf-pdf-free.pdf audio-1982-02pdf-pdf-free2.pdf
- 637 replies
-
- riaa
- фонокорректор
-
(and 6 more)
Tagged with:
-
Применение ЛЮБЫХ компандеров всегда ограничивает пользователя - ему нужно покупать новое устройство для воспроизведения ( а передовые новинки техники всегда продавались дороже ) , и много других неудобств ( несовпадение уровней сигнала у разных производителей , неточности калибровки , и пр ) . Многие люди не хотели с этим заморачиваться - их и так вполне устраивало качество звука ...
- 637 replies
-
- riaa
- фонокорректор
-
(and 6 more)
Tagged with:
-
Запись всех пластинок после 40-х годов всегда делалась с коррекцией ( хоть и по разным стандартам , но с коррекцией ) - при нарезке уменьшали амплитуду НЧ-сигналов , чтобы сохранить устойчивость картриджа в канавке при воспроизведении НЧ , и чтобы повысить плотность записи на пластинке . В конечном итоге это ( хотя и не только коррекция ) - позволило выпускать пластинки на 33-й скорости ( Long Play ) c сохранением качества звука .
- 637 replies
-
- 1
-
-
- riaa
- фонокорректор
-
(and 6 more)
Tagged with:
-
Я не видел схему СX , но пластинка была записана жестковато ( а альбом-то был Гранд Фанк 1971 года , хотя пластинка уже была переизданием 80-х годов ) . Звук на ВЧ был неприятным , и в 80-х годах корректоры с декодером CX даже в моем портовом городе купить было маловероятно . Да и таких пластинок мне больше не попадалось , думаю - их не так много и выпускали ....
- 637 replies
-
- riaa
- фонокорректор
-
(and 6 more)
Tagged with:
-
Пластинки с компандерной записью выпускались серийно в начале 80-х . СХ-компандер . На пластинке было обозначение CX . У меня была одна такая пластиночка - досталась при обмене пластинками в середине 80-х ....Потом выменял её дальше по цепочке - слушать её ( не имея декодера CX ) мне не нравилось...
- 637 replies
-
- riaa
- фонокорректор
-
(and 6 more)
Tagged with:
-
Частотно-зависимое усиление дает не головка , а частотная коррекция записи при нарезке лакового диска . Головка как раз имеет более-менее ровную АЧХ .
- 637 replies
-
- riaa
- фонокорректор
-
(and 6 more)
Tagged with:
-
У Макинтош и в старых транзисторных предах ( С-24 , С-26 , С-27 ) хоть и были простые схемы корректоров , но питание этих схем было больше 70 вольт ( вроде я уже выкладывал такую схему в соседней теме о корректорах )
- 637 replies
-
- riaa
- фонокорректор
-
(and 6 more)
Tagged with:
-
Фирма AR , действительно - в основном ламповая . Выпускали некоторые модели транзисторных корректоров с высоким питанием . И не все они были черезчур сложными . Вот схема по-проще , и как раз НЕ баласная . Экспериментировали , двигали технический прогресс , так сказать ....
- 637 replies
-
- riaa
- фонокорректор
-
(and 6 more)
Tagged with:
-
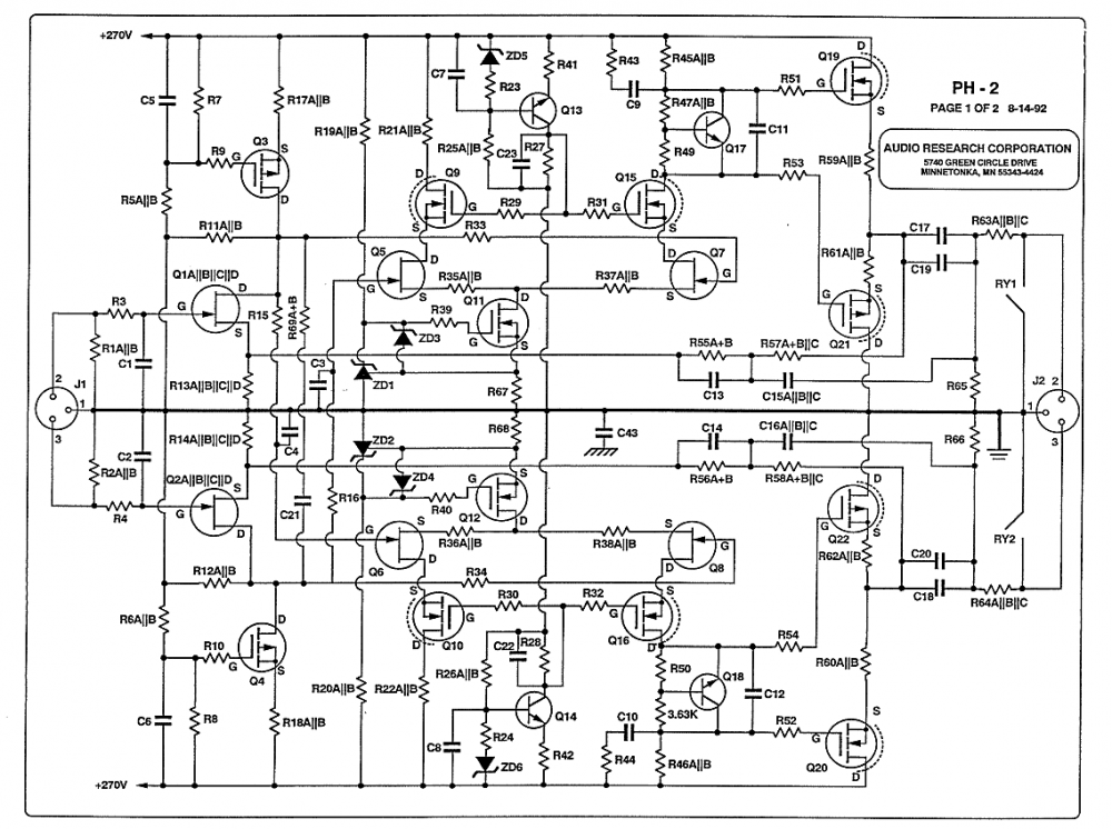
Сергей - на схеме Аудио Ресерч показан только ОДИН канал корректора . Это корректор с балансным входом и выходом . Обычных ( не балансных ) входов у него нет .
- 637 replies
-
- 2
-
-
- riaa
- фонокорректор
-
(and 6 more)
Tagged with:
-
Самые простые схемы ( особенно без общей обратной связи ) - будут иметь большие искажения при таком усилении как в корректоре . И это очень хорошо проявляется при замере параметров таких схем . Не все хай-энд корректоры имеют простые ( и дешевые по деталям ) схемы .
- 637 replies
-
- riaa
- фонокорректор
-
(and 6 more)
Tagged with:
-
Под сложностью сборки , например - я подразумеваю необходимость точного подбора транзисторов (полевиков , например ) - как в этой схеме . Придется купить их не 10 штук , а несколько десятков и потратить время на подбор . Остальные транзисторы будут лежать ... Это отпугивает многих , но я собрал такой корректор , и он мне очень нравится ( своим звучанием ) . А сама схема простая ...
- 637 replies
-
- riaa
- фонокорректор
-
(and 6 more)
Tagged with:
-
Среди собранных мной - были разные , в том числе и довольно сложные ( с подбором полевиков по парам и прочее . ) Некоторые из них у меня есть и сейчас , некоторые - были навсегда отданы друзьям .... Почему-то я не любитель всегда носить одни штаны . Так уж вышло в жизни ....Да ведь и никто не заставляет других собирать по десятку корректоров - в соседней теме о корректорах было выложено НЕСКОЛЬКО десятков разных схем - выбирайте кому какая приглянулась ( и по доступности деталей и по сложности сборки ) . Большинство схем там - от действующих аппаратов - т.е. схемы обкатанные ....
- 637 replies
-
- 1
-
-
- riaa
- фонокорректор
-
(and 6 more)
Tagged with:
-
Так ведь - значимый конечный результат интересен многим . И разработчикам и самодельщикам . Многим бы хотелось сразу собрать самую лучшую схему и потом почивать , вкушая блага .... Но пока этого не случилось - ни у разработчиков , ни у самоделкиных . И благодаря этому - прогресс не останавливается .... Хотите хороший корректор ( не собирая много схем ) - сделайте схему Салас ( на полевиках ) , или схему PS Audio ( PS-II , которую описывал Сухов ) , или схему NAIM NA-322 - все они были выложены в соседней теме о транзисторных корректорах .
- 637 replies
-
- riaa
- фонокорректор
-
(and 6 more)
Tagged with:
-
Это форум самодельщиков . И этот путь никто , и никому - не обещал сделать удобным и простым . Должен быть некоторый элемент самостоятельного творчества , экспериментов , и конечно - некоторого геморроя и разочарований ( а как же иначе ? ) .... Для желающих упростить эту дорогу - есть много способов не тратить своё время на разные схемы - можно купить за 20 долл какой-нибудь КИТ у китайцев , и в выходной день за час-два спаять его дома ....
- 637 replies
-
- 3
-
-
- riaa
- фонокорректор
-
(and 6 more)
Tagged with:
-
Если уж честно - совсем не хочется думать о том , что там будет интересно этим журналам . У них есть свой главный редактор , есть свои учредители , и пусть они живут в своём мире .Так будет правильней ...
- 637 replies
-
- 1
-
-
- riaa
- фонокорректор
-
(and 6 more)
Tagged with:
-
Скажите - а для чего мне нужно проделывать всю эту работу ? Много десятилетий профессиональные разработчики ( и обычные радиолюбители ) - разрабатывают ( и собирают ) самые разные схемы . И пока - ещё не найдена та единственная , и самая правильная ( для всех ) схема .... А у меня ( как и у всех других людей ) , помимо корректоров - и разных других забот по жизни - более , чем достаточно .... Я пользуюсь и простыми , и сложными корректорами , и все они имеют право на существование ( если собраны добросовестно и качественно ) ..... Ну давайте - все найдем единственно правильное решение для всех - и все начнем носить одинаковые штаны , слушать одинаковую музыку , пользоваться одинаковой техникой , думать одинаково ...Что-то еще можно делать одинаково ...И что это будет ?.... Разная техника дает возможность получить разные эмоции , и в этом есть определенное преимущество .
- 637 replies
-
- 4
-
-
- riaa
- фонокорректор
-
(and 6 more)
Tagged with:
-
Фазовые характеристики корректоров я не замерял . Делал замеры АЧХ /шумов/искажений , и пр. Эти графики есть ... Но график не учитывает реальные особенности звука этих корректоров - все они собраны по разным схемам . И эти схемы сильно отличаются по сложности - есть корректоры на 3-х транзисторах , а есть и на 10-11 в каждом канале . Среди них есть модели с пассивной коррекцией , с коррекцией разделенной по разным каскадам , и с коррекцией в цепи ООС . У всех них - разные номиналы цепей коррекции ( и обратных связей ) . А кроме того - есть отличия в типах примененных транзисторов , и это тоже влияет на звук . Например , вчера я слушал вот этот германиевый корректор и сравнил его звучание с его кремниевым "братом" . Разница в звуке есть - она , конечно , не такая как разница между днём и ночью , но свои нюансы там есть ... Когда мне хочется послушать другой звук - я переключаюсь на другой проигрыватель / или другой картридж /или другой корректор . Для этого всё и делается . Корректоров должно быть несколько , это нормально . Но даже , чтобы сравнить подряд ( за один раз ) звучание 8-9 корректоров - это надо сильно постараться ... Я и сейчас не знаю - какой из них самый лучший по звучанию , хотя пользуюсь ими не один год . П.С. - Если говорить о германиевых корректорах - мне они нравятся другим звучанием баса , голосов и струнных инструментов .
- 637 replies
-
- 4
-
-
- riaa
- фонокорректор
-
(and 6 more)
Tagged with:
-
Какая ( Вам лично ) разница - ЧТО я слушаю , и КАК ?... Этот корректор я сделал для себя .
- 637 replies
-
- 2
-
-
- riaa
- фонокорректор
-
(and 6 more)
Tagged with:
-
Корректор , по возможности - должен близко соответствовать RIAA . У меня нет проблем ни с рокотом механизма вертушки , ни с резонансами тонарма на инфра-низких частотах - механика вертушки сделана очень добротно и тонарм хорошо согласуется с картриджами , которыми я пользуюсь ... Я сделал замер с анти-RIAA , и настроил АЧХ корректора в соответствии с этим . Если мне захочется воспользоваться рокот-фильтром - я подключу другой корректор ( среди моих - есть 2 корректора с рокот-фильтром ) .
- 637 replies
-
- 3
-
-
- riaa
- фонокорректор
-
(and 6 more)
Tagged with:
-
Не зря поставил . Я проверял АЧХ с помощью анти-RIAA - у германиевой версии корректора был спад на частотах 20-30 герц , когда на входе стоял только кондер 0,22 мкф . Увеличил до 10 мкф - всё выровнялось . На частоте 10 герц - есть плавный скат . При проигрывании пластинок - никакого инфраниза не ощущается , да и вертушка у меня хорошая - проблем с рокотом нет никаких .... Считать я тоже умею , и формулы знаю . Кремниевый вариант этого корректора у меня нормально работает с кондером на входе 0,33 мкф ( делал его замеры год назад ) .... Бэта у П-416 - раз в 6 меньше , чем было у кремниевого ВС-559....
- 637 replies
-
- 1
-
-
- riaa
- фонокорректор
-
(and 6 more)
Tagged with:
-
В прошлом году собирал себе корректор по схеме КИТа из журнала Электор - Preconsonant , на кремнии серий ВС-549/559 . Корректор хорошо звучал , и недавно я решил собрать еще одну версию этого корректора - на германиевых транзисторах . Топология печатной платы осталась практически такой же , и конденсаторы в цепях коррекции - применил те же , что были в кремниевом варианте . Пришлось изменить номиналы цепи смещения 1-го транзистора и увеличить емкость входного кондёра .... Но корректор работает нормально - его АЧХ очень близко соответствует RIAA , и по своему звучанию - он не уступает кремниевой версии ( уже сравнивал их ) . Буду устанавливать плату корректора в корпус ... Схема германиевой версии - на фото . В документе - статья из Электор с описанием кремниевого оригинала . 1683951581_Elektor1978-07_08.pdf
- 637 replies
-
- 4
-
-
-
- riaa
- фонокорректор
-
(and 6 more)
Tagged with:
-
В документе схемы нескольких корректоров . DiscretePhono.pdf
- 1406 replies
-
- 2
-
-
- схемы
- фонокорректор
-
(and 2 more)
Tagged with:
-
Транзисторно-микросхемный корректор NEC . В публикации РАДИО была допущена опечатка в схеме ( здесь схема публикуется в исправленном виде ) . В начале 90-х я собирал такой корректор себе , он работал нормально и спустя год-два был подарен одному из друзей . Блок питания , показанный на схеме , я тоже собирал , но он мне тогда не понравился и в итоге - этот корректор я питал от другого стабилизатора .
- 1406 replies
-
- схемы
- фонокорректор
-
(and 2 more)
Tagged with:
-
Корректор из журнала Silicon Chip ( 2002 ) Silicon Chip Online - Электронный блокнот.pdf Silicon Chip Online - Circuit Notebook.pdf
- 1406 replies
-
- 2
-
-
- схемы
- фонокорректор
-
(and 2 more)
Tagged with:
-
Корректор "Bonsai " . Подробное описание этой схемы ( с графиками ) - в пдф-документе . RIAA-Equalization-Amplifiers-V2.0.pdf
- 1406 replies
-
- 2
-
-
- схемы
- фонокорректор
-
(and 2 more)
Tagged with:
