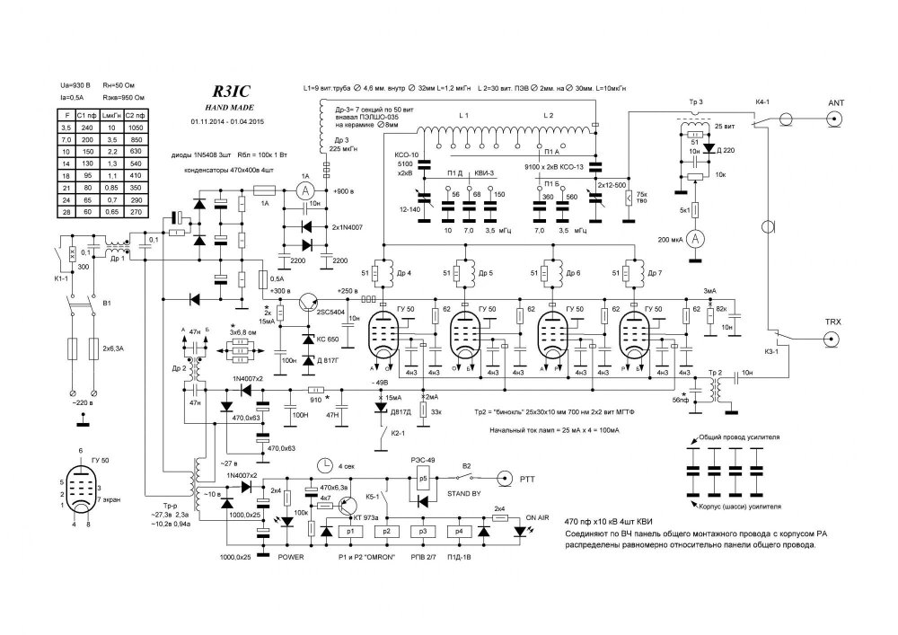
Однотактный усилитель СЧ-ВЧ на лампах ГУ 50
-
Recently Browsing 0 members
- No registered users viewing this page.
-
Клубы
-
Радиорынок
Public Club
-
ROCK-N-ROLL FOREVER!
Open Club · 9 members
-
MASTER TUBER
Open Club · 5 members
-
Hi-end по-русски
Open Club · 58 members
-
Кружкин Дом
Open Club · 31 members
-
Излишки тумбочки
Public Club
-
Радиолюбительские технологии
Open Club · 8 members
-
Магазин Иван Иваныча
Public Club
-
Джаз от SJ
Open Club · 24 members
-
Тестовый клуб
Open Club · 19 members
-
БАЛАНС
Read Only Club · 1 member
-
-
Сообщения
-
В ближайшем месяце есть планы сравнить 0.35 и 0.5 железо, на ЕL66 сердечнике, набором 30мм, каркасы с намоткой будут одинаковые в обоих случаях, твз оба будут SE
-
By Константин · Posted
Если речь о триодах, то да. Тоньше лента- больше магнитных доменов в куб/см магнитопровода, выше эффективность, здесь одни плюсы. По пентодам все иначе, здесь, как раз рулит шихтовка 0,35-0,5, но не всякая. К слову, ломовские рт-ры от Евгения, это ни разу не "силовое" железо. -
Концепция , что два каскада всегда лучше 3х, 4х довольно туманна, т.как по мне лучше 4 каскада в 1/4 своего "я могу", нежели 2 " я на пределе покрякиваю" при одинаковом входном и выходном сигнале. От лукавого все эти "2 каскада и минимум деталей" , на практике не оправдываются сие надежды. Лучше 4 с запасом с минимальными искажениями, нежели 2 с максимальными на пределе - закон первого ватта , лучше 1/4 , чем 1/1 . Возможно слишком сумбурно выразился, но суть, надеюсь, понятна.
-
Мотаем 10 витков, измеряем индуктивность, получаем МЮ. Прессованый пермаллой/сендаст/альсифер - имеет "металлические" опилки. Карбонил - серо-черные. А феррит - точно черный, окись марганца и звучит, как керамика/фарфор. Мо-пермаллой достаточно дорогой, хотя если из оборудования...
-
Я писал о прессованном пермалое (сейчас часто применяется. например в выходных фильрах 50-гц преобразователях бесперебойников) Очень похож на феррит. Приходилось из Ш делать П (П оказался существенно дороже ,чем Ш)выпиливая средний стержень болгаркой).
-
By Stan Marsh · Posted
Это верно. Даже если источник формально может раскачивать УНЧ (всё согласовано по сопротивлениям и чувствительности), но всё равно добавление "ненужного" преда часто идёт на пользу звуку, а сокращение каскадов - увы, обычно вредит. -
По сердечникам толщина пластин влияет на токи Фуко и прочее , но субъективно 0,35 мм звучит в контексте вых. трансформатора откровенно ""аналогово"" , на что многие и ведутся ( ух ты..) , не замечая, что звук при этом подозрительно простоватый и однозначный (микродинамика , ау...) . Оптимально 0,17мм (как в сердечниках от Прибоя) и до 0,23..25 мм , как в сердечниках Аудионот ; разница настолько очевидная , что есть подозрение , что все эти ""гуру"" на самом деле или не проводили сравнения , или ""слаще морковки"" не вкушали ... . 0,35...0,5мм -это силовое железо .
-
Идея т.н. короткого пути (тракта) сигнала популярна у начинающих (просто и дешево...) и опытных аудиоконцептуалов , уже очень не просто и устрашающе дорого. В первом случае ставят что подвернётся , полагая , чем меньше всего на пути сигнала , тем лучше звук. Вторые , ставят исключительно отборные , прошедшие серьёзный тендор (отбор из числа...) на критерии концепта , комплектующие , где знают и особенности отдельных комплектующих . Поэтому ИИ-7 и ставят на К тр. =2 . Но с и Ктр. =4 , усиление схемы (на 300В выше) всего ор. 3,5 , это всего 11 дб. Двухкаскадный корректор , даже пентодный , идёт мимо , т.к. без лампового однокаскадного с трансформаторным выходом буфера или предусилителя , усиления не хватит , звук будет в концепции -""тощего кота за жирные .... "" . А так , входной трансформотор в режим Ктр. =2 , отдельный ламповый пред с Ку не менее 10 .
-
Коля, не проще с рутрекера скачать оцифровки с этой головой, посмотреть стол и прочее и сделать выводы фактически "в живую" на своей системе ?
-
У меня была эта головка. Моё мнение о её звучании кому -то может показаться резковатым, но я его таки озвучу. Сие изделие - скрипучее говно, которое слушать невозможно. Верх и деталь в избытке и больше нет ничего. Музыку не играет от слова совсем. Продал в полцены и перекрестился. После неё ко всем изделиям АТ у меня устойчивая идиосинкразия, разве что шеллы некоторые можно покупать, да и то... Сравнивал это недоразумение с имеющимися на тот момент у меня голдрингом 1042, голдрингом элит, ADC 4 поинт и ADC25, а так же филипсом 420.
-
Закончилась праздничная суета, теперь можно неторопливо разобрать "подарки" "Орденоносный" альбом Diana Krall "When i look in your eyes", 1999г. Это свежее переиздание 2024г. от Acoustic Sounds (Anologue Productions). Две пластинки, 180 грамм, ремастеринг с оригинальной аналоговой мастер-ленты и нарезка от B. Grundman. Не сказать, что являюсь фанатом этого исполнителя, но данное издание пример великолепной современной звукозаписи и качественной печати. Можно лишь немного поворчать, что пластинка не вышла в формате 45 об/мин. А в остальном- пламенная рекомендация
-
У меня такое впечатление, что Чехов проложил дорожку Зощенко, и далее Жванецкому ,Задорнову и далее.
-
Ну я французским не владею, да и русский со словарём, хотя и родной, В школе было 2 и оставляли на осень ( если кто помнит, что это), но читать любил, особенно фантастику. Сейчас больше перечитываю, чем читаю новое, а эти "попаданцы" просто достали. Но вот как-то графа не тянет перечитывать, хотя другого Толстого перечитываю. Ну все это дело индивидуальное.
-
By Stan Marsh · Posted
Сто лет одиночества - цепкая книжка с самого начала. Кстати, меня всегда забавляло то, как читателя ловят на крючок, это не хорошо и не плохо, даже скорее хорошо. Сравните: и Это Грин, очень недооценённый писатель, к сожалению. Заклеймили романтиком, а он гораздо глубже. -
В том и прелесть литературы - в многобразии. Каждый может найти то, что даст отклик в его душе! И тут не может быть никаких споров хорошо - плохо. Субъективность восприятия определяет индивидуальную значимость, что не умаляет ни капли ценности не понятого.
-
-
Forum Statistics
-
Total Topics9.9k
-
Total Posts107.4k
-

Recommended Posts
Join the conversation
You can post now and register later. If you have an account, sign in now to post with your account.