- 
Recently Browsing 0 members- No registered users viewing this page.
 
- 
	Клубы- 
				
				ROCK-N-ROLL FOREVER!Open Club · 9 members 
- 
				
				РадиорынокPublic Club 
- 
				
				Кружкин ДомOpen Club · 31 members 
- 
				
				Излишки тумбочкиPublic Club 
- 
				
				Радиолюбительские технологииOpen Club · 8 members 
- 
				
				Hi-end по-русскиOpen Club · 56 members 
- 
				
				Магазин Иван ИванычаPublic Club 
- 
				
				Джаз от SJOpen Club · 23 members 
- 
				
				Тестовый клубOpen Club · 19 members 
- 
				
				БАЛАНСRead Only Club · 1 member 
 
- 
				
				
- 
	Сообщения- 
						
						Если бы отгнил провод, то при последовательном включении обмоток вторички звук пропал бы совсем, при параллельном пропала бы часть высоких, но громкость осталась бы прежней. Нужно промерить индуктивность при рабочем напряжении, хотя бы от сети, и сравнить. Это скорее короткое замыкание части обмоток.
- 
						
						Исправленному - верить: Ещё можно резисторы номер 3 и 8 увеличить в два раза, но - необязательно...
- 
						
						Здесь вобщем всё элементарно, в аудиотехнике непросто определить, изолировать или нет. Я часто делаю тиристорные системы зажигания для снегоходов и квадроциклов, мощные, что бы в сильный мороз заводились, и сразу после запуска можно было убрать подсос, нагара меньше, и бензин сильно экономится, там магнитный поток накапливается в сердечнике трансформатора, при змыкании контактов прерывателя, и одним импульсом заряжает конденсатор в 2 мкф до 400 вольт. Если пластины изолированы, то от 6 вольт конденсатор может зарядиться до 600-700 вольт, если не изолированы, то до 200-300 вольт. Дроссель в ламповом усилителе выполняет похожие функции - накапливает и отдаёт энергию. Дальше думаю понятно. Мнений может быть очень много, но физика от этого не меняется.
- 
						
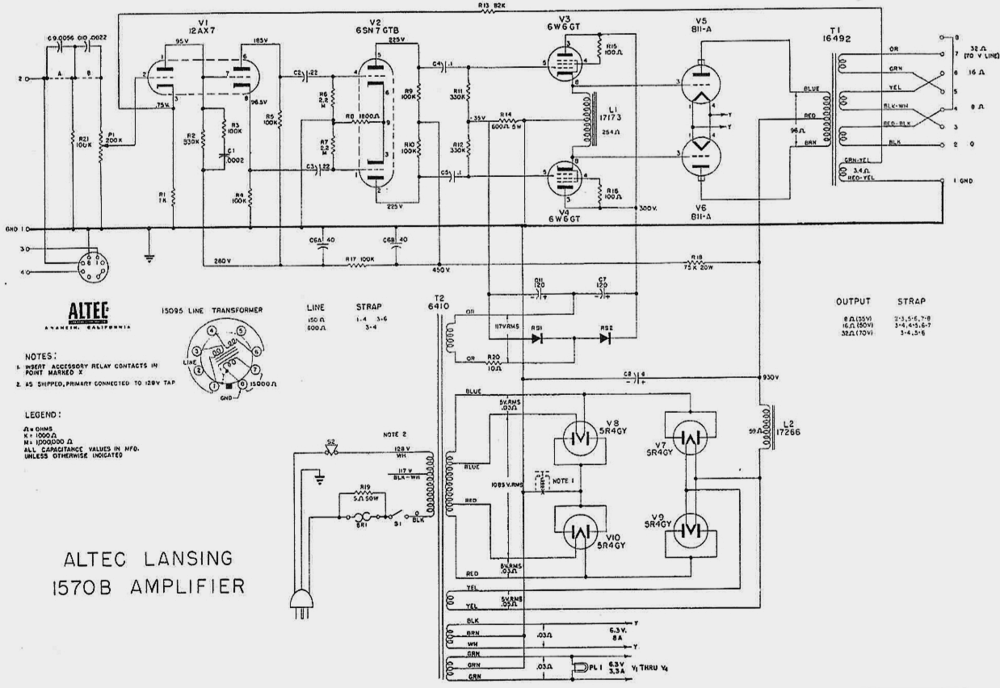
						Выходник, вчера прогнал все, до выходников по двум каналам идёт одинаковый сигнал, после выходника в одном канале сигнал падает .
- 
						
						Либо пайка от прогрева развалилась, либо хуже всего - обрыв провода на изломе - когда края излома прижаты друг к другу..... Но это если точно Выходник..... Могут и просто винтажные детали с началом эксплуатации начать выходить из строя. Сам нарывался несколько раз с винтажными деталями. Перед сборкой всё проверил и подобрал по параметрам, а на этапе прогрева что то выходит из строя. Причём то работает, то не работает - хуже всего поддается диагностике.
- 
						
						Вот такие переделывал, только брал простые, без бесполезных крутилок
- 
						
						какой то глюк, и как вставить два сообщения в одно?
- 
						
						очень плохие фото по качеству, ничего не понять... лазер я так же купил..но где то выкладывал видео я здесь, что нужен блок ксенон с фар, иначе лазер все уродует отблесками. Сейчас попробую лазер с расфокуировкой, может будет лучше. Вверху регулировка фокуса есть на лазере. 100мватт, больше побоялся брать , так как 200 уже выжигает на дереве. Если не получиться, то надо ксенон покупать. ПС снимать через макро меха, все остальное не то, линзы от ломо микроскопа так до этого нужен уз! Но уз хочу проверить не разбивает ли пластинку. УЗ купил, микроскоп есть, нет подсветки пока
- 
						
						Из КТшек мне больше всех 66 нравились, что старые 69гв, что новые 200Х.
- 
						
						Не я один вскрывал. Там электролиты 16+16. Залиты типа битума. У Ахмеда интересные корпуса (в соседнем городе). Но если вместо КТ66 мне есть что поставить (десятка два КТ44, десятка три penb4, pen428 и пр.), то вот на пальчиковые места претендентов нет. Вот бы октальные панельки! Я бы соблазнился!
- 
						
						Так вроде нет , не на электролитах. Огромная двойная банка , очень маленькой ёмкости. Не думаю что это электролиты ( в оригинале ) Кто то выше писал что вскрывал его конденсаторную сборку для установки внутрь современных ёмкостей. Станиславу вопрос Не в курсе какой сейчас ценник на пару корпусов ?
- 
						
						Стоп. А британец не на электролитах? ЕF86 от RFT это все-таки ЕF86. KT66 саратов, хоть и не GEC, но все- таки КТ66. Считаю, набор ламп соответствует. А все остальное?
- 
						
						By Colonel Burrous · Posted Конечно. Тут китайская рассыпуха, на звуке это скажется, если делать сравнение звука.
- 
						
						Вот, достойный клон легенды. Но ведь тоже не 1 в 1. Наверняка ответвления от оригинала присутствуют.
 
- 
						
						
- 
Forum Statistics- 
				Total Topics9.6k
- 
				Total Posts102.3k
 
- 
				

 
	 
	
 
	
 
	
 
	
 
	
.cropped.jpg.ec7a2005015b0b602193d2aed2ca14e7.jpg) 
	
 
	
 
	
 
	
 
	
 
	
Recommended Posts
Join the conversation
You can post now and register later. If you have an account, sign in now to post with your account.