Диммер
- 
Recently Browsing 0 members- No registered users viewing this page.
 
- 
	Клубы- 
				
				Кружкин ДомOpen Club · 31 members 
- 
				
				ROCK-N-ROLL FOREVER!Open Club · 9 members 
- 
				
				РадиорынокPublic Club 
- 
				
				Излишки тумбочкиPublic Club 
- 
				
				Радиолюбительские технологииOpen Club · 8 members 
- 
				
				Hi-end по-русскиOpen Club · 56 members 
- 
				
				Магазин Иван ИванычаPublic Club 
- 
				
				Джаз от SJOpen Club · 23 members 
- 
				
				Тестовый клубOpen Club · 19 members 
- 
				
				БАЛАНСRead Only Club · 1 member 
 
- 
				
				
- 
	Сообщения- 
						
						российско-казахстанской границе грузы постепенно ввозятся в РФ После президентского указа о допуске неправильно оформленных грузов на территорию России ситуация с гигантской пробкой на российско-казахстанской границе понемногу начала разруливаться. 29 октября 2025 г. Порядка 10 тысяч фур все еще остаются на границе России и Казахстана. Очереди начали скапливаться еще в начале сентября — из-за усиленных проверок ФТС для пресечения серого импорта. На прошлой неделе президент подписал указ — неправильно оформленные грузы будут допускать на территорию России. Однако бизнес должен исправить недочеты после пересечения границы.
- 
						
						By Евлампий 2 · Posted Ну а как… Вот представьте (для наглядности) дроссель не в питании, а анодный. Допустим, у нас питание 200 вольт. Пришел сигнал: работающая на дроссель лампа открывается (отрицательная полуволна). Через обмотку (и открытую лампу) энергия блока питания закорачивается на землю, потенциал анода опускается до, допустим, 30 вольт, соответственно изменяясь на 170 вольт. При этом в дросселе запасается энергия. Механический эквивалент: стремительным домкратом мы сжали пружину. А теперь лампа закрывается. Катушка условно-отключилась от источника питания. А энергия, запасенная в ней, выстреливается с обратным знаком (и другой энергии у нас особо нет: лампа закрыта, источник питания как бы висит в воздухе). А потенциал анодной клеммы нарастает, достигая уровня анодного питания, а затем улетает значительно выше (в данном примере будет прибавка в размере вольт 170) – и другого источника, который мог бы дать нам 200+170 вольт амплитудного на обмотке, у нас просто нет. Так что – очевидно, запасается. Эквивалент – та же пружина, отпущенная из сжатого положения – она пролетает нейтраль и растягивается практически на столько же, на сколько была сжата (если ничто ее сильно не тормозит). Конечно, не совсем корректно, но «в общих чертях», типа житейски…
- 
						
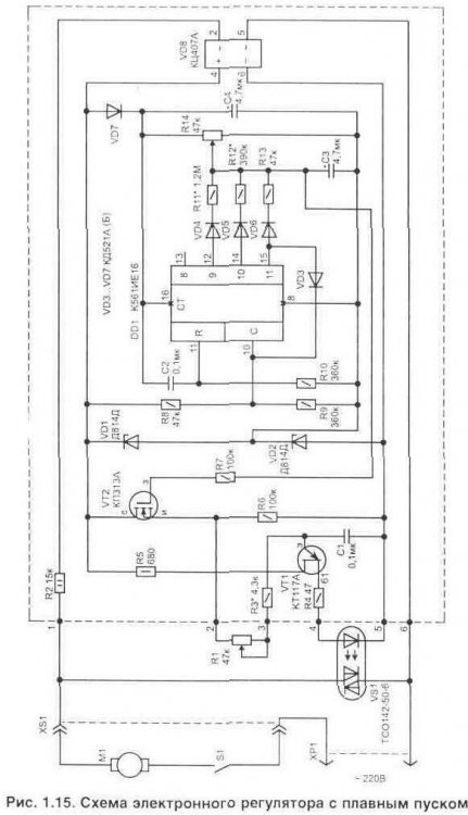
						а просто схемки нет ... чтобы не скачивать журналы ...
- 
						
						Дык, а как он может участвовать, если не накапливать энергию в пиках, и не отдавая её в паузах ? В качестве резистора он как бы не нужен.
- 
						
						РАДИО 1-77, 7-83, 1-87. Делал на разные, но сейчас совсем желающих нет, свернул, увез в гараж.
- 
						
						Конденсаторы сглаживают пульсации напряжения , дроссель-тока. И то и другое характеристики энергии.
- 
						
						Всегда считал, что дроссель в фильтре лишь участвует в сглаживании пульсаций, а ёмкости накапливают и отдают энергию. Можно поподробнее об отдаваемой энергии дросселем? (Это не стёб, действительно хочу понять. Спасибо.)
- 
						
						Жопы с туалетной бумагой вынесены на помойку, продолжаем по теме, иначе тема уедет в говорилку, а этого очень не хотелось бы. Спасибо за понимание.
- 
						
						Схемкой поделитесь в личку ... для посмотреть ... И на какие снегоходы и квадрики делаете ...?
- 
						
						By Stan Marsh · Posted Ну, раз тема опустилась ниже пояса, то замечу: жопу надо мыть, а не тереть туалетной бумагой. Как известно, моют не только пластинки. На этом урок гигиены закончен. И просьба: давайте без переходов на личности, и поспокойней.
- 
						
						Срезал, как есть срезал... Всё нижеследующее в порядке стеба. Нельзя написать "попробуйте" или "почитайте": ибо кто я такой вам указывать.
- 
						
						Политика и до нашего хобби добралась... 😔
 
- 
						
						
- 
Forum Statistics- 
				Total Topics9.6k
- 
				Total Posts102.4k
 
- 
				

 
	 
	
 
	
 
	
 
	
 
	
.cropped.jpg.ec7a2005015b0b602193d2aed2ca14e7.jpg) 
	
 
	
 
	
 
	
 
	
 
	 
	 
	.thumb.jpg.32baf900faf41b0728b9c68dae00a77c.jpg) 
	
Recommended Posts
Join the conversation
You can post now and register later. If you have an account, sign in now to post with your account.