Почти правильный РР усилитель.
-
Recently Browsing 0 members
- No registered users viewing this page.
-
Клубы
-
Радиорынок
Public Club
-
Мастерская
Open Club · 11 members
-
Сверхлинейность
Open Club · 12 members
-
ROCK-N-ROLL FOREVER!
Open Club · 9 members
-
Кружкин Дом
Open Club · 31 members
-
Hi-end по-русски
Open Club · 64 members
-
MASTER TUBER
Open Club · 7 members
-
Излишки тумбочки
Public Club
-
Радиолюбительские технологии
Open Club · 9 members
-
Магазин Иван Иваныча
Public Club
-
Джаз от SJ
Open Club · 24 members
-
Тестовый клуб
Open Club · 19 members
-
-
Сообщения
-
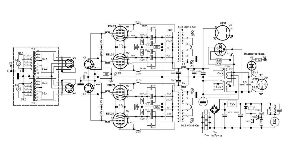
Цымус в том что схема абсолютно симметричная. Если не считать ФИ на входе то это как бы два однотактных двухкаскадных усилителя нагруженных на один трансформатор. "Зеркально"! А у двух последовательных триодных каскадов можно иметь эффект компенсации (если триоды подобраны) и получить линейность без ООС. Вся идея построена на том что автор получил низкие искажения без ОООС. Вильямсон это глубокоОСник, это совсем не оно вообще.
-
Дифкаскаду нужен LT, хотя бы на минус источника смещения, а тут автомат. Ну и на вход ФИ трансик 1: 0,5+0,5 ( так у меня и будет, когда Николаич в скорости намотает). Кстати, вопрос знатокам: такой транс будет с результирующим Ктр 1 или 0,5 ?
-
By Владимир-П · Posted
Пробовал Кокинга ради загрубления чувствительности, мне он показался похуже Вильямсона. -
Схема как схема ... У тов. Вильямсона хоть выходной трансформатор был авторским, а тут непонятно в чём цимус ?
-
У Кокинга и катодной ООС нету, на схеме ТС питания прямонакалов, отдельный. Почитать бы статью, да журнал не найду тех лет, где публиковалась эта схема. В США есть архив, да нас туда не пускають.
-
Вы, извините, забыл имя, написали, что Михаил Евлампий удалил, а я вижу, что он ничего не удалял! И давайте, просмотрим ветку снова нашими, свежими глазами, например, с тем же Михаилом 45, например, и так: Добрый день, посоветуйте НЧ для работы в ЗЯ объёмом 50-100 л. 18.04.2026 Прошли сутки. 19.04.2026 Приобретено!!! О чём это, кто это авгур - Римский прорицатель, выдумщик? Ну не я же, или.... ? Датским потянуло! Ключевая фраза, бинго, Датские! Всё совпало, но только у нас: Почему нехорошо, потому что бородатая фирма заказала ОЕМ колонки в Дании и умудрилась в три Разных по размерам колонках, вставить одинаковый комплект динамиков, мидбасов и пищалок! В маленькие, еле влезли, пришлось наехать на боковые стенки, грили кое-как вставляются, в большие, мне кажется, что слишком, в здоровые совсем, но там по два мидбаса вставили. Почему разговор был про изготовление копии, как версии - потому что обсуждали тут, правда давненько, с Романом Кружкой в том числе, изготовлени копии "легендарной" акустики Dynaco A25, которые, оригиналы, у меня были ровно три раза, покопался у себя в голове, и все три раза, а так же у других людей в 80-е, было плохо, немного в начале 90-х с американским усилителем Скотт 446, единственный раз было более менее, в десятые годы, уже с лампой, и опять плохо! Смысл упоминания - не стоит делать клоны колонок на якобы аналогах, на современных динамиках, и повторять якобы копии тех колонок, из 60-х, которые только размерами похожи на оригинальные! А смысл всего сказанного, ну нельзя вставлять известные головки в разные ящики произвольного объёма!!! Огромная же разница на самом деле! А это я не понял, зачем написано, читал, читал....
-
By Евлампий 2 · Posted
Да, конечно, это почти ШП, под работу с пищалкой они и были заточены, и как раз 3ГД15 для них штатное дополнение (еще очень хорошо кстати 10-сантиметровые бумажные Изофоны подходят, а Сабы хуже). И я в общем-то не агитировал резать их низко и пускать сугубо на НЧ, и упомянул их не как альтернативу 8ГД, это совсем другой концепт, - а всего лишь отметил, что это еще один отечественный динамик, который заслуживает добрых слов. Еще нравится вполне доставаемый 4 ГД5 (он кстати на Альни, потому и звучит почти как с подмагничиванием), 4А33 (этот редкость), старые овалы 10ГДсколько-то, цифру не помню - как раз на них делали студийные контрольные агрегаты, на смену которым пришли версии с 10 Гд29 и 3ГД15. Были наверное и другие хорошие, да не попались... однако всё это не по делу и галимый оффтоп, "сорян за засор". -
Всё правильно, получается, мы все, тут находящиеся поняли, что проигрыватель нужен вашей дочери и вам нужен бушный проигрыватель до 30 тысяч и вам нужны советы и рекомендации, или только ссылки? Как видите, только с одними ссылками не очень получается, почему-то. Ну да, вам не нужны на первых порах моющие машины, за бешеные деньги, огромное количество измерительных пластинок и других популярных прибамбасов, как-то липких роликов, конусов разных и клэмпов, ведь так? Так правильно, что вам предлагали достаточно качественные проигрыватели опытные товарищи для вашей дочери? Пока аккорд, значит я правильно предположил возможное совместное прослушивание? Я, извините, знаю хорошо большую часть, но вы же сами выше озвучили свой бюджет в 30 т.р. или я, путаю? Простите меня, пожалуйста, я человек не злой, а скорее добрый, но ехидный и язвительный слегка, "профессионал" торгует нижним джанком и рассылает по стране.... я опять смеялся, но, рекомендовать такое.... Это рекомендация в случае совместного таки прослушивания, так бывает, так было у меня лично, когда всё было, всего было много, но не было достойного жилья, и жили большой семьёй в панельной двушке, и моя дочь вынужденно слушала очень много хорошей музыки в один заметный и длительный период своей жизни, от момента рождения, до окончания школы и колледжа, может отсюда вкус к хорошему всему и выбор профессии на всю жизнь даже? Снова, если долго ждать и правильно выбирать, то можно купить за эти деньги совсем другой, куда более качественный аппарат, условный 59, 69 Денон, если обратится к какой нибудь япошкина.ру, в магазинчики, куда хозяева возят, или к посредникам, некоторые совершенно приличные, порядочные люди, даже могу порекомендовать, они находятся по соседству, или на саунд спейсе, и живут во Владике. Вот правильный вопрос, отвечал на него на первой странице ещё, они работают, другой способ тоже работает, когда очень давнишний, старый приятель работает в англии, или в германии, например, а приезжает домой, иногда и привозит на заказ, по разному докгому, а особенно выгодно брать, когда он уезжает туда обратно на работу😊 ему надо продать побыстрее остатки! Но если последуете другим рекомендациям, и будете покупать пластинки тут, где их нет, а один мусор, среди кружек и старых кофеварок, в Казани, в 40 минуту хода от речного вокзала, на отшибе, мы почти всегда там ходим прямиком в центр, на рынок и за напитками, а мечеть Кул Шариф, давно нас не интересует, мы там были с дочерью когда-то, переодевшись в мусульманскую одежду, мы любим разные инсталляции иногда устраивать🤣, а бывали мы в Казани я десятки, а дочь была и будет ещё сотни раз! Так вот вы не только кучу денег потеряете, вы рискуете и разрушить свою семью! Супруга может выгнать вас с этим хламом, скажет, зачем вы это притащили с мусорки!? Как раз это-то почти ничего не стоит, массовое, на тонком винилите, проблема купить 50-60-70-е, которые хорошо записаны, и стоят немного других денег, но не буду с Вами спорить. Это что-то и это нечто и надо заходит с аккаунтом своим, а я под ним продавал квартиру и не хотел бы, светить его от слова совсем.... Ну это веселее, цены ближе к реальным, но должно быть до тысячи рублей, выбора практически нет, мало, и вообще, не хотелось бы комментировать по понятным причинам. Проще спросить, где и как надо покупать, в том числе и оптом, опять же мой сосед Михаил, на соседнем учил совсем недавно, ничего не скрывая, подробно, как надо, и с фото приобретённого в том числе. Показал настоящие Техниксы, сделанные на базе студийных, транскрипционных вертушек серии SP, написал, что с студийными двигателями 24х7, для круглосуточной работы, техниксов больше не было, настоящие, крутые техниксы закончились, всё, конец истории, началась эра массовых диджейских вертушек, ссылался на вроде бы авторитета, Михаила К, участника старого ещё АП, модератора, координатора, ему верить вполне можно, десятки этих вертушек у него было и даже сейчас есть несколько, тем более всё это уже обсуждалось ещё тогда, в десятых годах, с таблицами и фото, что не так? Сергей, да, у меня тоже бы возник подобный вопрос, но вертак то едет ещё 🤣 А я то и с техниксами знаком, и с пионерами этими, и с аудиотехникой, но виртуально, друзья чинят, с китайскими, и с настоящими, японскими, и с сони, было очень много своих, страсть к сони, от дешёвых пс10, до средних пс515, была новая, своя, была мёртвая, приятеля, горсть дохлых синих ельн и редкий датчик холла, высокоомный, 8 месяцев искали, я, нашёл, фотки есть в облаке майл. ру, с ближе к верхним, пс5, продавал на старом портале, продал в Челябинск, верхние пс 4750 и 8750, эту чинил человеку в 00, денонами, кучу плат показывал тут где-то, деннонам владел 59 и 67 не помню точно, головка ат440 всё мертвое, сверху красиво, внутри мдфгрутил электромеханический демпфер, продал приятелю, он купил для дизайна, до этого от меня у него гаррард 301 и тор124, фоты выкладывал сюда. Ну все мы надеемся, особенно я, что хоть немного, но помогли вам, и всем другим читающим эту ветку, особенно гостям. Вы совершенно правильно заметили важное! А сколько я времени потратил, без конца рассказывая ув. Улдысу, что Ленко, это всего навсего высококачественный механизм, и чтобы привести его в порядок, нужны силы и время, или покупать новую, как когда-то очень давно я сделал, купив её без тонарма, сколько раз объяснял, что с родным тонармом много работы, надо менять провода, V блоки, провалившиеся, промывать и заново смазывать подшипники, нужна хорошая и выходная проводка, сколько раз писал в его многочисленных ветках, которые и найти то невозможно, что его Дуал, древний чейнджер не годится никуда и что у него не только никакой тонарм, но и подшипники, непригоден он для хай-фая даже, ну пусть читает Виктора Шапкина, замечательного специалиста не только по Дуалям, умершего таким молодым, писал, что Элак, это всего навсего только мотор, даже сам механизм малопригодный и ему Сергей таргет, дал ссылку на Сергея Зеленчукова и Комиссарова.... и что бессмысленно туда ставить шикарную голову Трансфигурэйшен, которую я не мог приобрести у своего дистрибьютора Михаила Ж, дорого, ну и подключать её сгнившими проводами, там звук умрёт.... а дальше китайский корректор, ну неужели непонятно, что многое просто нельзя писать открытым текстом, и можно обидеть легко хорошего, симпатичного мне человека, знакомого ещё по старому АП.
-
Михаил Евлампий, но 10гд29 его чисто как нч жалко использовать, он наверное уже как ШП хороший, до 5кгц его можно использовать, с теми же 3гд-15М сшить
-
By Stan Marsh · Posted
Да, напрасно. Можно было перенести его пост в другую тему, и полезная информация осталась бы. -
By Mark Levinson · Posted
Уважаемый Сергей, да Михаил(Евлампий) написал: Я написал, что напрасно он это сделал. Информация о динамиках была бы полезна. -
Всему своё время. В рабочем сохране Ленку не найти , берёшь хлам за 30, втюхиваешь в него сотку и возможно, получаешь хорошо звучащий аппарат с минимально доступными настройками для головы..... Откат в 50-70 ые прошлого века. Роликовый привод отличался от пассикового более жёсткой передачей, но был чувствителен к состоянию ролика. Изношенная втулка, сухая смазка, микролюфт — всё это создавало дополнительное сопротивление и микроколебания, которые влияли на wow и rumble. В советских аппаратах диск часто был лёгким и плохо сбалансированным, что не позволяло ему эффективно сглаживать колебания, и они сразу проходили в звук. Несмотря на некоторые недостатки, роликовый привод оставался популярным в советской аудиотехнике до появления более современных типов приводов, таких как прямой. ______________________________ Но никто не запрещает, любовь, штука такая....Кому помоложе, а кому то и старушки в кайф.
-
Извините, у нас с вами всегда были хорошие отношения, и тут и там, мы всегда понимали и поддерживали друг друга! Можно спросить, а ув. Михаил разве что-то удалял? Вы лично тему-то читаете, впрочем, как и другие, или её читаем только мы вдвоём и Михаилом 45? Или опять писать полстраницы, объясняя всё, у меня же нет никаких других дел, только писать и писать без перерыва, и я же к постели прикован и мне совершенно нечего делать, вы так считаете😊, не обижайтесь пожалуйста на старика, если что, то смогу, из последних сил!
-
Была у меня эта Ленка, 75-я, восстановил и продал, без сожаления... Недавно приносили её - заменить тонарм, пришлось из двух один собрать, потому как донор был хуже первого, зато - комплектный))... Провода в тонарме перетёртые, еле зачинил и отдал, перекрестившись... Но - надо отдать ей должное - трекинг идеальный и безшумный привод!
-
Совершенно верно. Евлампия читаю давно, многие годы, всегда с большим интересом.
-
-
Forum Statistics
-
Total Topics10.4k
-
Total Posts112.7k
-

Recommended Posts
Join the conversation
You can post now and register later. If you have an account, sign in now to post with your account.
Note: Your post will require moderator approval before it will be visible.