-
Posts
14113 -
Joined
-
Last visited
-
Days Won
128
Content Type
Profiles
Forums
Events
Everything posted by Stan Marsh
-
SE или PP на 6П3С для неофитов и не только
Stan Marsh replied to Stan Marsh's topic in Общие проекты на этапе конструирования
-
SE или PP на 6П3С для неофитов и не только
Stan Marsh replied to Stan Marsh's topic in Общие проекты на этапе конструирования
Сразу вспоминается полуторотактник Фадеева или толстуху Мэнли с PP/SE на 807-х. Или только я один это вспоминаю? -
SE или PP на 6П3С для неофитов и не только
Stan Marsh replied to Stan Marsh's topic in Общие проекты на этапе конструирования
Разумеется. Я же не для повторения напомнил. -
SE или PP на 6П3С для неофитов и не только
Stan Marsh replied to Stan Marsh's topic in Общие проекты на этапе конструирования
Нолик там лишний. Это мелочи. -
SE или PP на 6П3С для неофитов и не только
Stan Marsh replied to Stan Marsh's topic in Общие проекты на этапе конструирования
Ну а РР, думаю, с "обычным" ФИ("с анодным делителем", неавтобаланс). На 6Н7С, 6Н8С или 6Н9С. С тетродным включением выходных ламп понадобится ООС. Если в триоде, то не факт. -
SE или PP на 6П3С для неофитов и не только
Stan Marsh replied to Stan Marsh's topic in Общие проекты на этапе конструирования
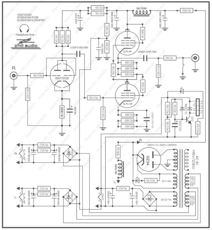
Схема Макарова известна, но на всяк случай. Данные выходного трансформатора: структура каждой из двух катушек такова: две вторички, две первички, две вторички, две первички, одна вторичка, одна первичка, одна вторичка. Итого семь секций на каждой катушке. Вторички намотаны проводом в изоляции 0,76мм; первички намотаны проводом в изол. 0,28мм. На каждой катушке намотано 1305 витков (половина) первички, т.е. по 261 витку в слое. Во вторичке - по 104 витка, т.е. коэфф.трансформации 0,04 (25 для иностранцев). Сопротивление нагрузки ТВЗ: 3,4Ом.Приведенное к первичной обмотке сопротивление нагрузки: 2,25кОм. Внутреннее сопротивление двух параллельно включенных ламп 6П3С - 666 Ом. Однако измеренные значения (на нагрузке 6Ом). Трансформатор выполнен на стандартном железе ТС-180, сечение железа 9 кв.см. Расчетное значение толщины каждой из двух прокладок = 0,21 мм. -
Отчего бы не попробовать в столь любимой пианине(тип корпуса) о шести отверстиях для октальных ламп пособирать РР на 6Н9С и 6П3С. Или, например, затеять некую реинкарнацию Маг-3.5. На пресловутых сердечниках от ТС-180, скажем. И тех же лампах. Себе, детям или внукам. Известный всем Железный Мастер уже подготовил корпуса под это дело. Как думаете?
-
Некоторым не дано понять, что в техническом форуме им делать нечего, но упорно продолжают заниматься собственным пиаром при любом удобном случае.
-
Компактные ламповые усилители для компактных аудио систем.
Stan Marsh replied to U.L.F.'s topic in Valve
- 811 replies
-
- 1
-
-
Тут вот какая проблема: неофиту всегда нужен однозначный ответ. "Ведь дважды два - четыре? Четыре. А вы мне "около пяти", "больше трёх", есть же точная цифра! Должна быть. Не может не быть, наука же!" На конкретный вопрос неофиту лучше отвечать конкретно, иначе у него создаётся впечатление, что отвечающий и сам ничего не знает.
-
Тут технический форум, а для хоровых утверждений, противоречащих законам традиционной физики у нас есть гуманитарный форум.
-
Мысли про дизайн перенёс сюда: О дизайне. - Страница 4 - Внешность имеет значение - NewAudioportal - форум о хорошем звуке
-
Там парад безвкусия, апофеоз украшательского идиотизма. Китч. И да, о вкусах не спорят, вкус прививают. Лучшее время для прививки - детство, если не сложилось, то имеем то, что имеем. Радиолу Дружба, в частности, где чуть переложили вычурности и получили отдушину мещанина.
-
Подумаем.
-
О дизайне. - Страница 4 - Внешность имеет значение - NewAudioportal - форум о хорошем звуке Галерея наших работ - Страница 10 - Авторские системы - NewAudioportal - форум о хорошем звуке
-
Друзья, давайте ближе к теме.
-
Усилитель и АС не должны быть красивыми, их функция в другом. Кроме того, этот ужас в стиле Людовика надцатого, стимпанк родимый или ещё какая-нибудь вещь в себе быстро перестанут притягивать взгляд владельца, а будет веселить только забредших на огонёк гостей. Да и не во всякий интерьер впишется вызывающая вещица. Функционал, эргономика, удобство, а никак не бездумное дизайнерское пижонство. Процентов на 90 он прав, а рамсы путают другие.
-
От отдельного источника? Или от выпрямленного накального?
-
Ну да, я бы предпочёл напряжение анодного питания 300В и автоматическое смещение. Получение амплитудного 60...70В - задача попроще.
-
Вот ещё один вариант смещения. С катодным резистором маленького номинала, нужное падение напряжения получается не за счет тока катода лампы, как в классической схеме, а за счет подачи на этот резистор большого тока от отдельного источника.
-
Это отрицательное смещение. Одна из фишек этого усилителя.
-
Ну, и в продолжение ещё один известный проект "Melquiades". Появившийся, кстати, благодаря нашему Дмитрию Кирееву(автору "Заратустры") и бывшему нашему Владимиру Ламму.
-
ВысокоВольтный ПрямоПриводной усилитель HVDD он же OTL.
Stan Marsh replied to BAA's topic in Semiconductor
Этого вполне достаточно. -
Вам их никто и не предлагает.
