-
Posts
3084 -
Joined
-
Last visited
-
Days Won
21
Content Type
Profiles
Forums
Events
Everything posted by юрий робертович
-
-
-
динамик с необычной центровкой звуковой катушки.
юрий робертович replied to TRIO's topic in Радиорынок's Продам АС, динамики.
Похож от р/пр Фестиваль -
-
-
Самое интересное, сделал простейший однотакт на П605 для друга, телефоны на 100 ом подключать, так я на АС от Симфонии с удовольствием две недели слушал, комната 30 кв. метров, мощность 0,3 вт на канал, хватало всего
-
Почти каждый день к компу подключен однолампик на 6п15п с 10гдш-1, слушаю лет пять, ничего и не надо
-
Просто элементарная очепятка
- 901 replies
-
- усилитель
- транзисторы
-
(and 2 more)
Tagged with:
-
-
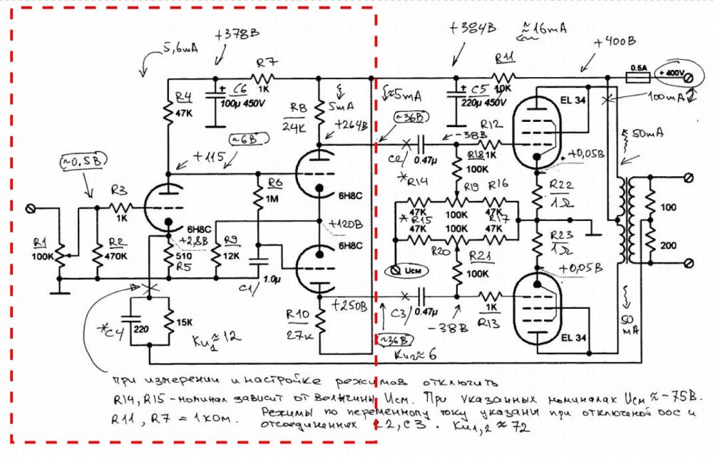
Двухтактник года два немного переделал, 6с2с, ФИ на 6н12с, и 2*6с4с, также Р мах=8 Вт. Убрал в кладовку, но слушать неохота. Фото старое еще
-
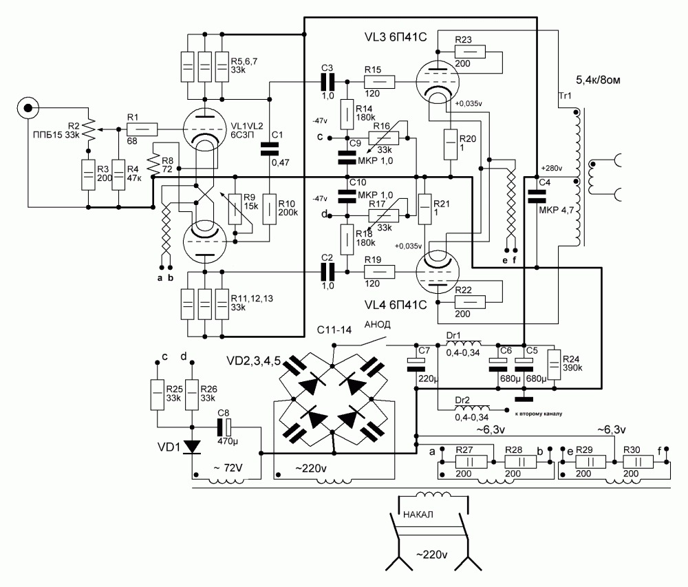
Я не люблю двухтактников, а в СЕ, это на 6с4с, и 45 триоде. Моя музыка, Led Zeppelin и Рахманинов, могу слушать когда угодно
-
