-
Posts
821 -
Joined
-
Last visited
-
Days Won
1
Content Type
Profiles
Forums
Events
Everything posted by RedStar
-
По моему примеру для драйверной лампы. В любом случае, потребуется ВАХ лампы, хоть примерный. см. рис. С нее требуется получить 28 вольт выходной амплитуды при входной в 1 вольт. РТ выбираем относительно графика на свое усмотрение. Здесь нужно обратить внимание на расположение ветвей ВАХ по их удаленности от РТ до 82 и 136 вольт, которые обеспечивают показатель искажений. Все это есть в книгах. Примерная амплитуда тока составит 0,014-0,0105)-2=0,00175 А. 28 вольт /0,0175 =16000 Ом (Ra). Здесь легко ошибиться, так как графики бывают разного качества. В катоде: 2/0,0125=160 Ом По моим формулам. У вас известно напряжение питания, допустим 300 вольт. РТ = 110 вольт, 12,5 мА. Ro=110/0.0125=8800. (300/0,0125)- 8800 = 15200 Ом (Ra). Что очень точнее к выше написанному. Поставить в анод не пост. резистор, а подстроечный. В катоде аналогично, подстроечный, Обоими можно установить требуемую выходную амплитуду и минимальные искажения. Для выходных ламп,выбор РТ, необходимо придерживаться допустимой рассеиваемой мощности анода+ мощности экранной сетки Если у выходной лампы указан ток катода или ток анода, к примеру как у 6п14п (48 мА), то за максимальную выходную амплитуду тока следует выбирать на ее процент отклонения (+-8 мА), то есть 48+8 или 48-8. С формулой будет не напряжения питания, а амплитуда пик-ту-пик развиваемая ЭДС транс-ром. (Ro+Ra)* Ia= Ea(ЭДС)
-
Подскажет ли кто, стоит повторять АС Tannoy Prestige Canterbury SE? У этой модели форма динамика схожа с 4а32. Имеется в наличии пара восстановленных динамика, готовых под покраску "золото". В качестве твиттера будет встроенный на керне 4а32 малогабаритный динамик с катушкорй 25,4 мм "Monitor Audio Bronze" с обрезанными ушами крепления по кругу основной МС.
-
Как я определяю параметры. (Многие знают мой метод). Простое алгебраическое решение на координатной сетке. Когда определено напряжение питания каскада Еа (любая точкаH) и выбрана Рабочая точка( Р) на свое усмотрение. а). можно определить Ra: Ea/Ia-Ro= Ra, где Ro =Ua/Ia - сопротивление лампы постоянному току. б). Зная Рабочую точку и нагрузочное сопротивление, вычисляем требуемое напряжение питания (Ro+Ra)* Ia= Ea Это применительно для всех каскадов усиления. Ra еще определить можно по требуемой выходной амплитуде. Есть небольшое замечание для каскадов с ТВЗ. Еа - это будет максимальная амплитуда переменного напряжения с учетом отсечки соответствующей полуволны. Могу позже описать построение выходного каскада своим методом. Ra еще определить можно по требуемой выходной амплитуде.
-
Какой потенциометр выбрать в регулятор громкости.
RedStar replied to qa7's topic in Help for beginners
Такую модель использую во многих макетных, и применен в "Монте Кристо".- 126 replies
-
- рг
- потенциометр
-
(and 1 more)
Tagged with:
-
Какой потенциометр выбрать в регулятор громкости.
RedStar replied to qa7's topic in Help for beginners
Это вероятнее.Сколько умов, столько мнений. Выбор стоит перед самим собой....- 126 replies
-
- рг
- потенциометр
-
(and 1 more)
Tagged with:
-
Какой потенциометр выбрать в регулятор громкости.
RedStar replied to qa7's topic in Help for beginners
/Зачем париться над "фирмой"? Вполне подходят в качестве регуляторов громкости подобные: https://www.chipdip.ru/product/16t1-b10k нареканий - минимум. Баланс держат, регулировка в пределах заявленных и ожидаемы. Особых проблем с ними не возникает. Что же более надо? Остальное - от "лукавого" и причуд аудиофилов....- 126 replies
-
- 1
-
-
- рг
- потенциометр
-
(and 1 more)
Tagged with:
-
Чем отличается входной каскад от драйвера в данном случае?
-
Однажды встретил схему входного каскада из одной схемы усилителя от уважаемого Торреса на сраром аудиопортале. Повторил многократно на разных лампах. Больше понравился вариант на 6ж2п и 6ж10п, с доп питанием по третьей сетке. Название - резистивный УЛ каскад. Тогда хотел пообщаться с автором, но не сложилось. Собственно схема и снятые параметры при доп. питании и без третьей сетки с различной нагрузкой в виде резистора гридлика первой сетки выходной лампы. Звучание и параметры весьма впечатлили. Пробовал с разными выходными лампами типа 6с 4с и 6с19п. В таблице данные под резистивной нагрузкой без вых. ламп.
-
Было небольшое вытекание к вечеру гоняю по 24 часа каждодневно. Пока температура, как у меня 36,6 за час работы.
-
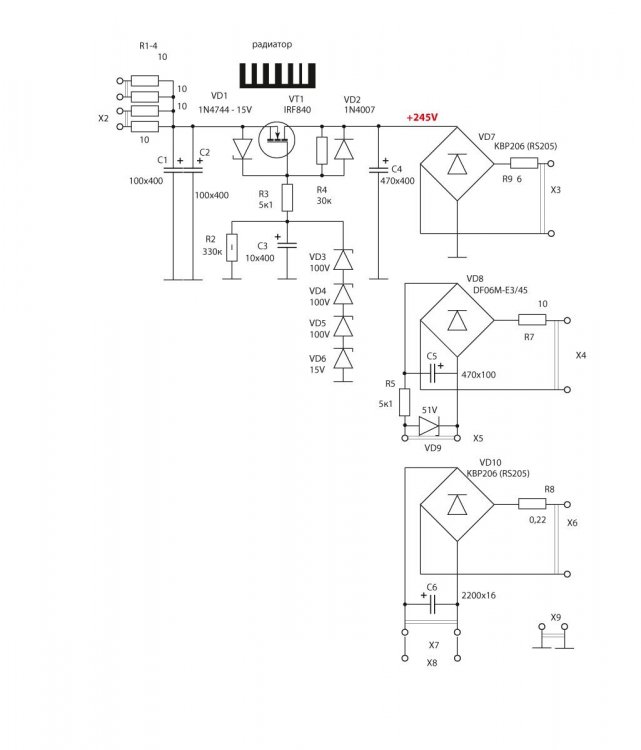
Стаб. 51 В - на смещение. Цепь регулировки не показана. Выполнена на многооборотном подстроечнике. Да. ?
-
Силовик на 1,6 Тл. Температуру позже проверю, пусть с утра поработает. Гула нет. подковы ровные и перед стяжкой промазал БФ-2. Только катушку варил в парафине. ТВЗ на 35 Гн.
-
В моих ТВЗ,( смотреть по рис.) обмотки секционированны.
-
Без проблем мотается.И, да, КО лучше мотать поверх всех обмоток.
-
Количество витков/вольт = 2,8 672/2,8=240*sqr2=340 В. Вполне хватает с учетом падения на стабе. и ТВЗ, и буде немногим более 300 вольт. ОСМ идеален для нужд силовика и ТВЗ. Его макс. индукция серджечника 2,1 Тл. Само собой. Для тестирования намотал уже более 24 шт. ТВЗ и с десяток Силовых. Зато гармоник мало. 6п13с много не надо. Она и так хорошо работает. Звук у нее - шикарный. Правду о ней говорят, что похожа на 6с4с. Уже более года эксплуатирую усилитель как прикомповый. Никаких нареканий и все напряжения в норме! Для меня легче мотать самому. С финансами туго. Благо, есть люди , присылают "подарки" - лампы, железо и провод.
-
Нарисованной схемы силового транс-ра не. Данные такие: Сердечник на базе ОСМ1- 0,1, сечением 10 см2 Первичная обмотка: 620 витков проводом 0,4 мм. Питание анодных цепей: 672 витка проводом 0,28 мм. Обмотка для смещения: 98 витков проводом 0,2 мм. Обмотка питания накала драйверной лампы: 17 витков проводом 0,88 мм. Две обмотки питания накала выходных ламп: 18 витков проводом 0,88 мм. Все обмотки мотаются с межобмоточными слоями изоляцией 0,1 мм. Это как раз доступный вариант железа ТВЗ. Есть на многих рынках. А облегчил намотку убрав межслойную изоляцию. Общая индукция анодной +катодной обмоток составляет 35 Гн. (по отдельности 24 Гн и 0,39 Гн.)
-
-
-
Параметры у него такие: Нагрузка 8 и 4 Ом с переключением. Диапазон воспроизведения 20-20000 Гц по уровню -0,5 дБ. Номинальная мощность при 1% КНИ - 6 Вт. При мощности 1 Вт, КНИ равен 0,28 (0,3)% . Мощность - 6,5 Вт. При искажениях 1,25%. В схеме применена отдельная обмотка по экранной сетке. Много было споров о том, что это частный случай УЛ. Только она работает немного иначе. Снижает искажения более чем в 2 раза, чем УЛ. Схема:
-
Свой вариант СЕ усилителя. 7 Вт. максимальной мощности на 8 Ом, при искажениях до 1,2%. Входной каскад на 6ж51п, Выходные 6п13с. ТС И ТВЗ сам мотал, с КО и отдельной ЭО, по моему принципу не УЛ, а VL-. Выходное сопротивление 0,65 Ом. АЧХ прилагаю в сравнении с УЛ и КО. Меандром на 30 Гц и 1000 Гц.
-
Мне бы найти где имеется описание, предложенное Г. Г. Баркгаузеном: Рис. 18.11. Эквивалентная схема анодной цепи с заменой триода переменным резистором http://tubeamplifier.narod.ru/mess020.htm Все сам начал с нуля и рассчитал подобное. Если интересно, поделюсь.
